Curiosii for ever!: Car repair manuals for everyone.

Connecting Rod: Service and Repair

PISTON & CONNECTING ROD

REMOVAL
1. Remove top ridge of cylinder bores with a reliable ridge reamer before removing pistons from cylinder block. Be sure to keep tops of pistons covered during this operation. Pistons and connecting rods must be removed from top of cylinder block. When removing piston and connecting rod assemblies from the engine, rotate crankshaft so that each connecting rod is centered in cylinder bore.

NOTE: Connecting rod bearing caps are not interchangeable and should be marked before removing to ensure correct reassembly.

CAUTION: DO NOT use a number stamp or a punch to mark connecting rods. Damage to connecting rod could occur.

Fig. 69:





2. Mark connecting rod and bearing cap positions using a permanent ink marker or scribe tool (Fig. 69).

CAUTION: Care must be taken not to damage the fractured rod and cap joint face surfaces, as engine damage may occur.

Fig. 70:





3. Remove connecting rod cap. Install Special Tool 8189 Connecting Rod Guides into the connecting rod being removed (Fig. 70). Remove each piston and rod assembly out of cylinder bore.

NOTE: Be careful not to nick crankshaft journals.

4. After removal, install bearing cap on the mating rod to prevent damage to the fractured cap to rod surfaces.

INSTALLATION
1. Install the piston rings.
2. Before installing piston and connecting rod assemblies into the bore, ensure that compression ring gaps are staggered so that neither is in line with oil ring rail gap.

Fig. 78:





3. Before installing the ring compressor, make sure the oil ring expander ends are butted and the rail gaps located as shown in (Fig. 78).
4. Immerse the piston head and rings in clean engine oil, slide the ring compressor over the piston and tighten with the special wrench. Ensure position of rings does not change during this operation.

CAUTION: Ensure the hole in bearing half aligns with hole in connecting rod, as damage to engine may occur.

5. Position bearing onto connecting rod. Ensure that hole in bearing half is aligned to hole in connecting rod. Lubricate bearing surface with clean engine oil.
6. Install Special Tools 8189 Connecting Rod Guides into connecting rod (Fig. 70).

Fig. 72:





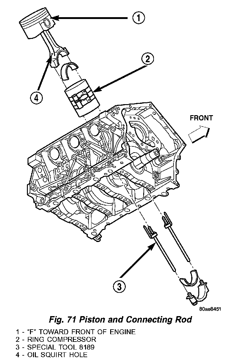
7. The pistons are marked on top with an arrow and with an F (Front) above the pin boss. These marks must be pointing toward the front of engine on both cylinder banks. The connecting rod oil squirt hole faces the major thrust (right) side of the block (Fig. 72).

Fig. 71:





8. Rotate crankshaft so that the connecting rod journal is on the center of the cylinder bore. Insert rod and piston into cylinder bore and guide rod over the crankshaft journal (Fig. 71).

CAUTION: Do Not interchange piston assemblies bank to bank, as engine damage may occur.

9. Tap the piston down in cylinder bore, using a hammer handle. At the same time, guide connecting rod into position on connecting rod journal.
10. Lubricate rod bolts and bearing surface with engine oil. Install connecting rod cap and bearing. Tighten bolts to 27 Nm (20 ft. lbs.). Plus 1/4 turn.