Curiosii for ever!: Car repair manuals for everyone.

Starter Solenoid: Service and Repair

STARTER SOLENOID

REMOVAL





1. Disconnect the negative battery cable.
2. Raise and support the vehicle.
3. Remove the lower engine panel.
4. Disconnect the right O2 sensor electrical connector.
5. Remove the right side exhaust pipe from the exhaust manifold to the rear exhaust system.
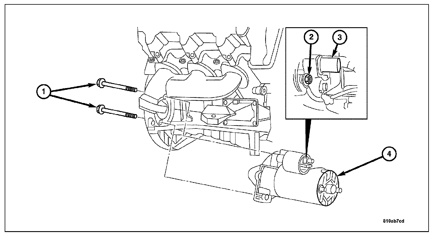
6. Remove the starter bolts (1) and reposition the starter to access the starter electrical cables.
7. Remove the starter positive cable protective plastic cap (3).
8. Disconnect the starter cables by removing the ground cable nut (2) and the positive cable nut.
9. Remove the starter (4) from the vehicle.

INSTALLATION





1. Install the starter (4).
2. Connect the starter cable and the ground cable with the nuts. Tighten the starter positive cable nut to 14 N.m (10 ft. lbs.). Tighten the starter ground cable nut (2) to 6 N.m (52 in. lbs.)
3. Install the starter positive cable protective plastic cap (3).
4. Install the starter bolts (1). Tighten to 42 N.m (31 ft. lbs.).
5. Install the right side exhaust pipe.
6. Connect the right side O2 sensor.
7. Install the lower engine panel.
8. Lower the vehicle.
9. Connect the negative battery cable.