System Schematic
Base Airbag Systems:
Premium Airbag Systems:
Base Radio - JR41 Audio System:
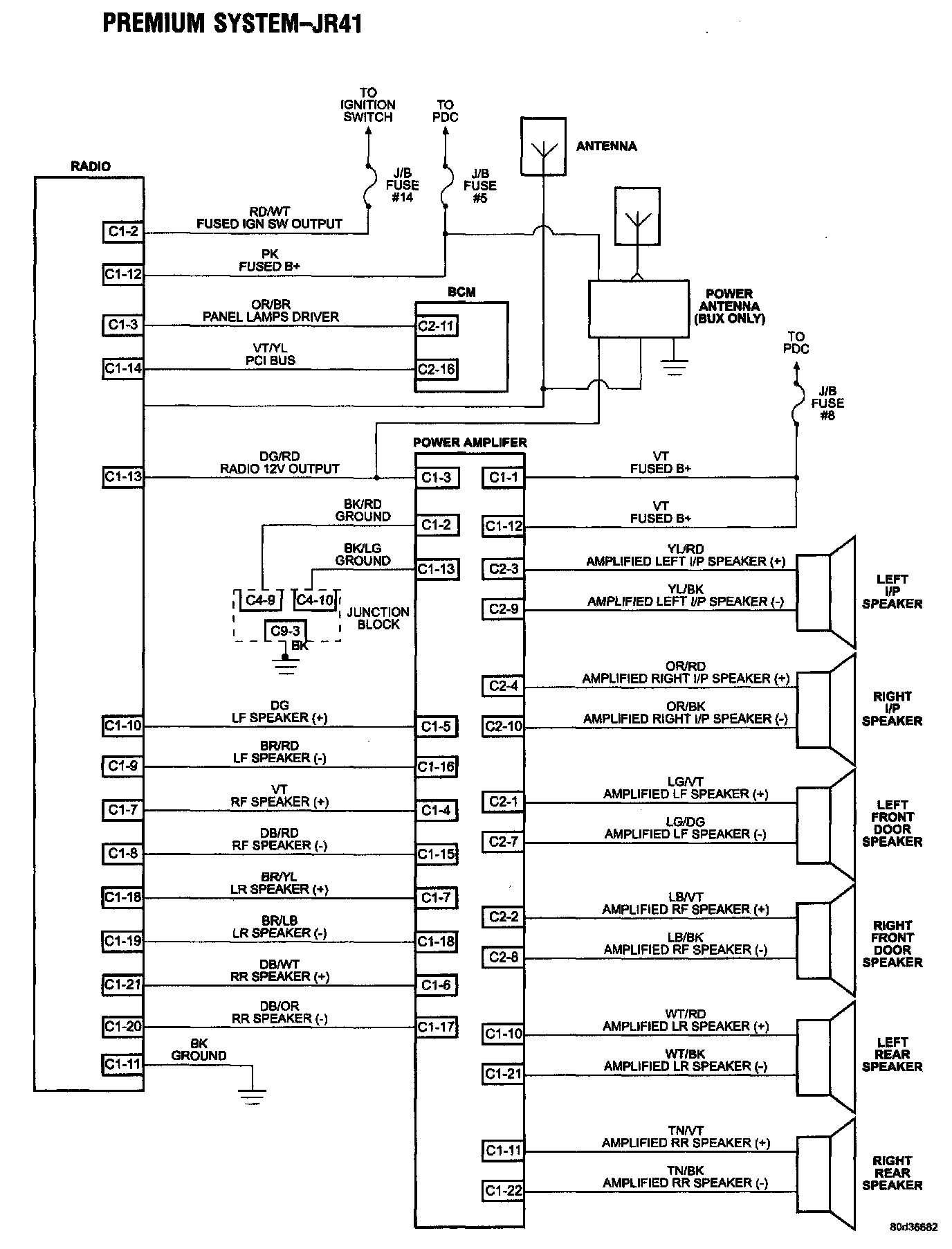
Premium System - JR41:
CD Changer:
Remote Radio Controls:
Chime System:
Compass/Mini Trip Computer (CMTC):
Door Ajar:
Heated Seat Relay:
Rear Window Defogger (Automatic Temperature Control):
Rear Window Defogger (Manual Temperature Control):
Exterior Lighting (Headlamps):
Automatic Temperature Control (ATC):
Manual Temperature Control (MTC):
Horn System:
Courtesy Lamps:
Panel Lamps:
Mechanical Instrument Cluster:
Power Door Locks/RKE:
PCI Bus Communication:
PCM Communication:
Vehicle Theft Security System:
Wiper Switch:
Front Wipers: