Curiosii for ever!: Car repair manuals for everyone.

Inspection Procedure 33

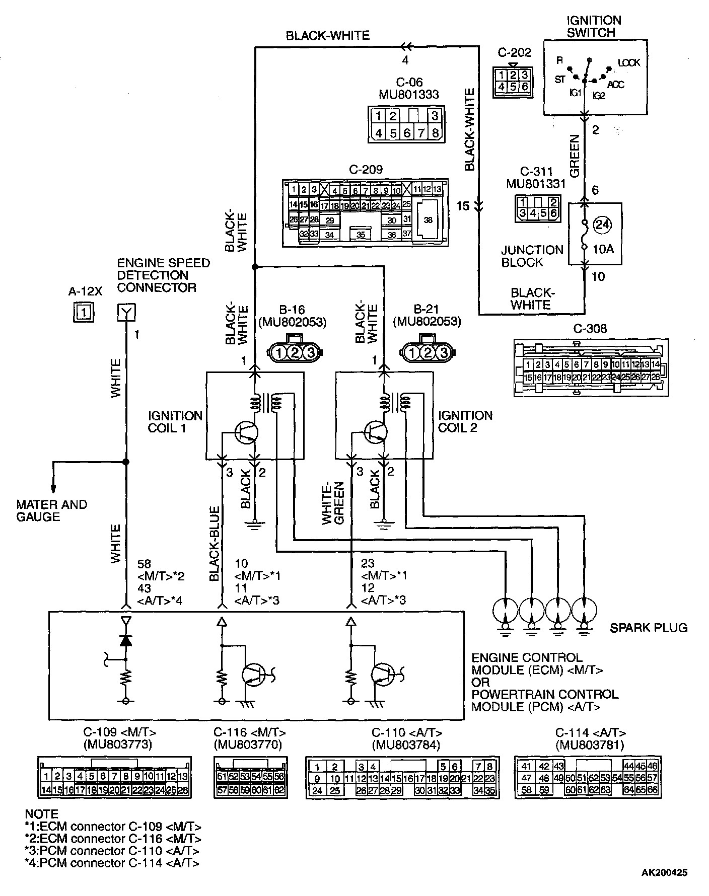
INSPECTION PROCEDURE 33: Ignition Circuit System

Ignition Circuit:




Connectors:








CIRCUIT OPERATION
- The ignition coil is energized by Battery positive voltage from the ignition switch.
- When the ECM or PCM turns off its internal power transistor, battery positive voltage is applied to the ignition power transistor (terminal No.3) inside the ignition coil, causing the ignition power transistor to be turned on.
- If the ignition power transistor is turned on, the primary circuit of the ignition coil is energized by grounding the ignition coil through terminal No.2, causing the primary current to flow to the ignition coil.

TROUBLESHOOTING HINTS (The most likely causes for this case:)
- Malfunction of the ignition coil.
- Malfunction of the ignition power transistor.
- Improper connector contact, open circuit or short-circuited harness wire.
- Malfunction of the ECM or PCM .

DIAGNOSIS

STEP 1. Check the
ignition coil.
Refer to Ignition System - On-vehicle service - Ignition Coil Check.

Q: Are there any abnormalities?

YES: Go to Step 2.
NO: Replace the ignition coil. Then confirm that the malfunction symptom is eliminated.





STEP 2. Check harness connectors B-16, B-21 at ignition coil for damage.

Q: Is the harness connector in good condition?

YES: Go to Step 3.
NO: Repair or replace it. Refer to Harness Connector Inspection. Then confirm that the malfunction symptom is eliminated.








STEP 3. Measure the power supply voltage at ignition coil connectors B-16, B-21.

1. Disconnect the connectors B-16, B-21 and measure at the harness side.
2. Turn the ignition switch to the "ON" position.
3. Measure the voltage between terminal No.1 and ground.
- Voltage should be battery positive voltage.
4. Turn the ignition switch to the "LOCK" (OFF) position.

Q: Is battery positive voltage (approximately 12 volts) present?

YES: Go to Step 4.
NO: Check the connectors C-06, C-209, C-308 and C-311 at intermediate connectors for damage, and repair or replace as required. Refer to Harness Connector Inspection. If intermediate connector are in good condition, repair harness wire between ignition switch connector C-202 (terminal No.2) and ignition coil connectors B-16, B-21 (terminal No.1) because of open circuit. Then confirm that the malfunction symptom is eliminated.








STEP 4. Check the circuit at ignition coil harness side connectors B-16, B-21.

1. Disconnect the connectors B-16, B-21 and measure at the harness side.
2. Engine cranking.
3. Measure the voltage between terminal No.3 and ground.
- Voltage should be 0.3 and 3.0 volts.
4. Turn the ignition switch to the "LOCK" (OFF) position.

Q: Is the measured voltage between 0.3 and 3.0 volts?

YES: Go to Step 7.
NO: Go to Step 5.

Connectors:





STEP 5. Check connector C-109 at ECM or connector C-110 at PCM for damage.

Q: Is the connector in good condition?

YES: Go to Step 6.
NO: Repair or replace it. Refer to Harness Connector Inspection Then confirm that the malfunction symptom is eliminated.

Connectors:





STEP 6. Check for open circuit and short circuit to ground between
ignition coil connector and ECM connector or PCM connector .

a. Check the harness wire between
ignition coil connector B-16 (terminal No.3) and ECM connector C-109 (terminal No. 10) or PCM connector C-110 (terminal No.11) when checking ignition coil 1.
b. Check the harness wire between
ignition coil connector B-21 (terminal No.3) and ECM connector C-109 (terminal No. 23) or PCM connector C-110 (terminal No.12) when checking ignition coil 2.

Q: Is the harness wire in good condition?

YES: Replace the PCM. Then confirm that the malfunction symptom is eliminated.
NO: Repair it. Then confirm that the malfunction symptom is eliminated.

Connectors:





STEP 7. Check for harness damage between
ignition coil connector and ECM connector or PCM connector .
a. Check the harness wire between ignition coil connector B-16 (terminal No.3) and ECM connector C-109 (terminal No. 10) or PCM connector C-110 (terminal No.11)
when checking ignition coil 1.
b. Check the harness wire between
ignition coil connector B-21 (terminal No.3) and ECM connector C-109 (terminal No. 23) or PCM connector C-110 (terminal No.12) when checking ignition coil 2.

Q: Is the harness wire in good condition?

YES: Go to Step 8.
NO: Repair it. Then confirm that the malfunction symptom is eliminated.








STEP 8. Check for continuity at
ignition coil harness side connectors B-16, B-21.
1. Disconnect the connectors B-i 6, B-21 and measure at the harness side.
2. Check for continuity between terminal No.2 and ground. Should be less than 2 ohms.

Q: Does continuity exist?

YES: Go to Step 9.
NO: Repair harness wire between ignition coil connectors B-16, B-21 (terminal No.2) and ground because of open circuit or harness damage. Then confirm that the malfunction symptom is eliminated.

Connectors:





STEP 9. Check connector A-12X at engine speed detection and connector C-116 at ECM or connector C-114 at PCM for damage.

Q: Is the connector in good condition?

YES: Go to Step 10.
NO: Repair or replace it. Refer to Harness Connector Inspection. Then confirm that the malfunction symptom is eliminated.

Connectors:





STEP 10. Check for open circuit and short circuit to ground and harness damage between engine speed detection connector A-12X and ECM connector C-116 (terminal No.58) or PCM connector C-114 (terminal No. 43)


Q: Is the harness wire in good condition?

YES: Replace the ECM or PCM. Then confirm that the malfunction symptom is eliminated.
NO: Repair it. Then confirm that the malfunction symptom is eliminated.