Curiosii for ever!: Car repair manuals for everyone.

Power Distribution Module

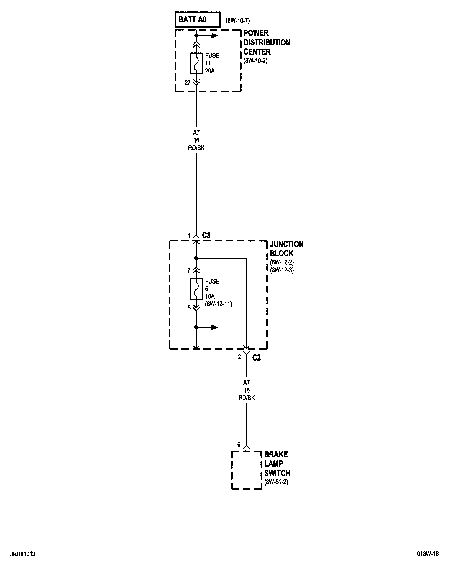
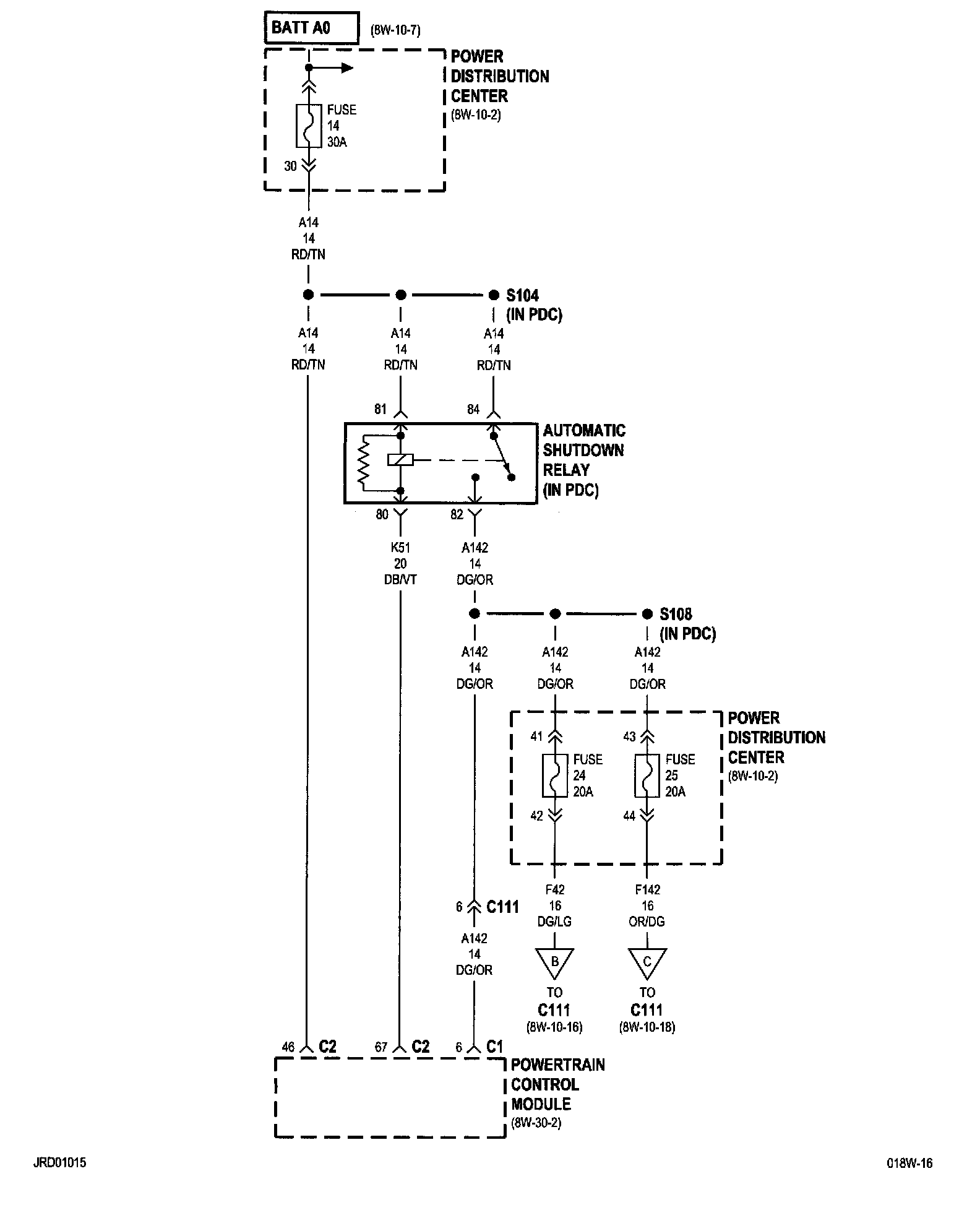
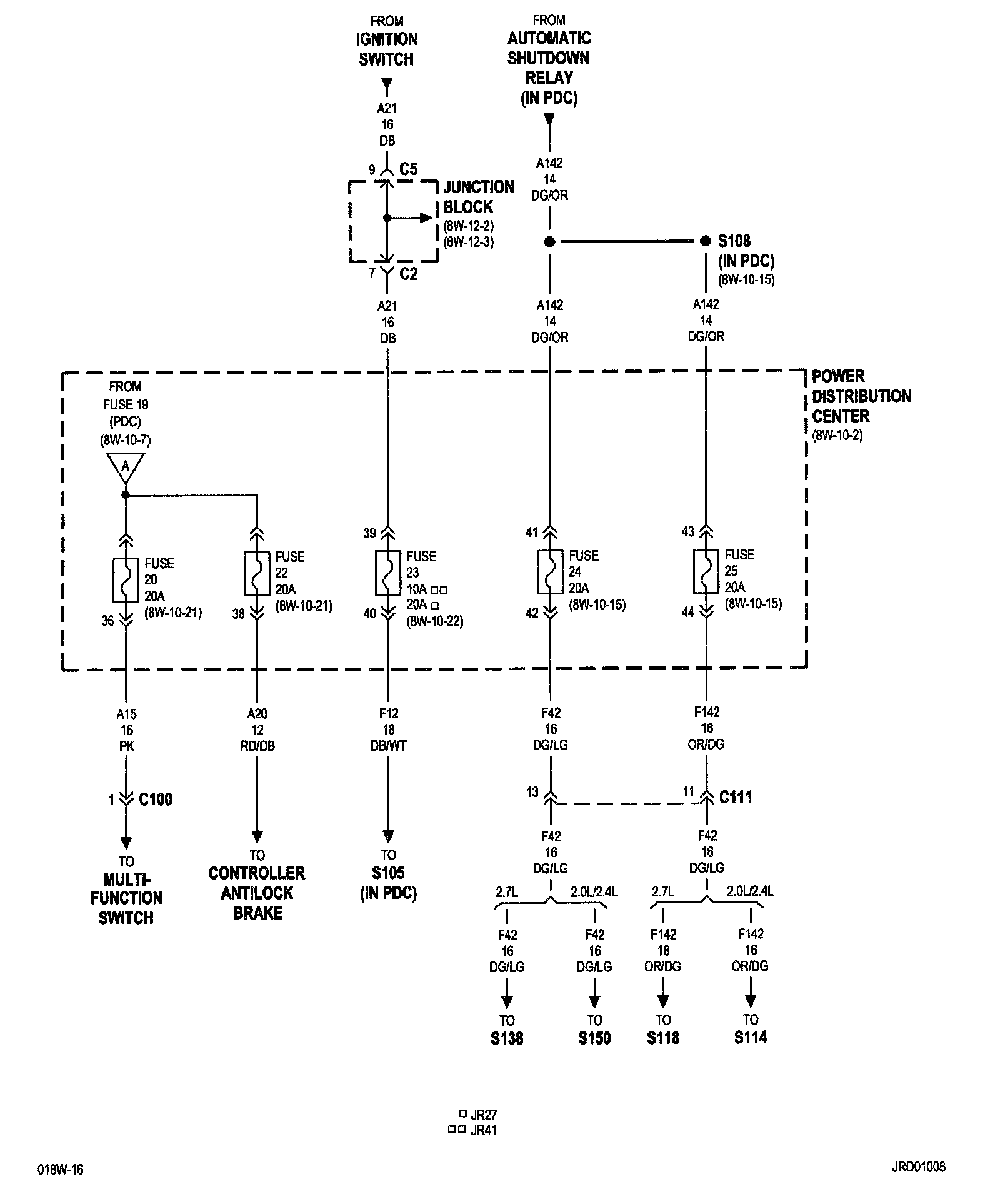
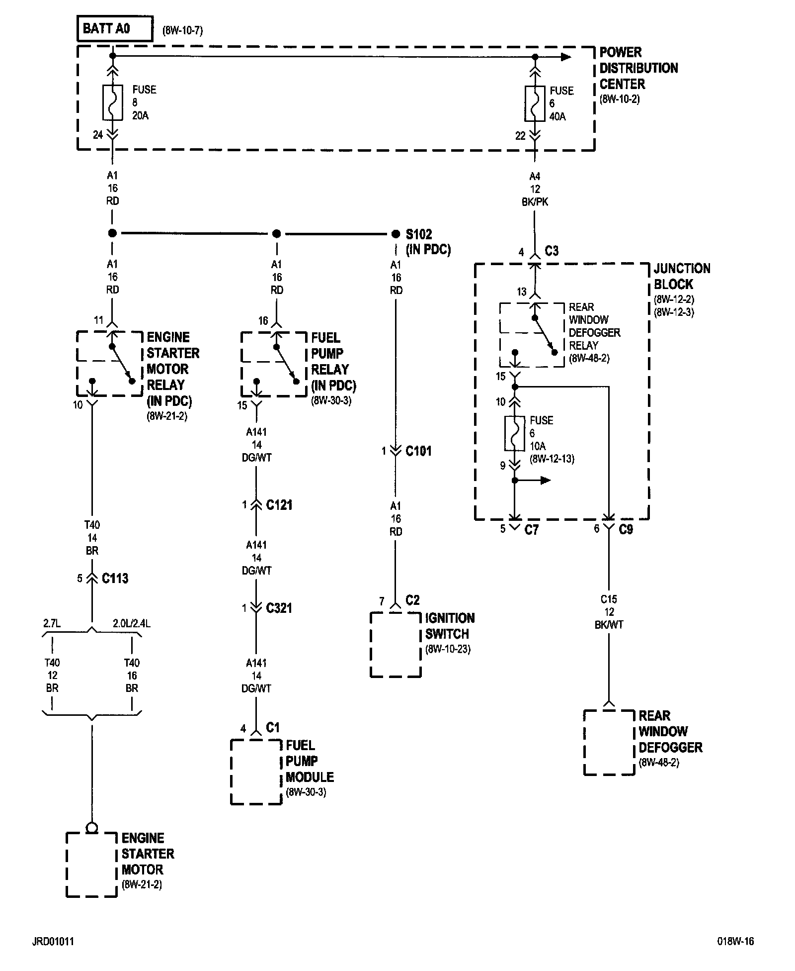
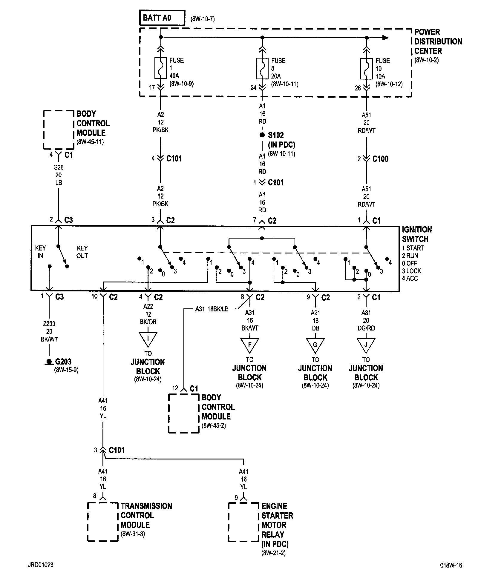
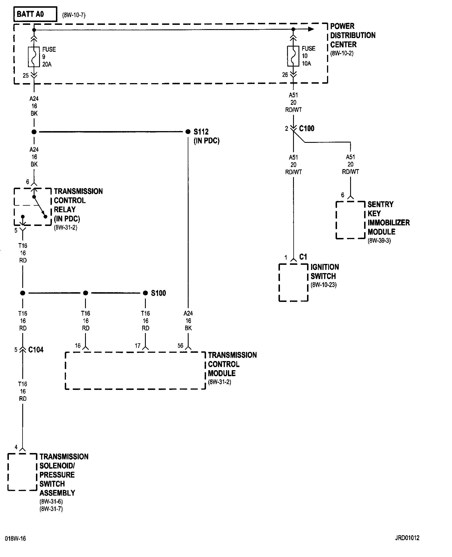
8w-10-7:




8w-10-8:




8w-10-9:




8w-10-10:




8w-10-11:




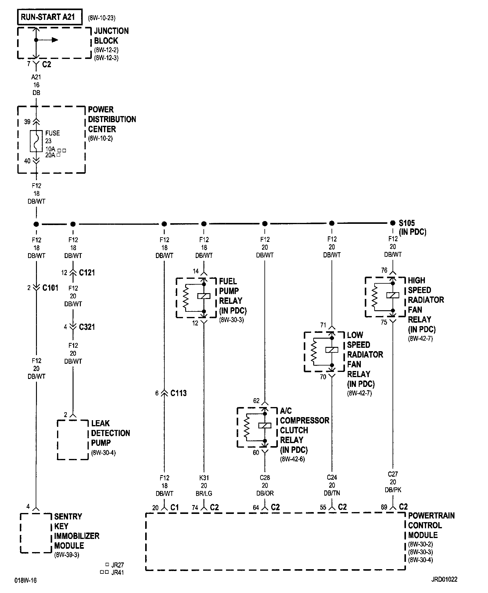
8w-10-12:




8w-10-13:




8w-10-14:




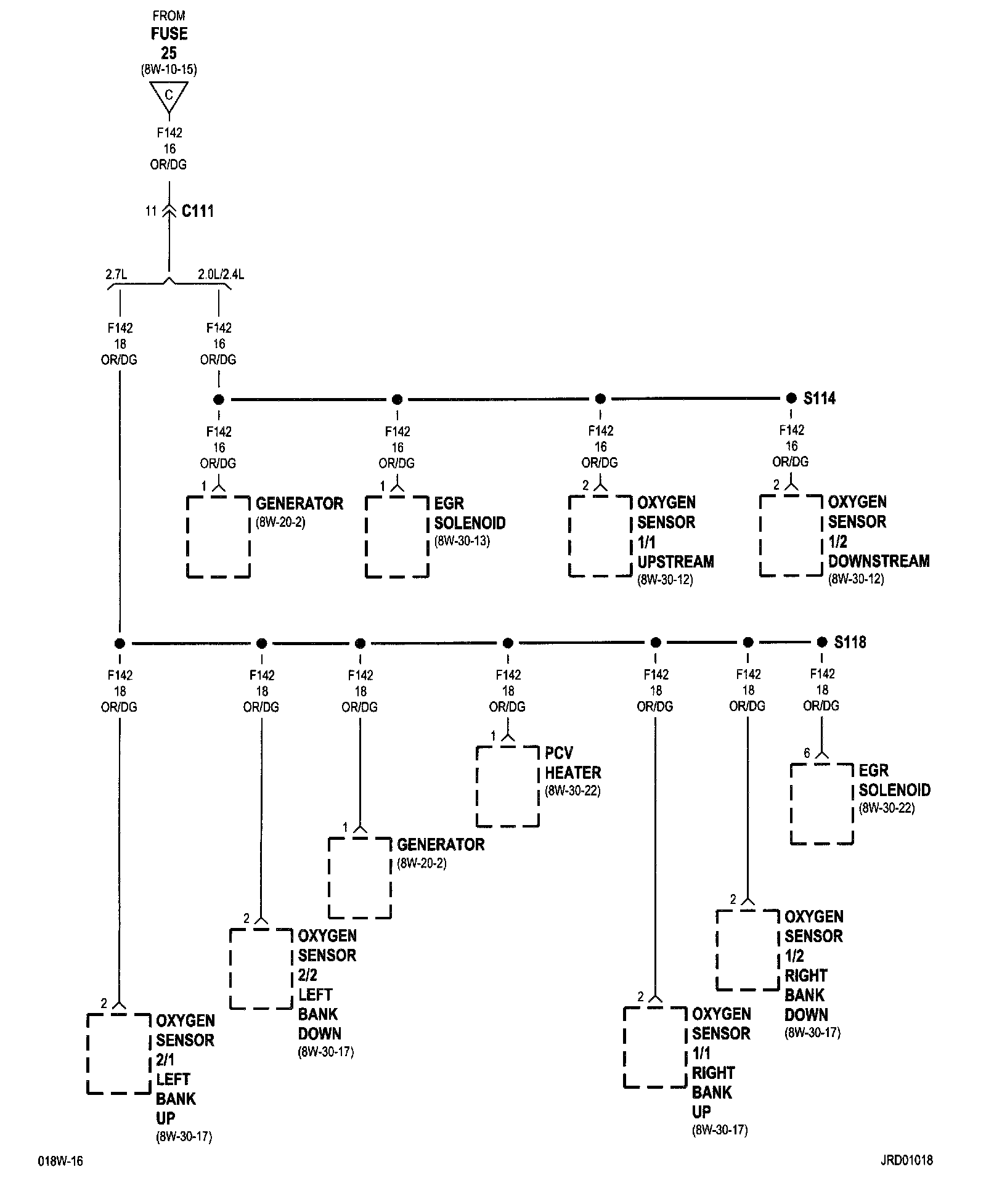
8w-10-15:




8w-10-16:




8w-10-17:




8w-10-18:




8w-10-19:




8w-10-20:




8w-10-21:




8w-10-22:




8w-10-23:




8w-10-24:






NOTE: To view sheets referred to in these diagrams, see Complete Body and Chassis Diagrams Electrical Diagrams