Curiosii for ever!
: Car repair manuals for everyone.
Home
>>
Chrysler
>>
2001
>>
Sebring Convertible V6-2.7L VIN U
>>
Repair and Diagnosis
>>
Diagrams
>>
Electrical Diagrams
>>
Power Locks
>>
System Schematic
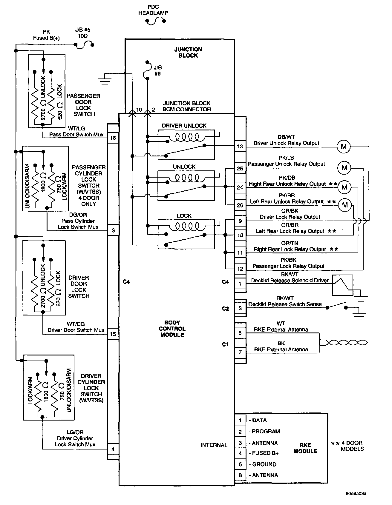
System Schematic
Power Door Locks / RKE: