Curiosii for ever!
: Car repair manuals for everyone.
Home
>>
Chrysler
>>
2001
>>
Neon (CANADA) L4-2.0L
>>
Repair and Diagnosis
>>
Starting and Charging
>>
Starting System
>>
Diagrams
>>
Electrical Diagrams
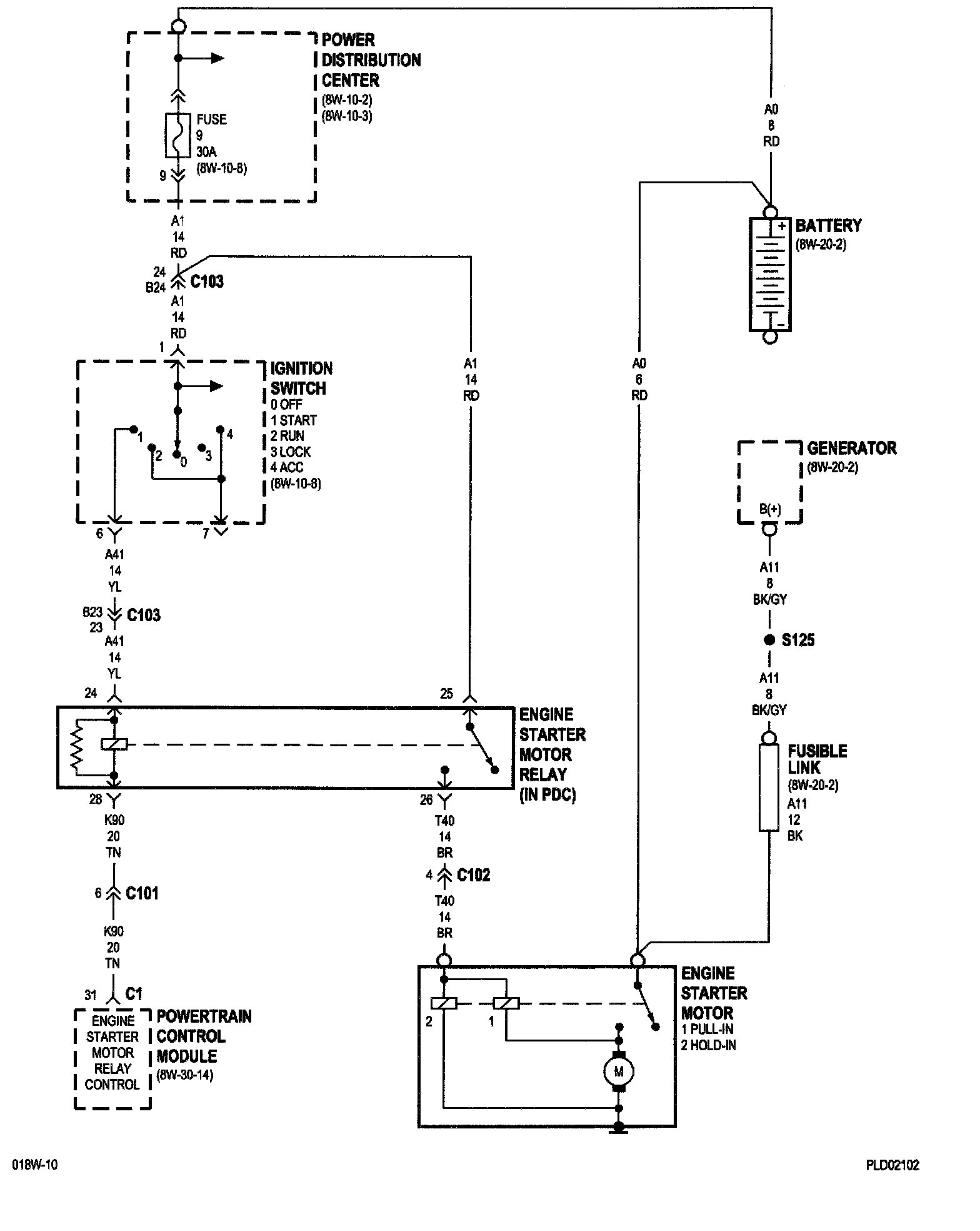
Electrical Diagrams
8w-21-2:
NOTE:
To view sheets referred to in these diagrams, see
Complete Body and Chassis Diagrams
Electrical Diagrams