Curiosii for ever!
: Car repair manuals for everyone.
Home
>>
Chrysler
>>
2001
>>
Intrepid (CANADA) V6-3.2L
>>
Repair and Diagnosis
>>
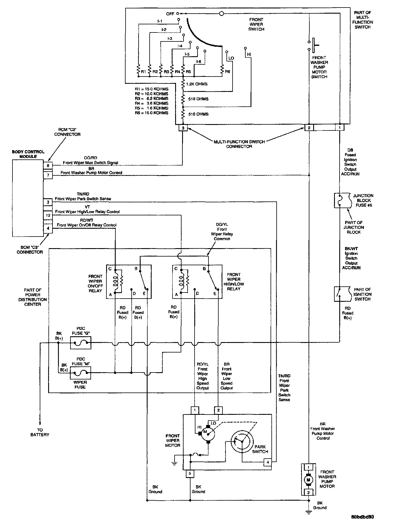
Wiper and Washer Systems
>>
Diagrams
>>
Electrical Diagrams
>>
System Schematics
System Schematics
Wiper System: