Curiosii for ever!
: Car repair manuals for everyone.
Home
>>
Chrysler
>>
2001
>>
Intrepid (CANADA) V6-3.2L
>>
Repair and Diagnosis
>>
Powertrain Management
>>
Transmission Control Systems
>>
Diagrams
>>
Electrical Diagrams
>>
Wiring Diagrams
Wiring Diagrams
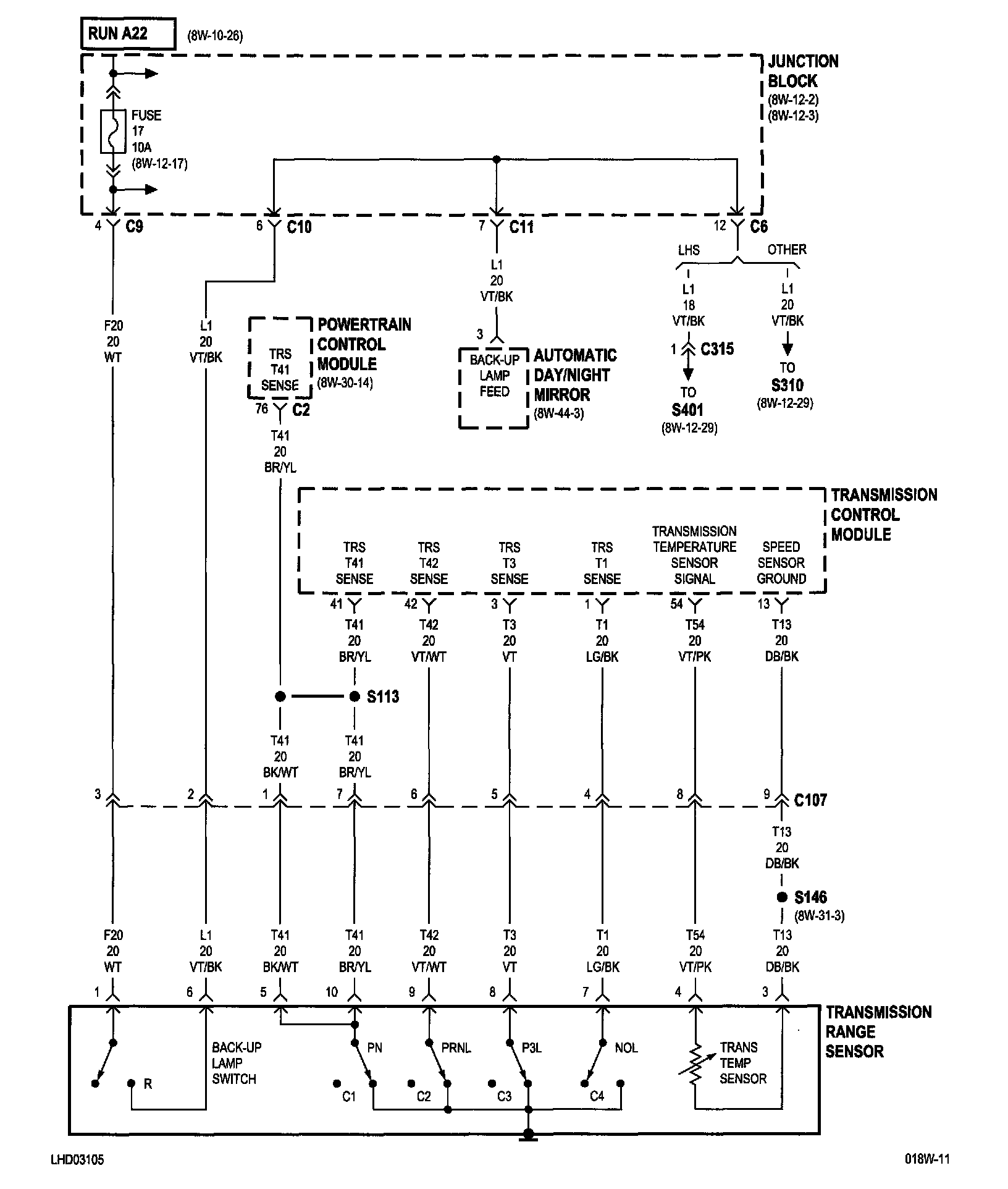
8w-31-2:
���)8w-31-3:
8w-31-4:
8w-31-5:
8w-31-6:
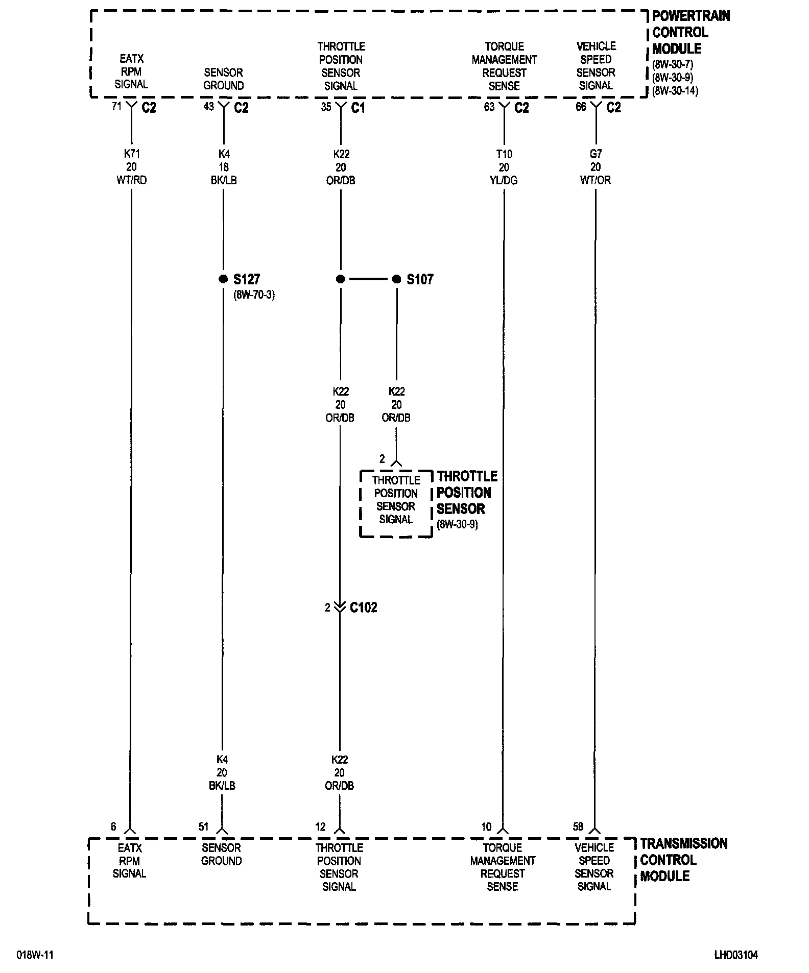
8w-31-7:
8w-31-8:
NOTE:
To view sheets referred to in these diagrams, see
Complete Body and Chassis Diagrams
.
Electrical Diagrams