Curiosii for ever!
: Car repair manuals for everyone.
Home
>>
Chrysler
>>
2001
>>
Intrepid (CANADA) V6-2.7L
>>
Repair and Diagnosis
>>
Diagrams
>>
Electrical Diagrams
>>
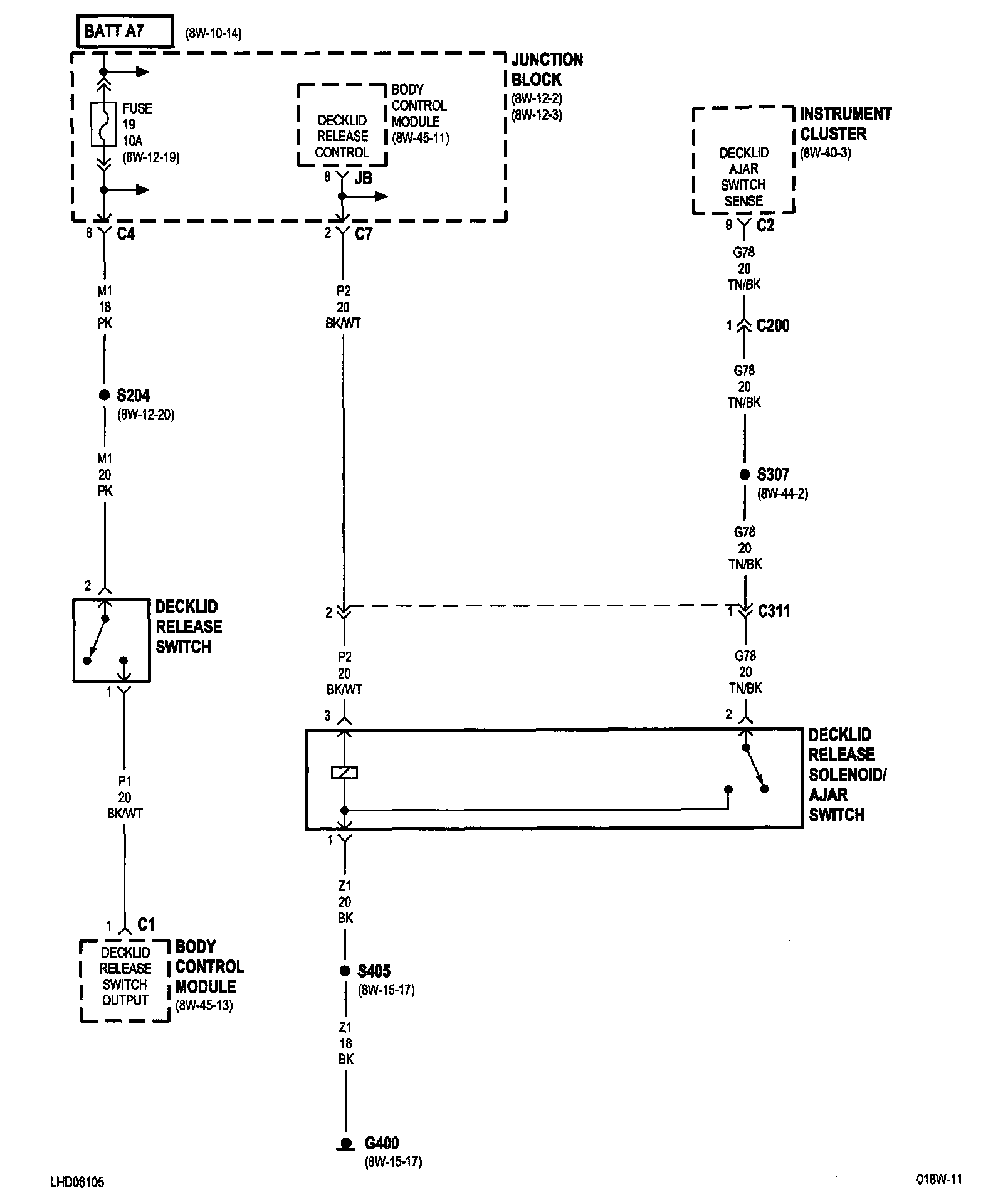
Trunk / Liftgate
Trunk / Liftgate
8w-61-5: