Curiosii for ever!: Car repair manuals for everyone.

Starter Motor: Service and Repair

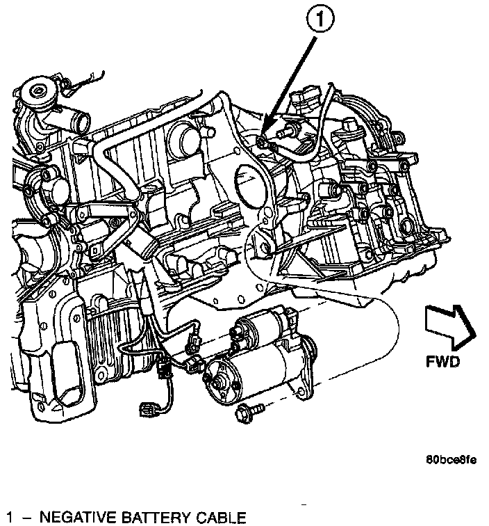
REMOVAL

Battery Negative Cable Remove/Install:




1. Disconnect and isolate the battery negative cable.
2. Raise vehicle on hoist.

Starter Mounting/Location:




3. Remove starter bolts.
4. Remove starter assembly.
5. Disengage latch and remove solenoid connector from starter assembly.
6. Remove battery positive connector from starter assembly. It is not necessary to remove the alternator output lead from the connector.

INSTALLATION
1. Clean corrosion/dirt from the cable and wire terminals before installing wiring to the solenoid.
2. Attach battery positive connector to starter. Ensure alternator output connector is snapped into the battery positive connector. Tighten the captive nut to 10 Nm (90 in. lbs.).

CAUTION: It is critical that the alternator output terminal be connected to the battery positive terminal of the starter solenoid, for proper operation of the charging and cranking systems.

3. Install solenoid connector to starter. Ensure that latch is fully engaged.
4. Position the starter face into transmission housing. Start bottom mounting bolt and thread in until bolt is snug.
5. Attach ground cable to upper starter mounting bolt.
6. Ensure the proper starter alignment before tightening the starter mounting bolts to 54 Nm (40 ft. lbs.) torque.
7. Lower vehicle and connect negative battery cable.