Curiosii for ever!: Car repair manuals for everyone.

Wiring Diagrams

Body Control Module (Part 1 Of 10):




Body Control Module
Fuse 5 (JB)
Fuse 9 (JB)
Fuse 11 (JB)
G201
G301
Ignition Switch
Junction Block
Power Steering Pressure Switch

Body Control Module (Part 2 Of 10):




Airbag Control Module
Body Control Module
Data Link Connector
Instrument Cluster
Powertrain Control Module
Transmission Control Module
Traveler

Body Control Module (Part 3 Of 10):




Body Control Module
Intermittent Wiper Relay
Power Distribution Center
Stop Lamp Switch
Windshield Washer Pump Motor
Windshield Wiper Motor
Wiper High/Low Relay
Wiper Switch

Body Control Module (Part 4 Of 10):




Body Control Module
Dome Lamp
Headlamp Delay Relay
Headlamp Switch
Junction Block

Body Control Module (Part 5 Of 10):




Body Control Module
Clockspring
Fuse 8 (JB)
Fuse 15 (JB)
Headlamp Switch
Horn Relay
Junction Block
Left Horn Switch
Left Park/Turn Signal Lamp
Left Tail/Stop And Turn Signal Lamp Assembly
Radio
Rear Window Defogger Relay
Right Horn Switch
Right Park/Turn Signal Lamp
Right Tail/Stop And Turn Signal Lamp Assembly
Vehicle Speed Control Switch

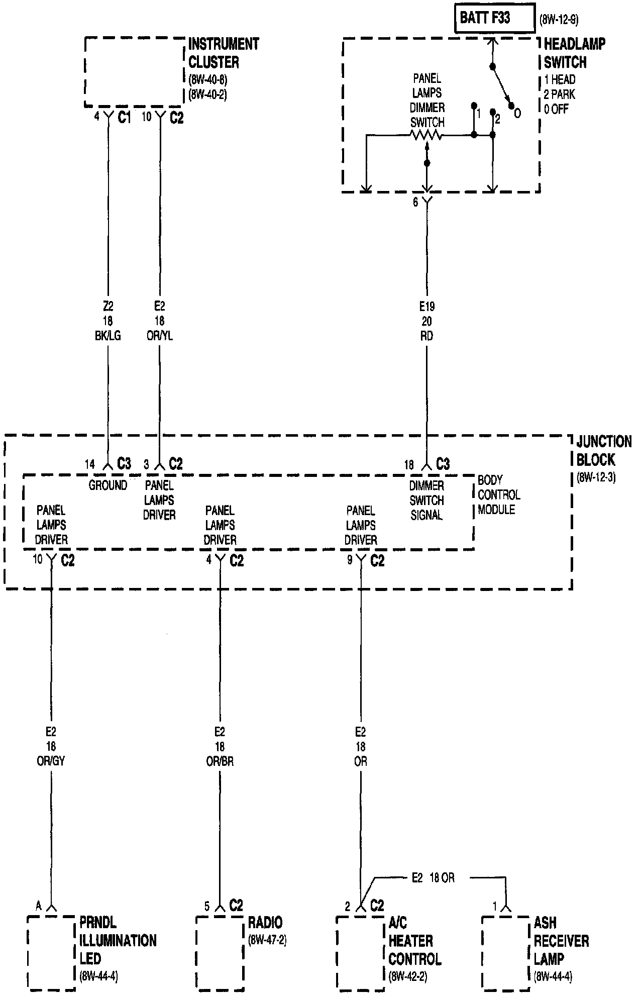
Body Control Module (Part 6 Of 10):




A/C Heater Control
Ash Receiver Lamp
Body Control Module
Instrument Cluster
Junction Block
PRNDL Illumination Led
Radio

Body Control Module (Part 7 Of 10):




A/C Evaporator Temperature Sensor
A/C Heater Control
Body Control Module
Controller Anti-Lock Brake
Mode Door Actuator

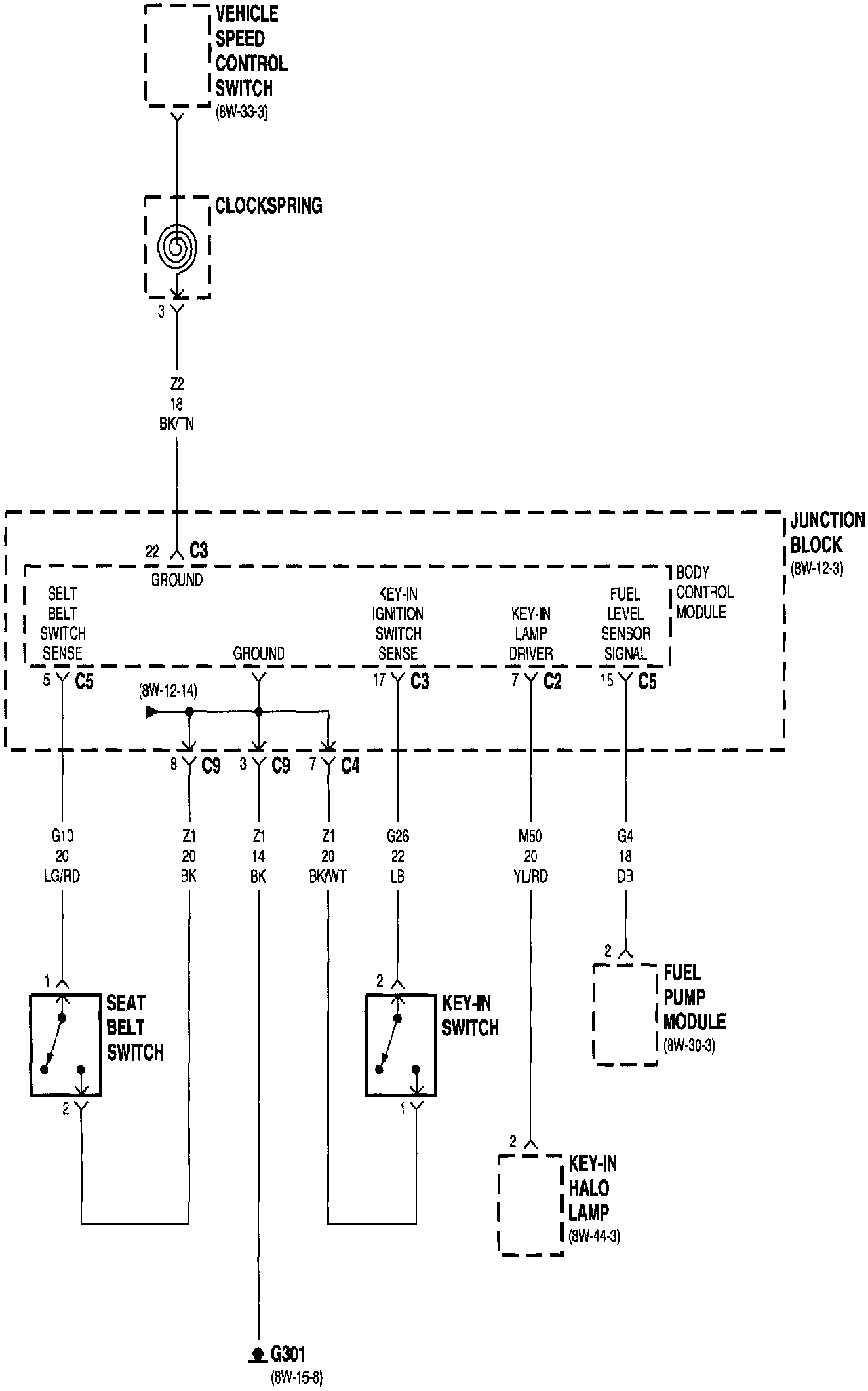
Body Control Module (Part 8 Of 10):




Body Control Module
Clockspring
Fuel Pump Module
G301
Junction Block
Key-In Halo Lamp
Key-In Switch
Seat Belt Switch
Vehicle Speed Control Switch

Body Control Module (Part 9 Of 10):




Body Control Module
Left Front Power Door Lock Motor
Left Front Power Door Lock Switch
Left Rear Power Door Lock Motor
Right Front Power Door Lock Motor
Right Front Power Door Lock Switch
Right Rear Power Door Lock Motor

Body Control Module (Part 10 Of 10):




Body Control Module
Instrument Cluster
Left Front Door Ajar Switch
Left Front Door Arm/Disarm Switch
Left Rear Door Ajar Switch
Left Remote Keyless Entry Antenna
Right Front Door Ajar Switch
Right Front Door Arm/Disarm Switch
Right Rear Door Ajar Switch
Right Remote Keyless Entry Antenna
Trunk Key Cylinder Switch
Vehicle Theft Security System Set Led


NOTE: To view sheets referred in these diagrams, see Diagram Information and Instructions/Complete Body and Chassis Diagrams.