Curiosii for ever!
: Car repair manuals for everyone.
Home
>>
Chrysler
>>
1987
>>
Lebaron Convertible L4-135 2.2L SOHC VIN D TBI
>>
Repair and Diagnosis
>>
Locations
>>
Splice Locations
>>
Logic Module
Logic Module
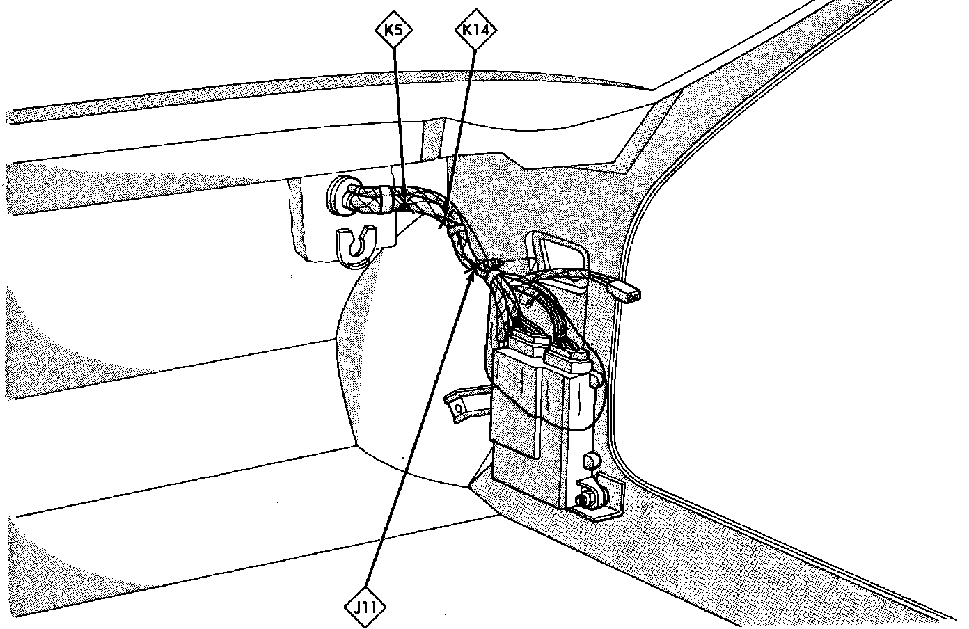
Fig. 78 Splice Locations. Logic Module: