Curiosii for ever!
: Car repair manuals for everyone.
Home
>>
Chrysler
>>
1985
>>
Laser L4-135 2.2L SOHC VIN D TBI
>>
Repair and Diagnosis
>>
Powertrain Management
>>
Computers and Control Systems
>>
Vehicle Speed Sensor
>>
Locations
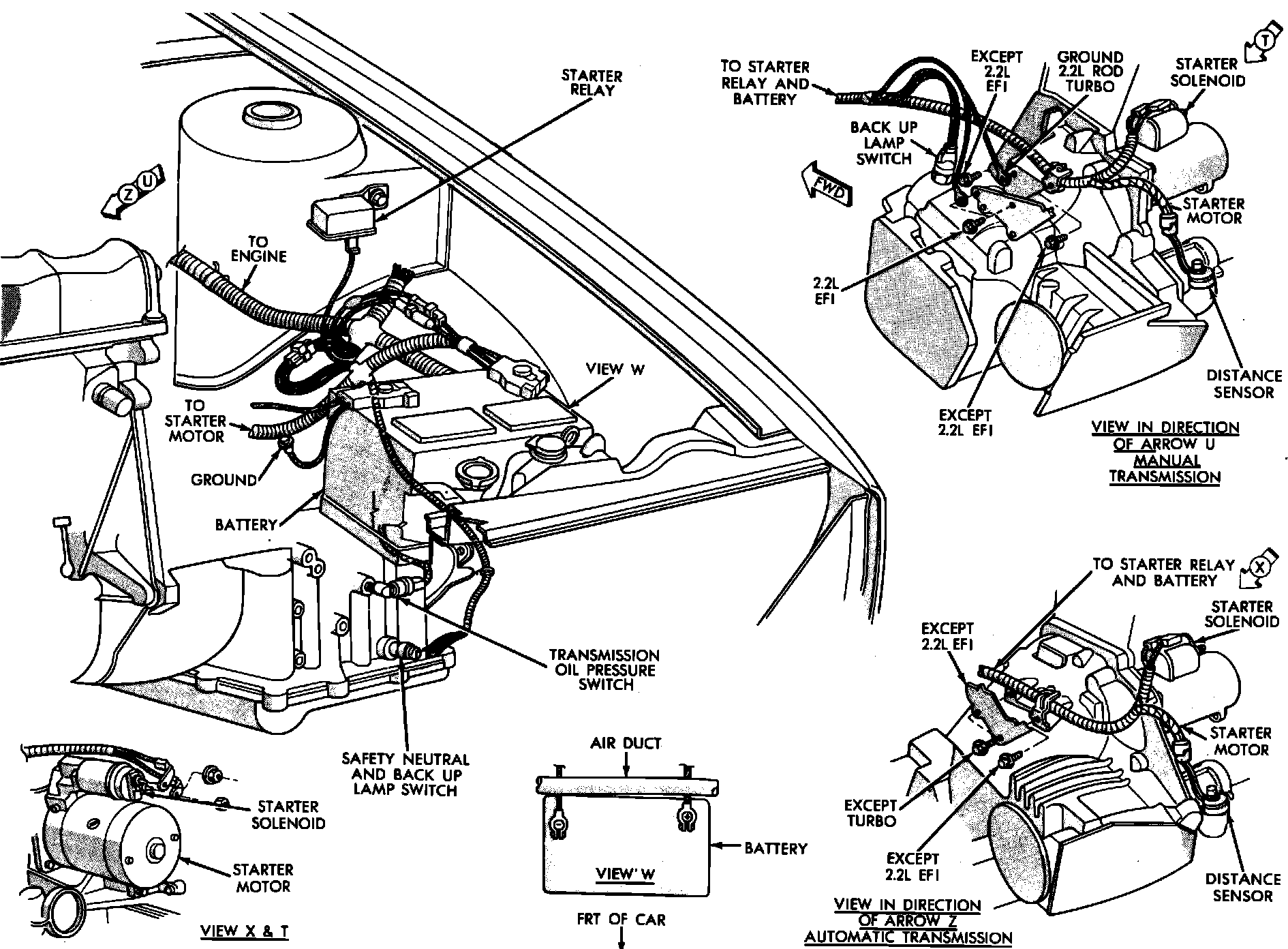
Vehicle Speed Sensor: Locations
LH Front Of Engine Compartment.:
Rear LH Side Of Transmission
Applicable to: 1985