Curiosii for ever!: Car repair manuals for everyone.

Throttle Position Sensor: Service and Repair

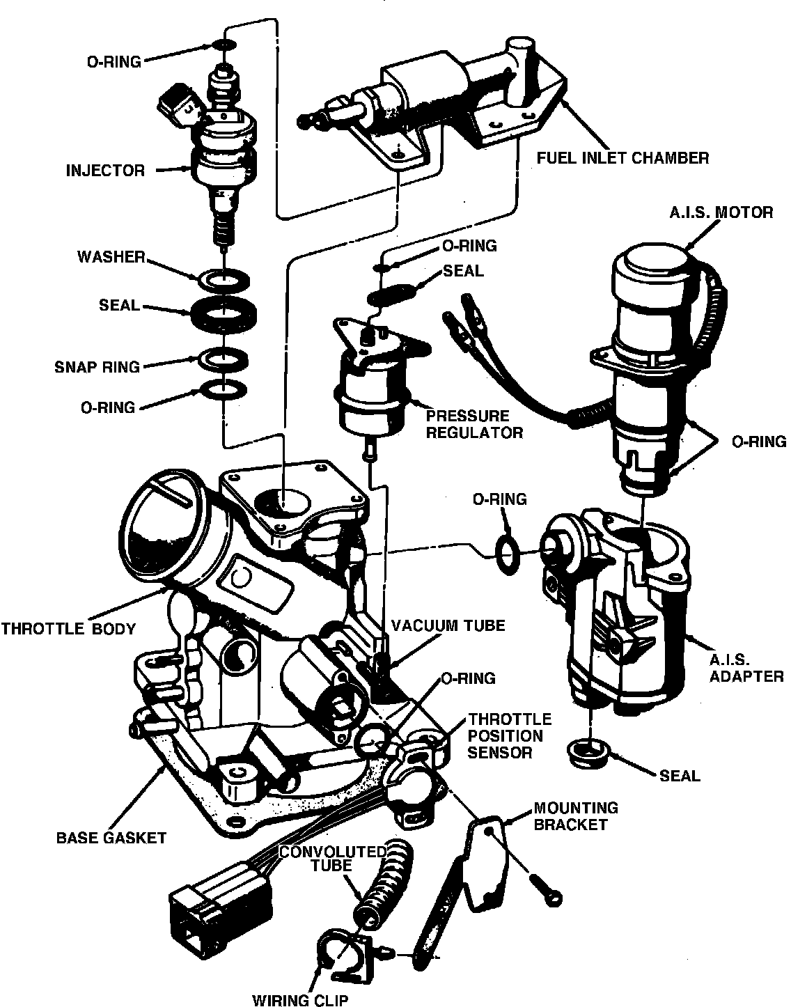
Fig. 4 Exploded view of throttle body assembly:





1. Disconnect battery ground cable.
2. Disconnect 6-way connector at throttle body.
3. Remove TPS-to-throttle body attaching screws.
4. Unfasten wiring clip from convoluted tube, then remove mounting bracket, Fig. 4.
5. Lift TPS off throttle shaft and remove O-ring.
6. Disconnect three TPS wires from convoluted tubing.
7. Lift each locking tab inside 6-way connector with a small screwdriver and remove TPS wire blade terminals. Note position of wires for assembly reference.
8. Reverse procedure to install, using new O-ring. Torque TPS attaching screws to 20 inch lbs.