Curiosii for ever!
: Car repair manuals for everyone.
Home
>>
Chrysler
>>
1983
>>
Lebaron Convertible L4-135 2.2L SOHC
>>
Repair and Diagnosis
>>
Locations
>>
Splice Locations
>>
Engine Compartment Splices
Engine Compartment Splices
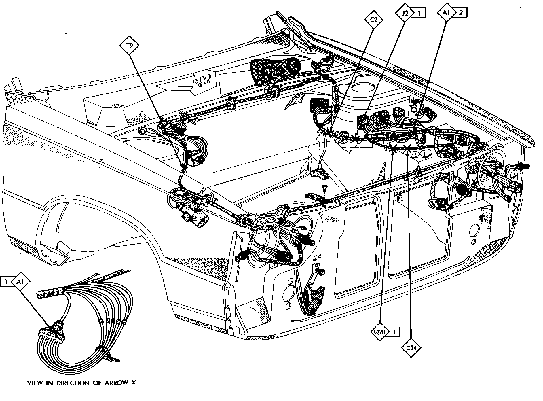
Fig. 134 Engine Compartment Splice Locations. 4-135/2.2L Exc. Fuel Injection: