Curiosii for ever!: Car repair manuals for everyone.

Occupant Restraint Controller - Description






DESCRIPTION





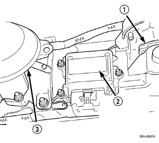
The Occupant Restraint Controller (ORC) (2) is sometimes referred to as the Airbag Control Module (ACM). The ORC is mounted on the tunnel floor pan, between the transmission shifter (3) and parking brake (1).

The ORC contains a microprocessor, the impact sensing device, and energy storage capacitors. The microprocessor contains the airbag system logic. The airbag system logic includes On-Board Diagnostics (OBD) capability, and communicates with the instrument cluster circuitry on the Controller Area Network (CAN) data bus to control the airbag indicator lamp.