Curiosii for ever!
: Car repair manuals for everyone.
Home
>>
Chrysler Truck
>>
2009
>>
PT Cruiser L4-2.4L
>>
Repair and Diagnosis
>>
Powertrain Management
>>
Emission Control Systems
>>
Diagrams
Emission Control Systems: Diagrams
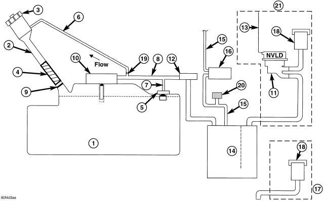
ORVR System Schematic (PZEV)