Gateway Module - Installation
INSTALLATION
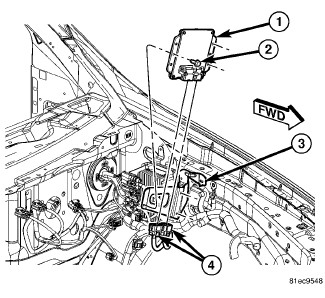
1. Position the Hybrid Gateway Module (HGM) (1) near the Transmission Auxiliary Oil Pump (TAOP) control module mounting bracket (3) that is secured to the left hydro form (frame rail) near the back of the left front wheel house in the engine compartment.
2. Reconnect the two headlamp and dash wire harness connectors (4) to the HGM connector receptacles located on the forward facing side of the module.
3. Position the HGM to the TAOP control module mounting bracket.
4. Install and tighten the three screws (2) that secure the HGM to the mounting bracket. Tighten the screws securely.
5. Reinstall the Power Distribution Center (PDC) onto the PDC mounting bracket on the left hydro form over the left front wheel house in the engine compartment. Be certain that each of the PDC latches is fully engaged with the mounting bracket.
6. Reconnect the battery negative cable. A technician trained in proper Hybrid Electric Vehicle (HEV) service safety procedures must also reinstall the high voltage service disconnect into the high voltage battery pack.