Curiosii for ever!: Car repair manuals for everyone.

Wheel Alignment






WHEEL ALIGNMENT

PRE-WHEEL ALIGNMENT INSPECTION

CAUTION: If during the inspection the front suspension crossmember shows any sign of impact damage, the steering column lower coupling must be inspected.

Before any attempt is made to change or correct the wheel alignment, the following inspection and necessary corrections must be made to the vehicle to ensure proper alignment.

1. Verify the fuel tank is full of fuel. If the fuel tank is not full, the reduction in weight will affect the curb height of the vehicle and the alignment specifications.
2. The passenger and luggage compartments of the vehicle should be free of any load that is not factory equipment.
3. Check the tires on the vehicle. The tires are to be inflated to the recommended air pressure. All tires must be the same size and in good condition with approximately the same tread wear.
4. Check the front tire and wheel assemblies for excessive radial runout.
5. Inspect all suspension component fasteners for looseness and proper torque.
6. Inspect the lower front ball joints and all steering linkage for looseness and any sign of wear or damage.
7. Inspect the rubber bushings on all the suspension components for signs of wear or deterioration. If any bushings show signs of wear or deterioration, they should be replaced prior to aligning the vehicle.
8. Check vehicle curb height to verify it is within specifications.

WHEEL ALIGNMENT SETUP

1. Position the vehicle on an alignment rack.
2. Install all required alignment equipment on the vehicle, per the alignment equipment manufacturer's instructions. On this vehicle, a four-wheel alignment is recommended.

NOTE: Prior to reading the vehicle's alignment readouts, the front and rear of vehicle should be jounced. Induce jounce (rear first, then front) by grasping the center of the bumper and jouncing each end of vehicle an equal number of times. The bumper should always be released when vehicle is at the bottom of the jounce cycle.

3. Read the vehicle's current front and rear alignment settings. Compare the vehicle's current alignment settings to the vehicle specifications for camber, caster and toe-in.

REAR CAMBER AND TOE

Rear camber and rear toe settings on this vehicle are determined at the time the vehicle is designed, by the location of the vehicle's suspension components. This is referred to as Net Build. The result is no required adjustment of camber and toe after the vehicle is built or when servicing the suspension components. Thus, when performing a wheel alignment, rear camber and toe are not normally considered adjustable angles. Although not normally considered adjustable, rear camber and toe can be changed when necessary through the use of specially designed shims. To install shims, use the following procedure.

1. Raise the vehicle until its tires are off the floor or alignment rack.
2. Remove the tire and wheel assembly.
3. Access the spindle mounting bolts following the Spindle Removal procedure found in Rear Suspension.
4. Loosen the four spindle mounting bolts just enough to slide the adjustment shim in between the spindle and the axle mounting flange.

NOTE: Each shim is 0.010 in. (0.254 mm) thick. Do not place more than two shims at any one spindle.

5. Hook the shim on the mounting bolts utilizing the slots cut into the shim. Refer to the following list for shim placement:
- To achieve more positive camber, place the shim across the two upper mounting bolts.
- To achieve more negative camber, place the shim across the two lower mounting bolts.
- To achieve more positive toe, place the shim across the two rearward mounting bolts.
- To achieve more negative toe, place the shim across the two forward mounting bolts.

6. Tighten the four mounting bolts to 95 Nm (70 ft. lbs.).
7. Reassemble the rear brake following the Spindle Installation procedure found in Rear Suspension.
8. Reinstall the tire and wheel assembly. Tighten the wheel mounting nuts to 135 Nm (100 ft. lbs.).
9. Lower the vehicle.
10. Once rear camber and toe have been set to specifications, check and adjust the front wheel alignment as necessary. Refer to FRONT CAMBER AND CASTER and FRONT TOE within this wheel alignment service procedure.

FRONT CAMBER AND CASTER

Front camber and caster settings on this vehicle are determined at the time the vehicle is designed, by the location of the vehicle's suspension components. This is referred to as Net Build. The result is no required adjustment of camber and caster after the vehicle is built or when servicing the suspension components. Thus, when performing a wheel alignment, caster and camber are not normally considered adjustable angles. Camber and caster should be checked to ensure they meet vehicle specifications.

If front camber is found not to meet alignment specifications, it can be adjusted using an available camber adjustment bolt package. Before installing a camber adjustment bolt package on a vehicle found to be outside the specifications, inspect the suspension components for any signs of damage or bending.

No adjustment can be made to the caster setting on this vehicle. If the vehicle's caster is not within alignment specifications, check for damaged suspension components or body parts.

CAUTION: Do not attempt to adjust the vehicles wheel alignment by heating or bending any of the suspension components.

CAMBER ADJUSTMENT BOLT PACKAGE INSTALLATION

The camber adjustment bolt package contains new bolts and nuts for attaching the strut clevis bracket to the steering knuckle. The bolts contained in the package are slightly undersize allowing for movement between the strut clevis bracket and the steering knuckle. The movement allowed by the undersize bolts provide approximately two degrees of camber adjustment per side of the vehicle. To install and adjust the camber adjustment bolt package, follow the procedure below.

1. Raise the vehicle until its tires are not supporting the weight of the vehicle.




2. Remove the wheel mounting nuts (3), then the front tire and wheel assembly.

CAUTION: The knuckle-to-strut assembly bolt shanks are serrated and must not be turned during removal. Remove the nuts while holding the bolts stationary, then tap the bolts out using a punch.




3. Remove the original upper bolt (2) and nut (6) attaching the strut clevis bracket (1) to the knuckle (4).
4. Install a bolt from the adjustment package into the hole where the original bolt was removed. Install the bolt from the front.
5. Install a nut provided in adjustment package on the replacement bolt. Tighten the nut until it's snug, but still allows the knuckle to slide in the clevis bracket.




6. Remove the original lower bolt (3) and nut (5) attaching the strut clevis bracket (1) to the knuckle (4).
7. Install a bolt from the adjustment package into the bottom hole of the strut clevis bracket. Install the bolt from the front.
8. Install a nut provided in adjustment package on the replacement bolt. Tighten the nut until it's snug, but still allows the knuckle to slide in the clevis bracket.




9. Install the tire and wheel assembly (1). Install and tighten the wheel mounting nuts (3) to 135 Nm (100 ft. lbs.).
10. Perform the above procedure to opposite strut as required.
11. Lower the vehicle and jounce the front and rear of the vehicle.
12. Adjust the front camber to the preferred setting by pushing or pulling on the top of the tire. When camber is set to specifications, tighten the upper and lower strut clevis bracket bolts. Again jounce the front and rear of the vehicle, then verify the camber settings.
13. Torque front strut clevis bracket-to-steering knuckle attaching bolts to a torque of 163 Nm (120 ft. lbs.).
14. Once camber is within specifications, adjust toe to meet the preferred specification setting. Refer to FRONT TOE within this wheel alignment service procedure.

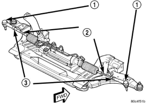
FRONT TOE

1. Center the steering wheel and lock it in place using a steering wheel clamp.

CAUTION: Do not twist the inner tie rod-to-steering gear rubber boots while turning the inner tie rod during the front toe adjustment.




2. Loosen the tie rod adjusting jam nuts (3). Grasp each inner tie rod at its splines (2) and rotate it one way or the other until the front wheel toe is set to the preferred specification.
3. Tighten tie rod adjusting jam nuts to of 75 Nm (55 ft. lbs.).
4. Make sure the inner tie rod-to-steering gear rubber boots are not twisted. If twisted, loosen the boot clamp at the inner tie rod and move the boot as necessary.
5. Remove the steering wheel clamp.
6. Remove the alignment equipment.
7. Road test the vehicle to verify the steering wheel is straight and the vehicle does not pull or wander.