Curiosii for ever!: Car repair manuals for everyone.

41TE Automatic Transaxle

TRANSMISSION RANGE SENSOR

REMOVAL
The valve body assembly must be removed to gain access to and replace the transmission range sensor.





1. Disconnect the battery cables.
2. Remove air cleaner assembly (1).





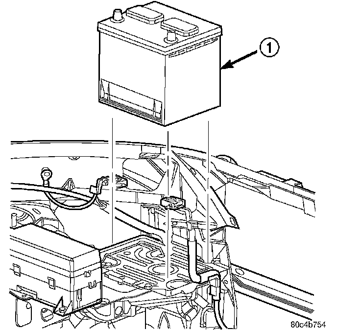
3. Remove the battery hold down clamp and remove the battery (1).





4. Remove the battery tray (1).





5. Disconnect gearshift cable (1)from manual valve lever(2).
6. Remove manual valve lever.
7. Disconnect transmission range sensor connector.
8. Hoist vehicle.





9. Remove oil pan bolts (1).





10. Remove oil pan (1).





11. Remove oil filter (1).





12. Remove the valve body-to-transaxle case bolts (1).





13. Remove park rod rollers (1) from guide bracket (2)and remove valve body from transaxle.





14. NOTE: To ease removal of the valve body (1), turn the manual valve lever fully clockwise to low or first gear.

CAUTION: The valve body manual shaft pilot may distort and bind the manual valve if the valve body is mishandled or dropped.





15. Remove manual shaft seal (2).





16. Remove TRS retaining screw (3).





17. Slide Transmission Range Sensor (1) up the manual shaft and remove.

INSTALLATION





The valve body assembly (2) must be removed to gain access to and replace the transmission range sensor (1).

1. Install transmission range sensor (1).





2. Tighten retaining screw (3) to 5 Nm (45 inch lbs.).





3. Install manual shaft seal (1).





4. Guide park rod rollers (1) into guide bracket (3) while installing valve body to the transaxle case.





5. Install the valve body-to-case bolts (1)and torque to 12 Nm (105 inch lbs.).





6. Install the oil filter (1). Inspect the o-ring (2) for damage and replace as necessary.





7. Install an 1/8� bead of RTV (2)and install pan (1) to case.





8. Install oil pan bolts (1) and torque to 19 Nm (165 inch lbs.) torque.
9. Lower vehicle.
10. Connect transmission range sensor connector.
11. Install manual valve lever to manual valve.





12. Install gear shift cable (1) to manual valve lever (2).





13. Install the battery tray (1).





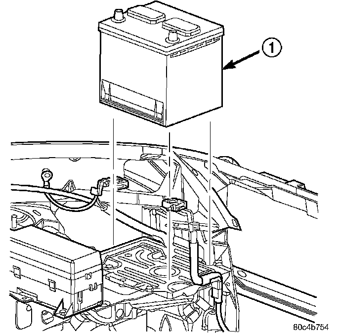
14. Install the battery (1) and hold down clamp.





15. Install air cleaner assembly (1).
16. Connect battery cables.
17. Fill transaxle with ATF+4 (Automatic Transmission Fluid-Type 9602).