Electrical Diagrams
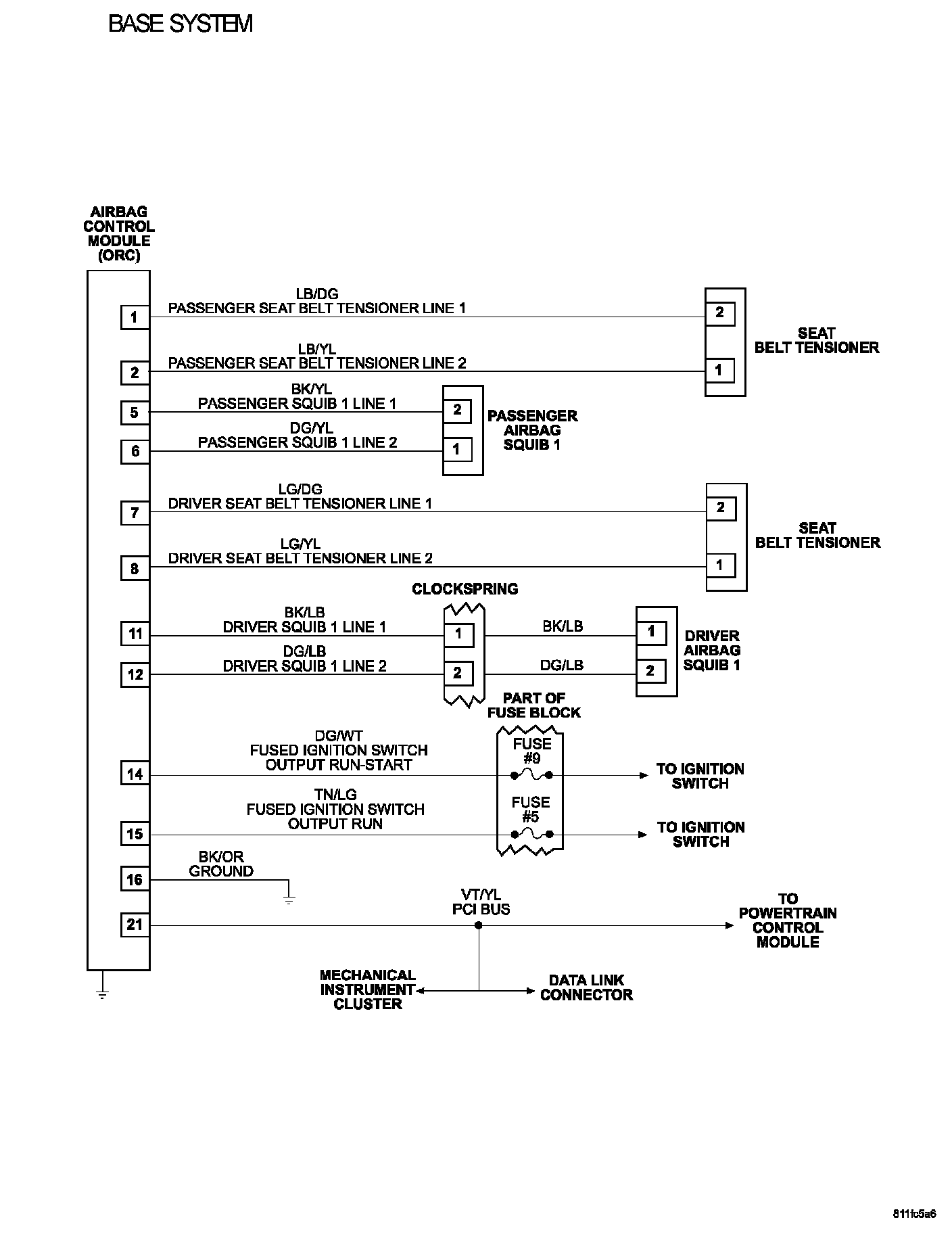
Airbag Base System:
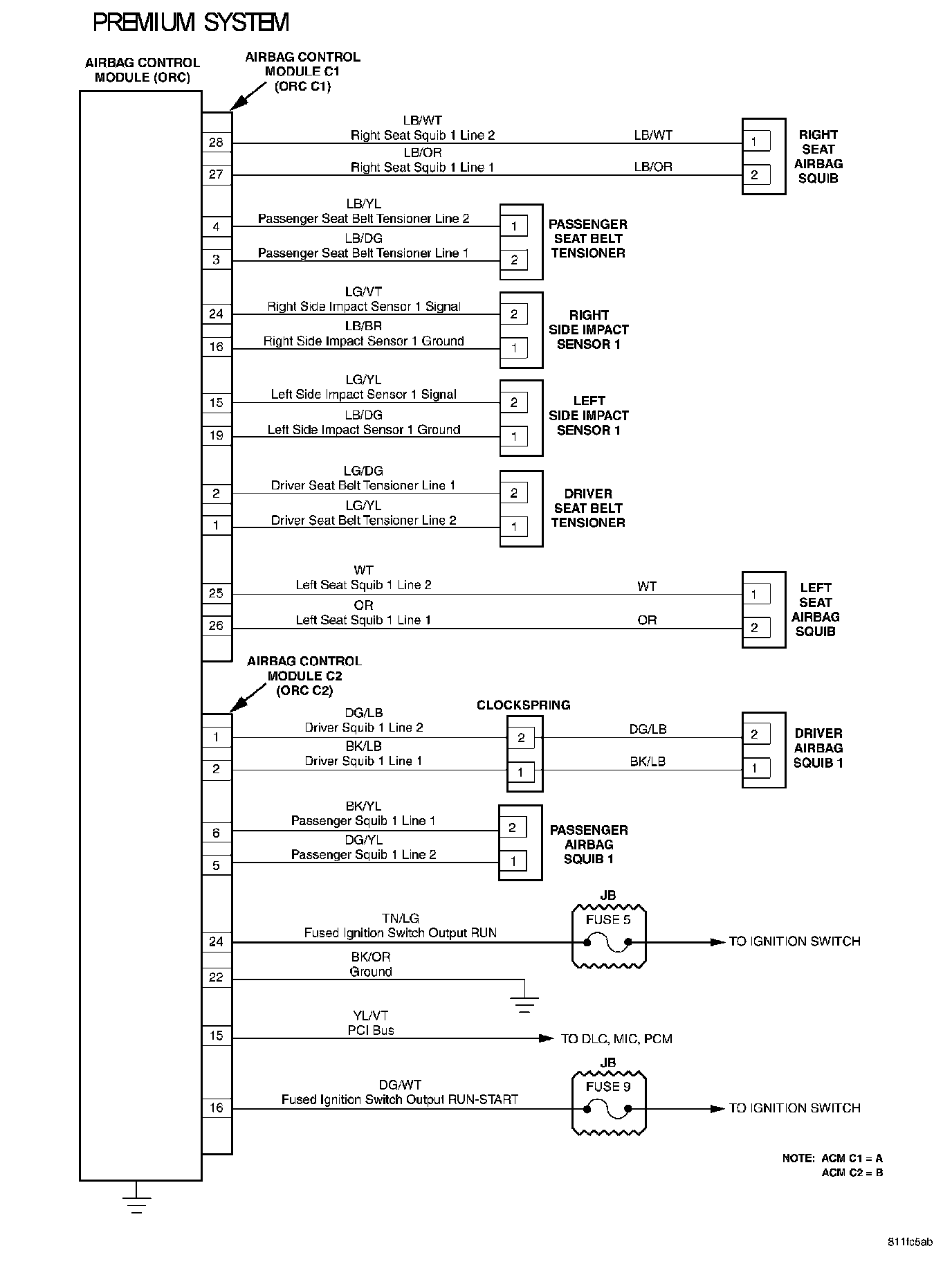
Airbag Premium System:
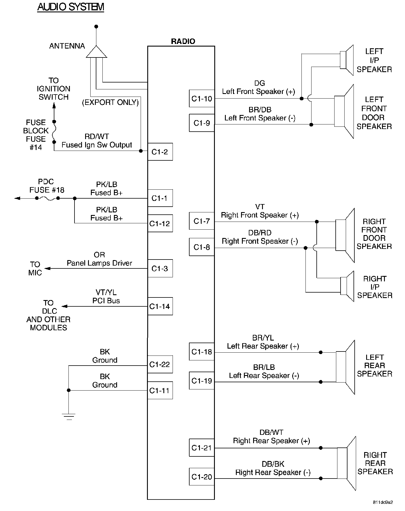
Audio System:
Satellite Digital Audio Receiver System (SDARS):
Satellite Digital Audio Receiver System (SDARS) Equipped With Hands Free Module (HFM):
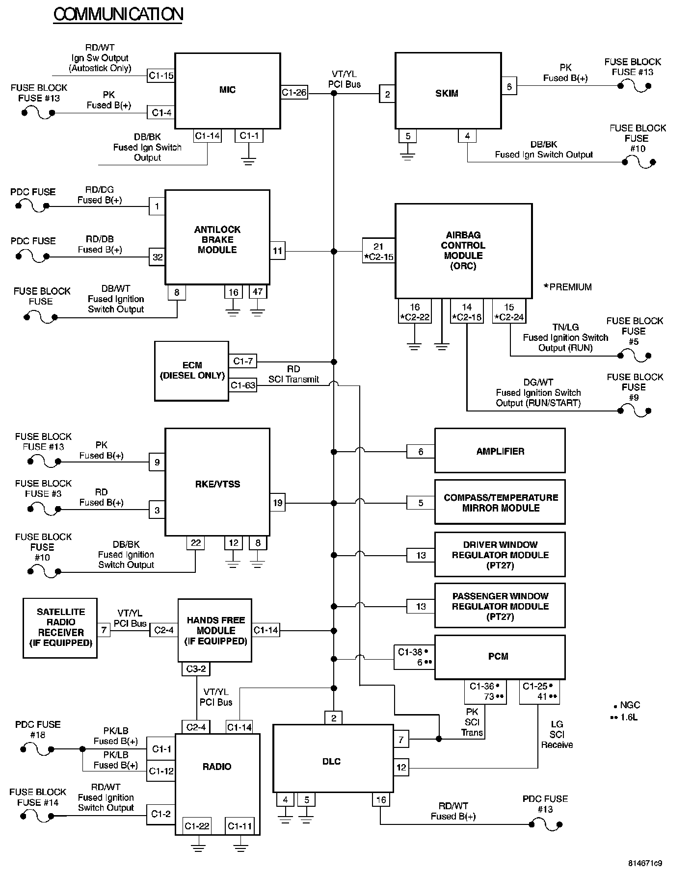
Communication:
Compass/Temperature Module:
Compass/Temperature Mirror Module (PT27):
Instrument Cluster:
Interior Lighting:
Power Door Locks PT44:
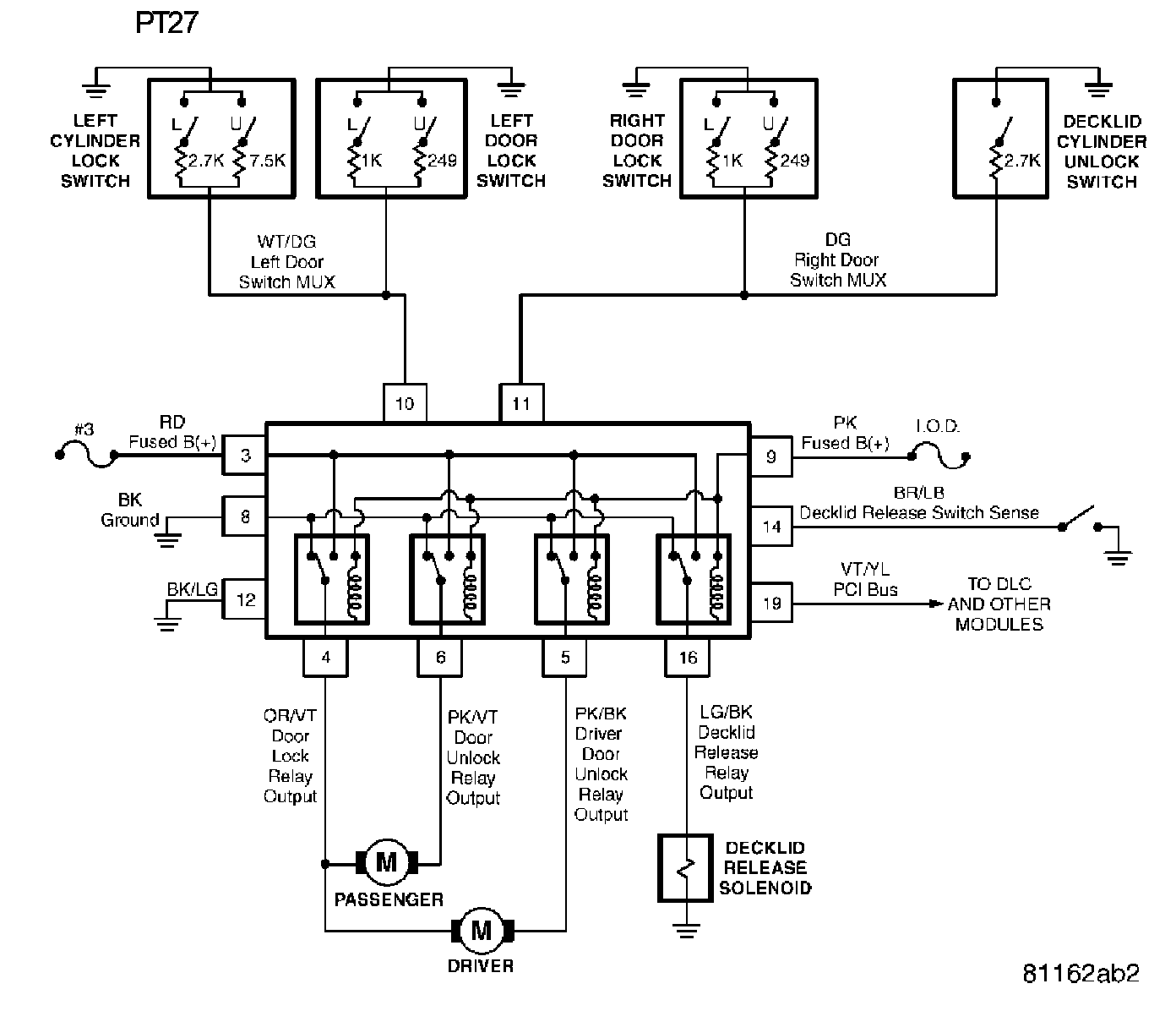
Power Door Locks PT27:
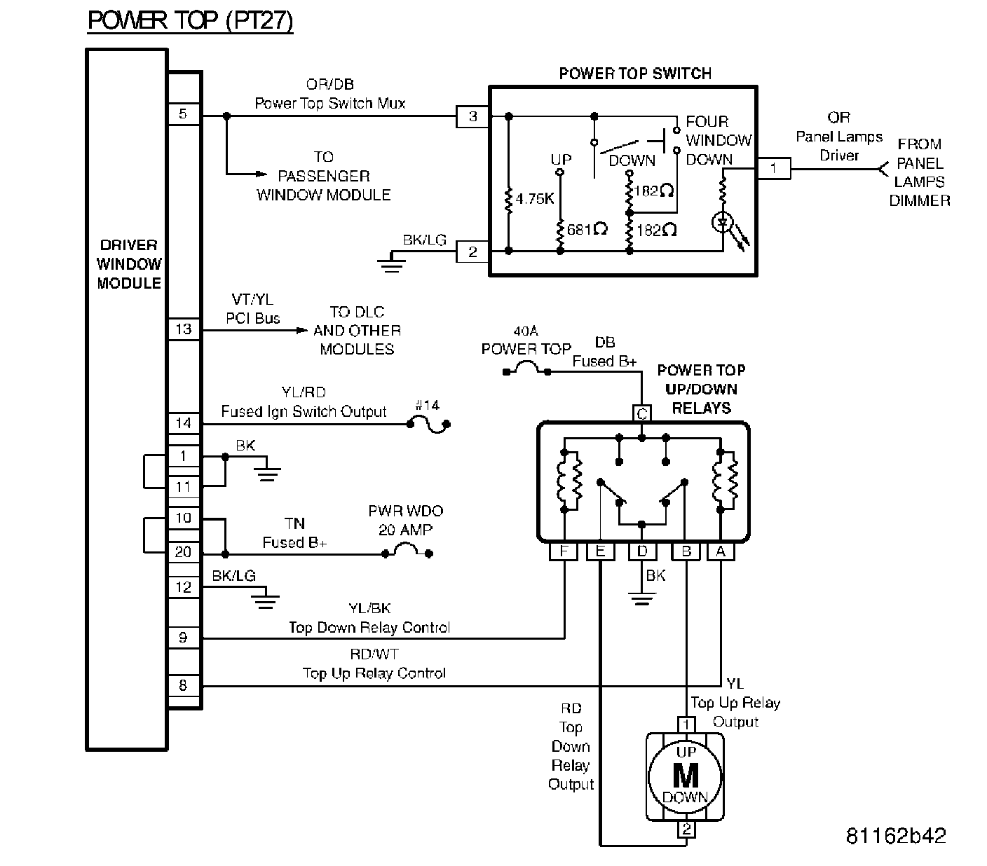
Power Top (PT27):
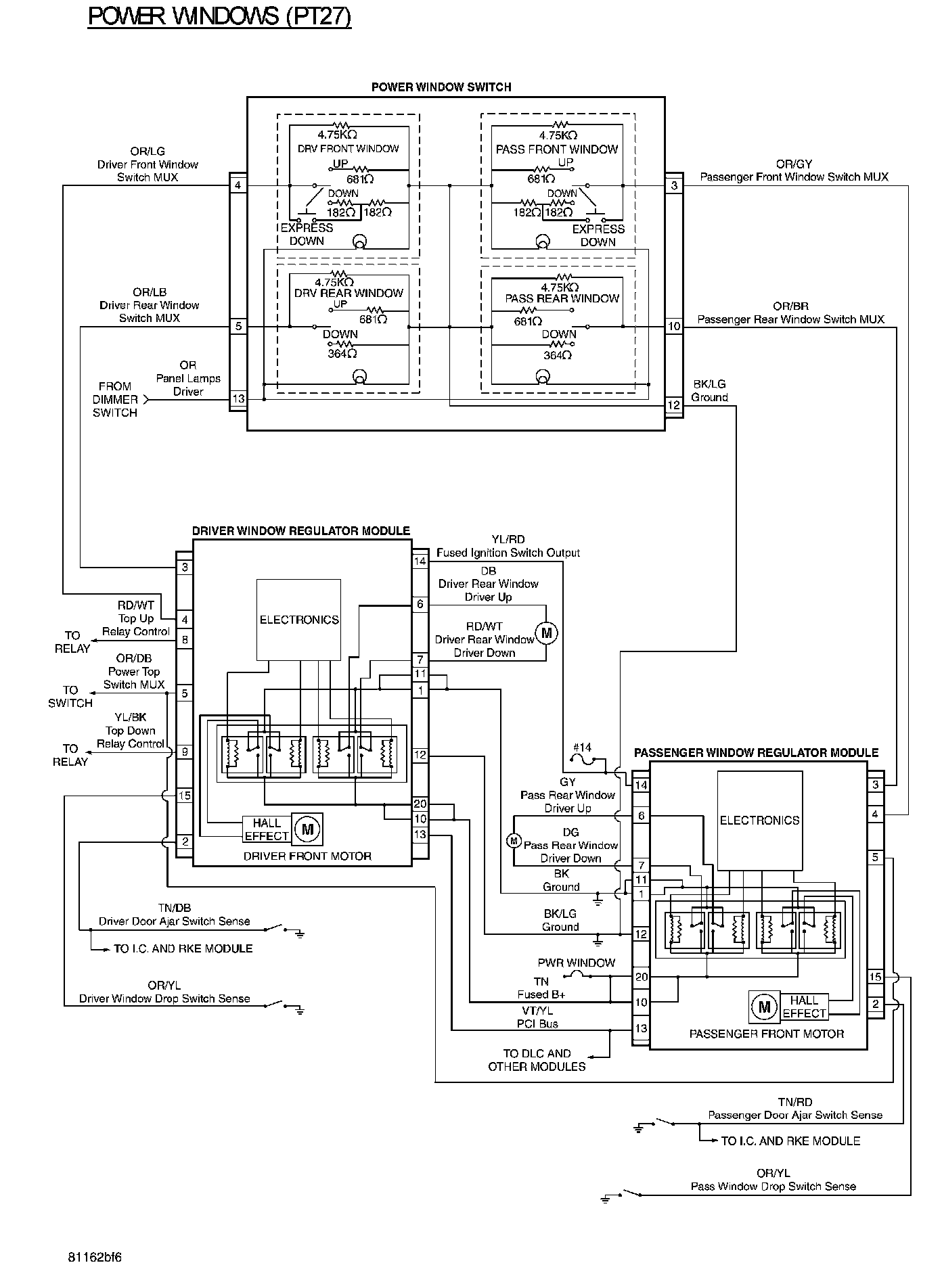
Power Windows (PT27):
Telecommunications - Hands Free Module (HFM):
Vehicle Theft Security System: