Curiosii for ever!
: Car repair manuals for everyone.
Home
>>
Chrysler Truck
>>
2002
>>
PT Cruiser L4-2.4L VIN B
>>
Repair and Diagnosis
>>
Diagrams
>>
Electrical Diagrams
>>
Powertrain Management
>>
Computers and Control Systems
>>
Engine Control Module
>>
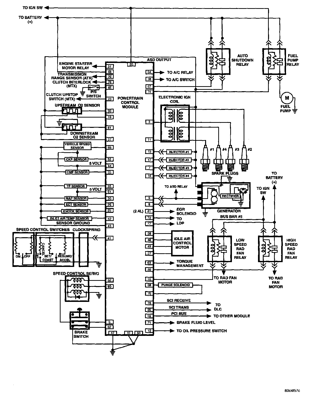
System Schematic
System Schematic
2002 PT 2.0L And 2.4L Engines: