Curiosii for ever!
: Car repair manuals for everyone.
Home
>>
Chrysler Truck
>>
2002
>>
PT Cruiser L4-2.4L VIN B
>>
Repair and Diagnosis
>>
Diagrams
>>
Connector Views
>>
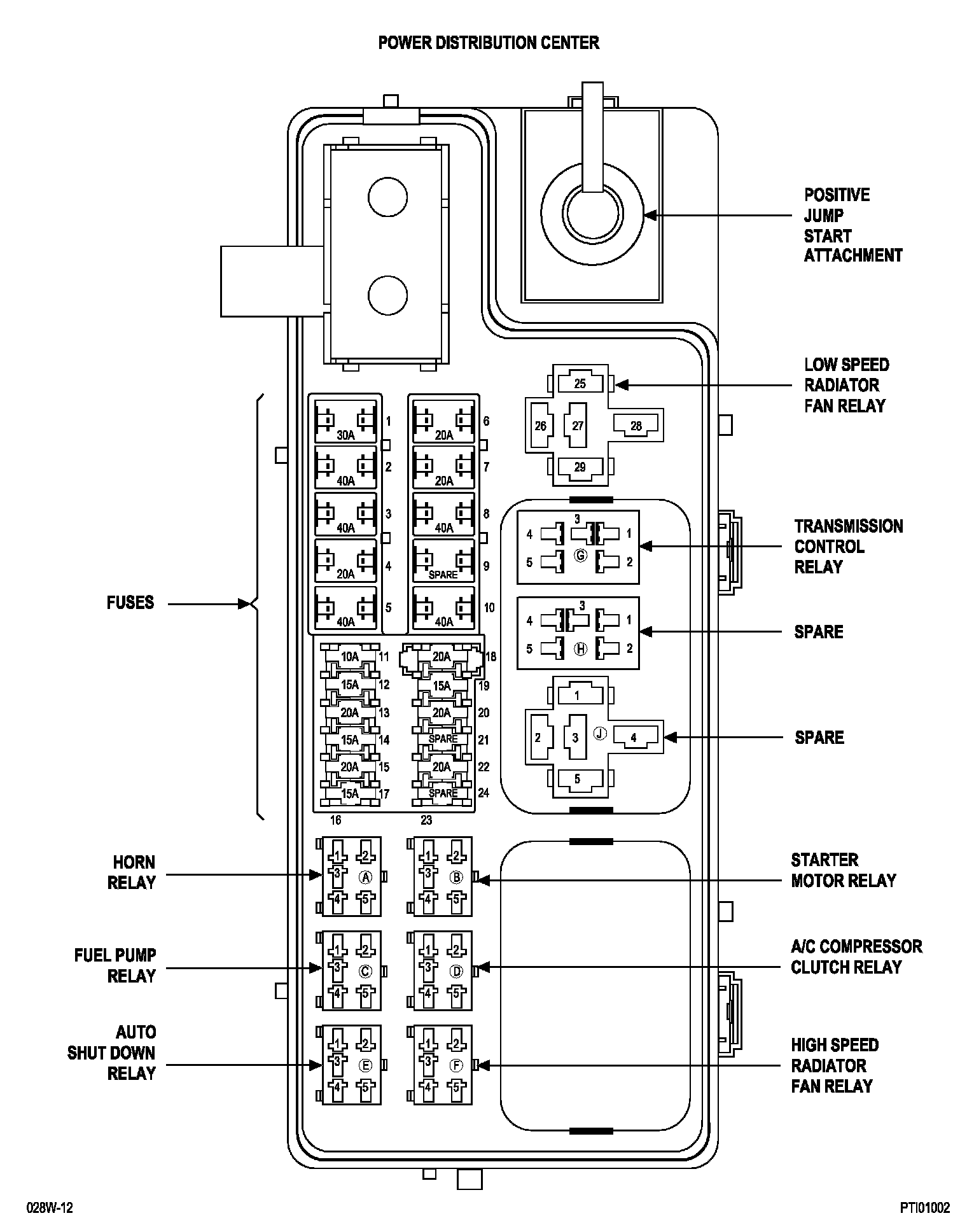
Power Distribution Module
Power Distribution Module
Power Distribution Center:
Fuses:
A/C Compressor Clutch Relay:
Auto Shut Down Relay:
Fuel Pump Relay:
High Speed Radiator Fan Relay:
Horn Relay:
Low Speed Radiator Fan Relay:
Starter Motor Relay:
Transmission Control Relay: