Curiosii for ever!: Car repair manuals for everyone.

Power Moding Schematics




Power Moding Schematics

IGN I/II





Master Electrical Component List
Retained Accessory Power Description and Operation
Control Module References
IGN II/III
BATT 3, DRL, DRL 2, DR/LCK, and RR FOG Fuses, PWR/WNDW Circuit Breaker
BATT 2, BCK/UP/STOP, LT/TRN/SIG, PDM, PWR/MIR, and RT/TRN/SIG Fuses, LT/PWR/SEAT, PWR/COLUMN, and RT/PWR/SEAT Circuit Breakers

IGN II/III





Master Electrical Component List
Power Mode Description and Operation
Control Module References
IGN I/II
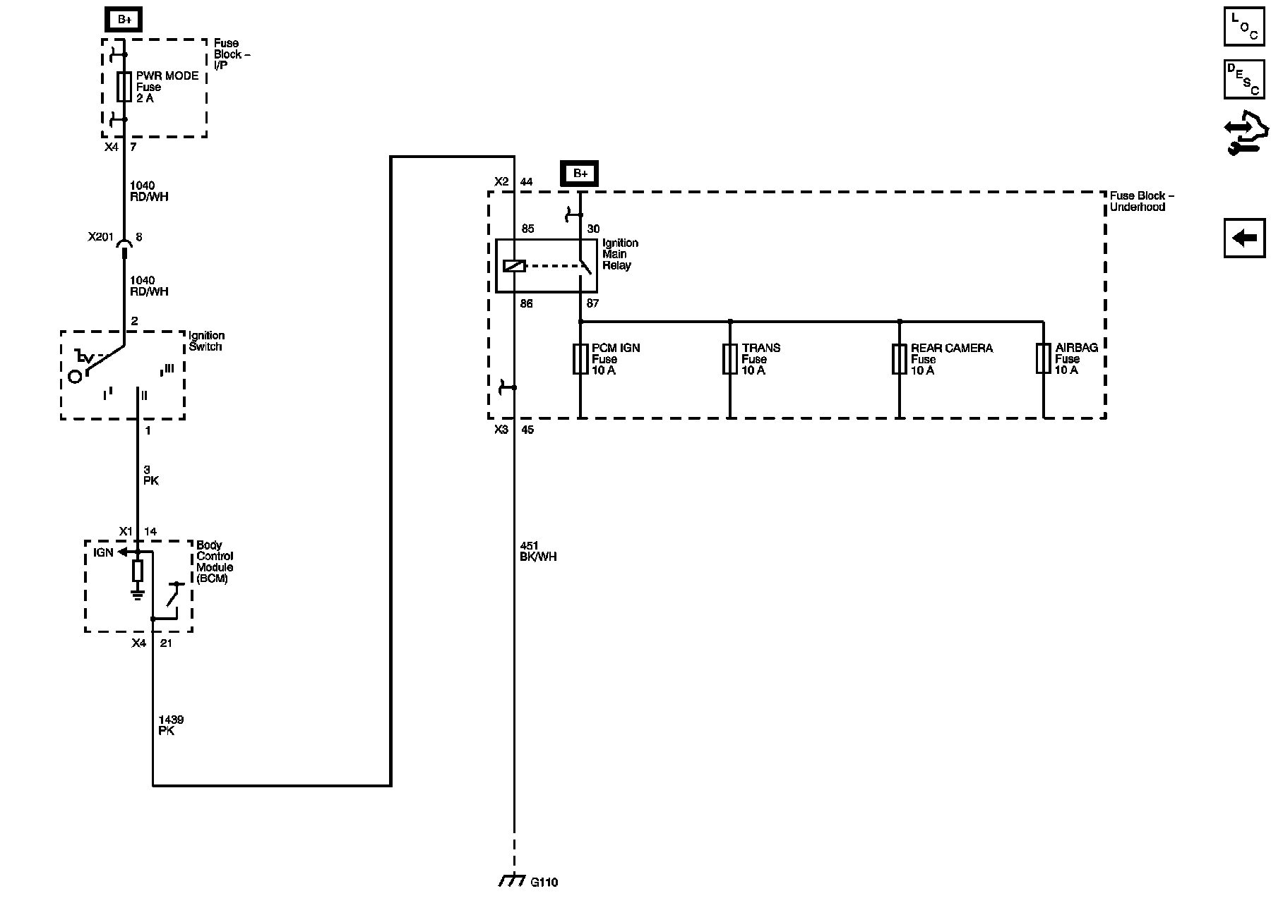
Ignition Switch and AIRBAG, PCM IGN, REAR CAMERA, and TRANS Fuses
Ignition Switch and AIRBAG, PCM IGN, REAR CAMERA, and TRANS Fuses
Ignition Switch and AIRBAG, PCM IGN, REAR CAMERA, and TRANS Fuses
Ignition Switch and AIRBAG, PCM IGN, REAR CAMERA, and TRANS Fuses
DSPLY, INFOTMNT, POWER MODE, and RDO Fuses
Electrical Center Identification Views
G105 and G110