Curiosii for ever!
: Car repair manuals for everyone.
Home
>>
Chevy Truck
>>
2013
>>
Traverse FWD V6-3.6L
>>
Repair and Diagnosis
>>
Diagrams
>>
Electrical Diagrams
>>
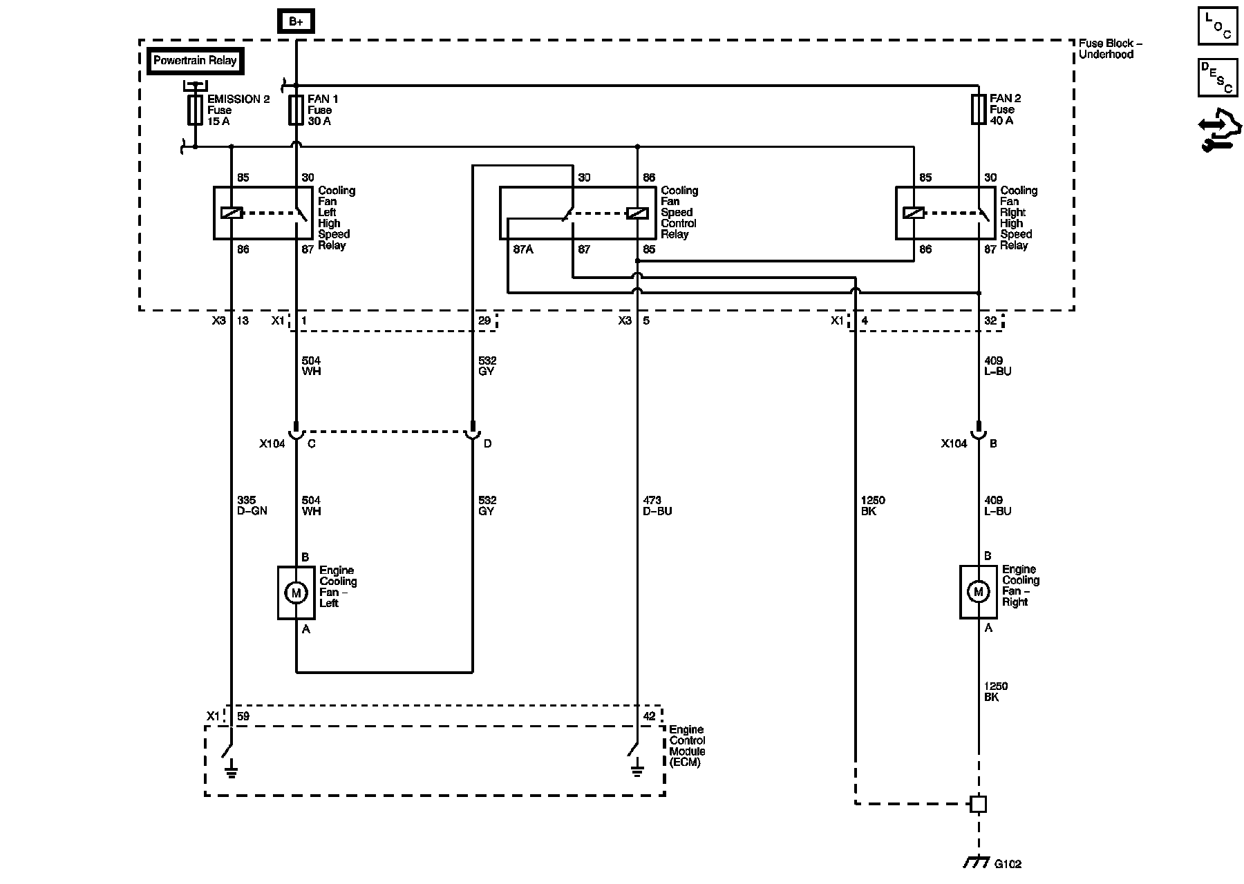
Cooling System
Cooling System
Engine Heating/Cooling Schematics
Engine Cooling