Curiosii for ever!: Car repair manuals for everyone.

Diesel Emissions Fluid Control Module: Locations




Wheels/Vehicle Underbody Component Views

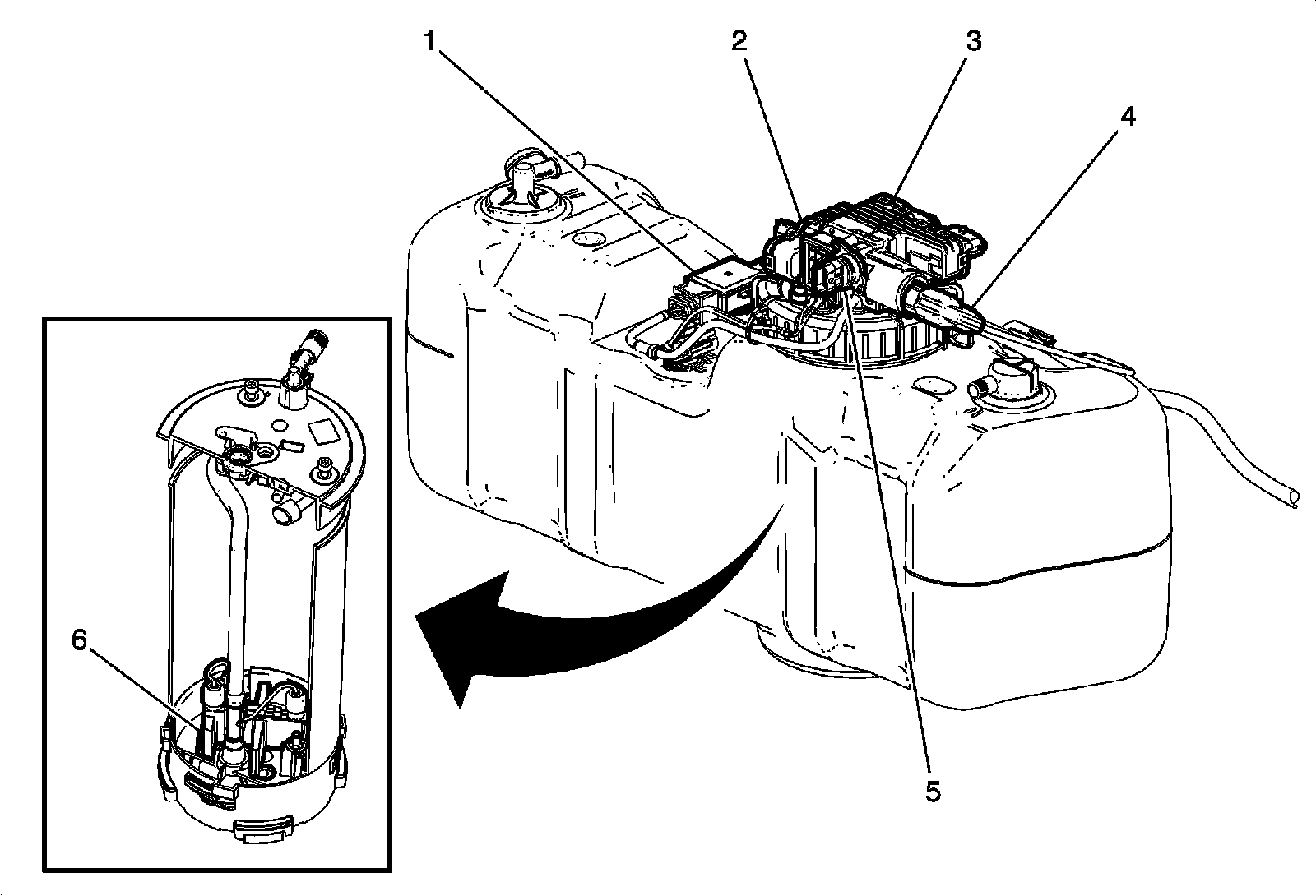
Reductant Tank Components (LGH)





1 - Reductant Sensor Module

2 - Reductant Purge Solenoid Valve

3 - Reductant Pump

4 - Reductant Line Heater

5 - Reductant Pressure Sensor

6 - Reductant Tank Heater