Curiosii for ever!
: Car repair manuals for everyone.
Home
>>
Chevy Truck
>>
2013
>>
Express 2500 V8-4.8L
>>
Repair and Diagnosis
>>
Transmission and Drivetrain
>>
Automatic Transmission/Transaxle
>>
Transmission Speed Sensor
>>
Service and Repair
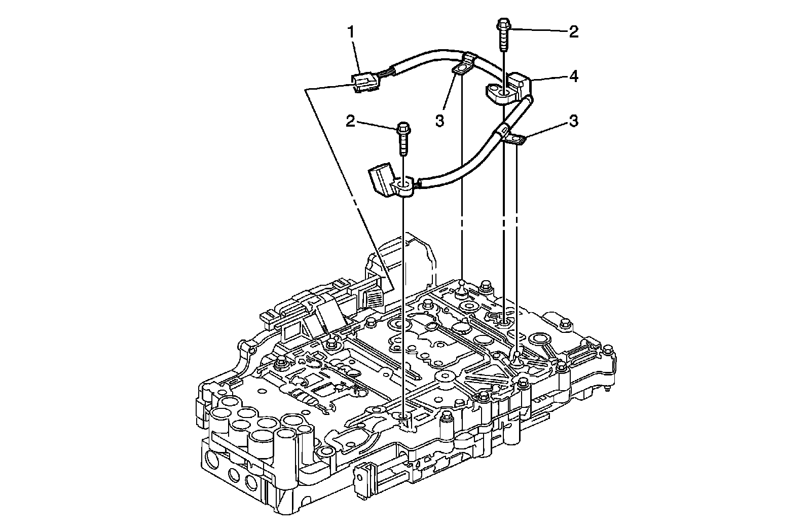
Transmission Speed Sensor: Service and Repair
Input and Output Speed Sensor Replacement