Curiosii for ever!
: Car repair manuals for everyone.
Home
>>
Chevy Truck
>>
2013
>>
Equinox FWD L4-2.4L
>>
Repair and Diagnosis
>>
Specifications
>>
Mechanical Specifications
>>
Engine
>>
Timing Cover
Timing Cover
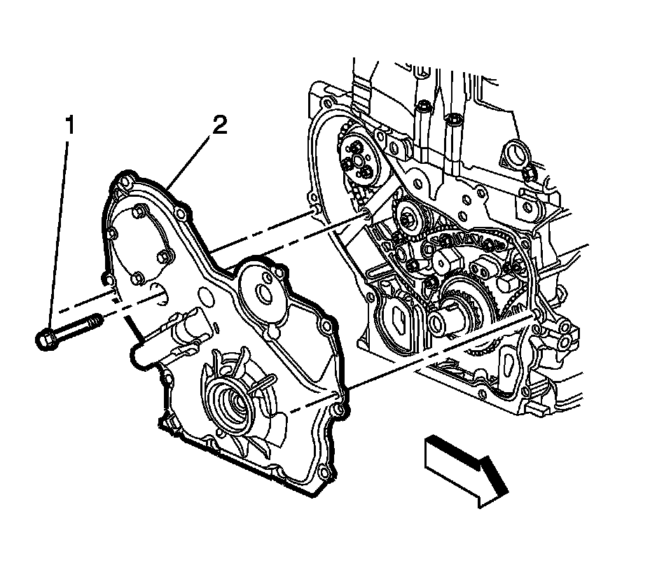
Install the engine front cover bolts (1) and tighten to 25 Nm (18 lb ft).
Install the engine front cover to water pump bolt (1) and tighten to 25 Nm (18 lb ft).