Curiosii for ever!: Car repair manuals for everyone.

Timing Cover: Service and Repair




Engine Front Cover Replacement

Special Tools

* EN 46109 - Guide Pin Set

* EN-48383 - Camshaft Retaining Tools

* EN-48589 - Crankshaft Rotational Socket

* EN-46104 - Water Pump Pulley Holding Tool

Removal Procedure

1. Remove the frame from the body with the engine and transmission. Refer to Engine Replacement Engine Replacement.
Follow steps 1-40 in the Engine Replacement Removal.




2. Remove the intake manifold. Refer to Intake Manifold Removal 7. Intake Manifold Removal.





Note: It is not necessary to remove the lines.

3. Remove the power steering reservoir bracket bolts and reposition.





Note: It is not necessary to remove the lines.

4. Remove the power steering pump bracket bolts and reposition.

5. Remove the left and right camshaft covers. Refer to Camshaft Cover Removal - Left Side (LLT) 12. Camshaft Cover Removal - Left Side and Camshaft Cover Removal - Right Side 13. Camshaft Cover Removal - Right Side.

6. Remove the engine mount bracket bolts and bracket.




7. Remove the water outlet housing assembly. Refer to Water Outlet Removal 8. Water Outlet Removal.




8. Remove the drive belt and drive belt tensioner. Refer to Drive Belt Tensioner Removal 1. Drive Belt Tensioner Removal.




9. Remove the water pump pulley using EN-46104 - Holding Tool and if necessary remove the water pump. Refer to Water Pump Removal 14. Water Pump Removal.

10. Remove the oil filter.

11. Remove the starter heat shield.

12. Remove the starter electrical connections, starter bolts and starter.

13. Remove the crankshaft balancer. Refer to Crankshaft Balancer Removal 10. Crankshaft Balancer Removal.




14. Remove the drive belt idler bolt and idler. Refer to Drive Belt Idler Pulley Removal 2. Drive Belt Idler Pulley Removal

15. Remove the generator.




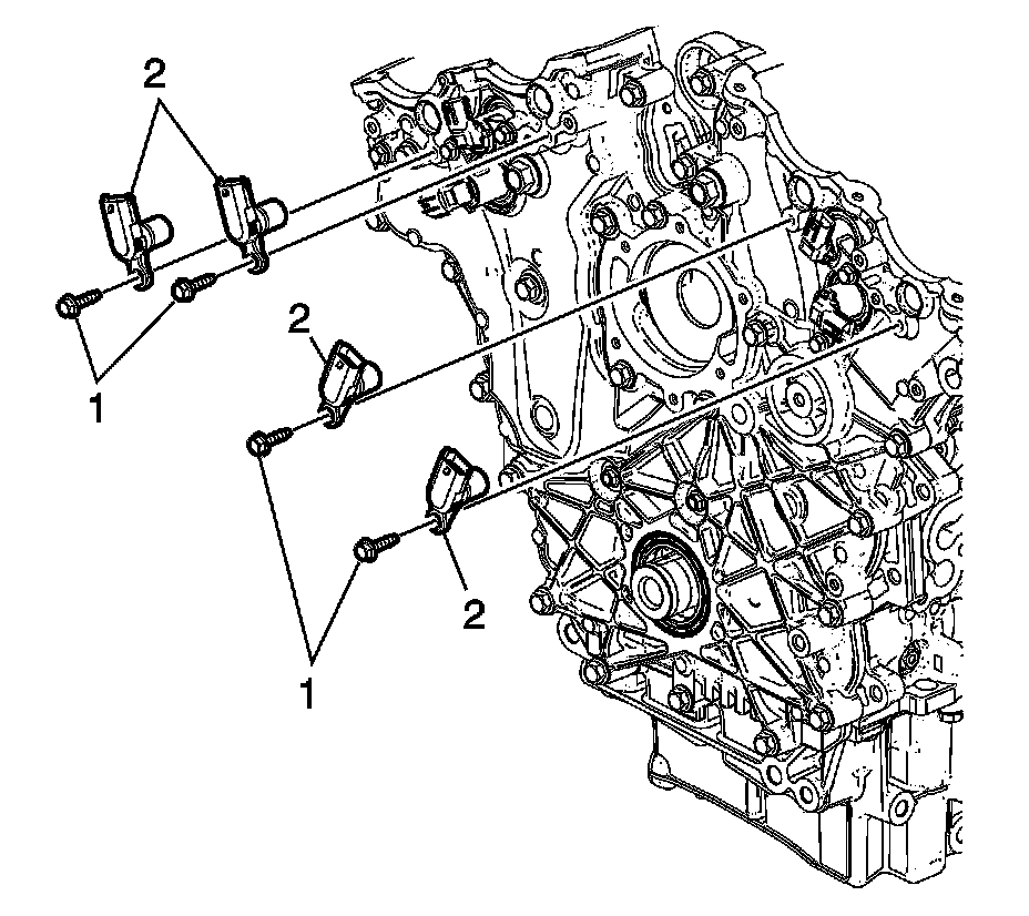
16. Remove camshaft position sensors (2) from the front cover.




17. Remove the camshaft position actuators from the front cover.





Important: There are a total of 22 M8 bolts that must be removed and 3 optional M12 bolts that may need to be removed before the front cover will separate from the engine block.


18. Remove the engine front cover. Engine Front Cover Removal 15. Engine Front Cover Removal.

Installation Procedure




1. Install front cover. Refer to Engine Front Cover Installation 126. Engine Front Cover Installation.




2. Install the camshaft position actuators to the front cover.




3. Install the camshaft position sensors (2) to the front cover.

4. Install the generator.




5. Install the drive belt idler bolt and idler. Refer to Drive Belt Idler Pulley Installation 139. Drive Belt Idler Pulley Installation

6. Install the crankshaft balancer. Refer to Crankshaft Balancer Installation 132. Crankshaft Balancer Installation.

7. Install the starter, starter bolts and starter electrical connections.

8. Install the starter heat shield.

9. Install the oil filter.




10. If removed, install the water pump and the water pump pulley using EN-46104 - Holding Tool. Refer to Water Pump Installation 127. Water Pump Installation.




11. Install the drive belt tensioner and drive belt. Refer to Drive Belt Tensioner Installation 140. Drive Belt Tensioner Installation.




12. Install the water outlet housing assembly. Refer to Water Outlet Installation 138. Water Outlet Installation.

13. Install the engine mount bracket and bracket bolts.

14. Remove the left and right camshaft covers. Refer to Camshaft Cover Installation - Left Side 128. Camshaft Cover Installation - Left Side and Camshaft Cover Installation - Right Side 129. Camshaft Cover Installation - Right Side.





Caution: Refer to Fastener Caution Fastener Caution.

15. Reposition the power steering pump and install the bracket bolts. Tighten the bolts to 50 Nm (37 lb ft).




16. Install the power steering reservoir and install the bracket bolts. Tighten the bolts to 9 Nm (80 lb in).




17. Remove the intake manifold. Refer to Intake Manifold Installation 130. Intake Manifold Installation.

18. Install the frame with the engine and transmission. Refer to Engine Replacement Engine Replacement.
Follow steps 16-49 in Engine Replacement Installation.