Curiosii for ever!: Car repair manuals for everyone.

Cooling System




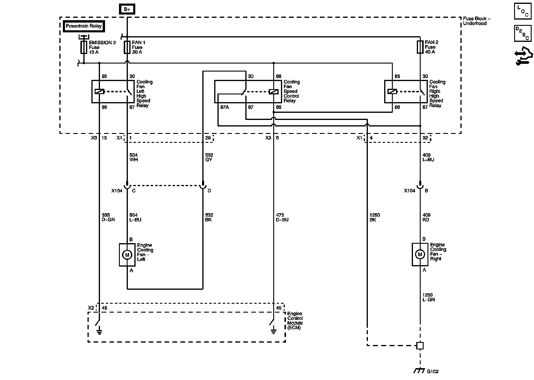
Engine Cooling Schematics

Engine Cooling





Master Electrical Component List
Cooling Fan Description and Operation
Control Module References
Power, Ground, Serial Data, and MIL
EMISSION 1 and EMISSION 2 Fuses
B+ Bus 1 of 2
Electrical Center Identification Views
Ground Distribution Schematics