Curiosii for ever!: Car repair manuals for everyone.

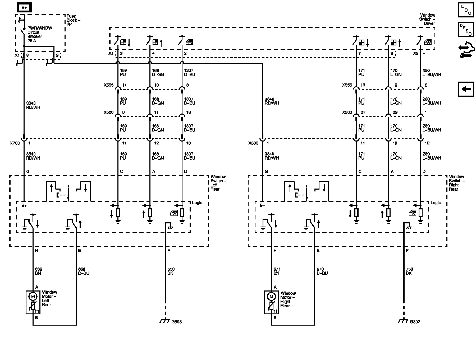
Moveable Window Schematics (Except AXE)




Moveable Window Schematics (Except AXE)

Front





Master Electrical Component List
Power Windows Description and Operation
Control Module References
Rear
BATT 3, DRL, DRL 2, DR/LCK, and RR FOG Fuses, PWR/WNDW Circuit Breaker
IGN I/II
G303 (1 of 2)
G302 (1 of 3)

Rear





Master Electrical Component List
Power Windows Description and Operation
Control Module References
Front
BATT 3, DRL, DRL 2, DR/LCK, and RR FOG Fuses, PWR/WNDW Circuit Breaker
G303 (1 of 2)
G302 (1 of 3)