Curiosii for ever!
: Car repair manuals for everyone.
Home
>>
Chevy Truck
>>
2012
>>
Traverse AWD V6-3.6L
>>
Repair and Diagnosis
>>
Transmission and Drivetrain
>>
Automatic Transmission/Transaxle
>>
Service and Repair
>>
Overhaul
>>
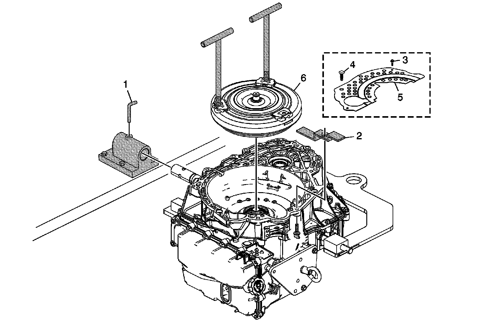
2. Torque Converter Removal
2. Torque Converter Removal
Torque Converter Removal