Curiosii for ever!: Car repair manuals for everyone.

Electrical Diagrams




Data Communication Schematics

Low Speed GMLAN





Master Electrical Component List
Data Link Communications Description and Operation
Control Module References
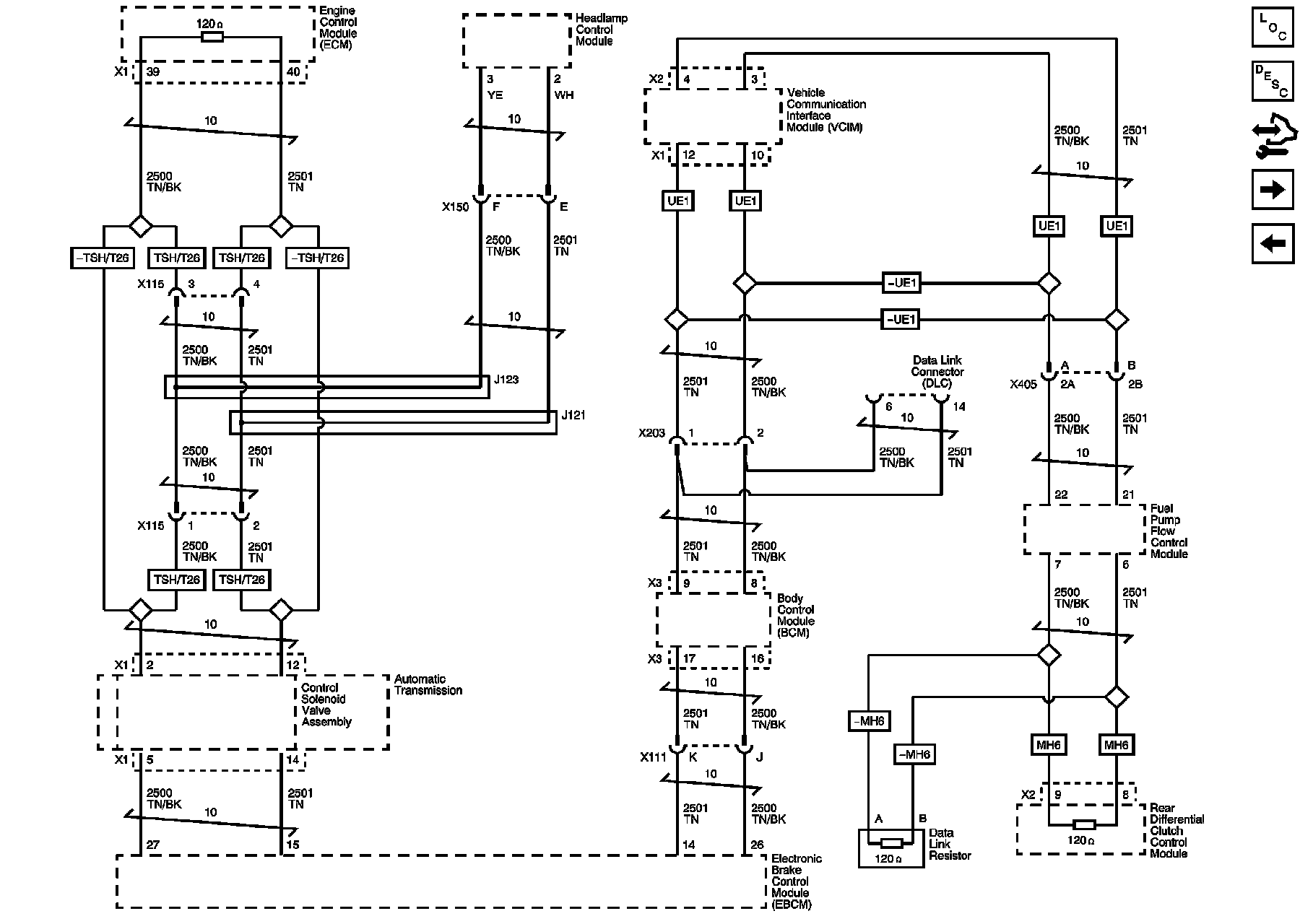
High Speed GMLAN
DSPLY, INFOTMNT, POWER MODE, and RDO Fuses
Master Electrical Schematic Icons
G301 (1 of 2)
G302 (1 of 3)

High Speed GMLAN





Master Electrical Component List
Data Link Communications Description and Operation
Control Module References
Communication Enable and Linear Interconnect Network (LIN)
Low Speed GMLAN
Master Electrical Schematic Icons
Master Electrical Schematic Icons
Master Electrical Schematic Icons
Master Electrical Schematic Icons
Master Electrical Schematic Icons
Master Electrical Schematic Icons
Master Electrical Schematic Icons
Master Electrical Schematic Icons
Master Electrical Schematic Icons
Master Electrical Schematic Icons
Master Electrical Schematic Icons
Master Electrical Schematic Icons
Master Electrical Schematic Icons
Master Electrical Schematic Icons
Master Electrical Schematic Icons

Communication Enable and Linear Interconnect Network (LIN)





Master Electrical Component List
Data Link Communications Description and Operation
Control Module References
High Speed GMLAN
IGN I/II