Curiosii for ever!: Car repair manuals for everyone.

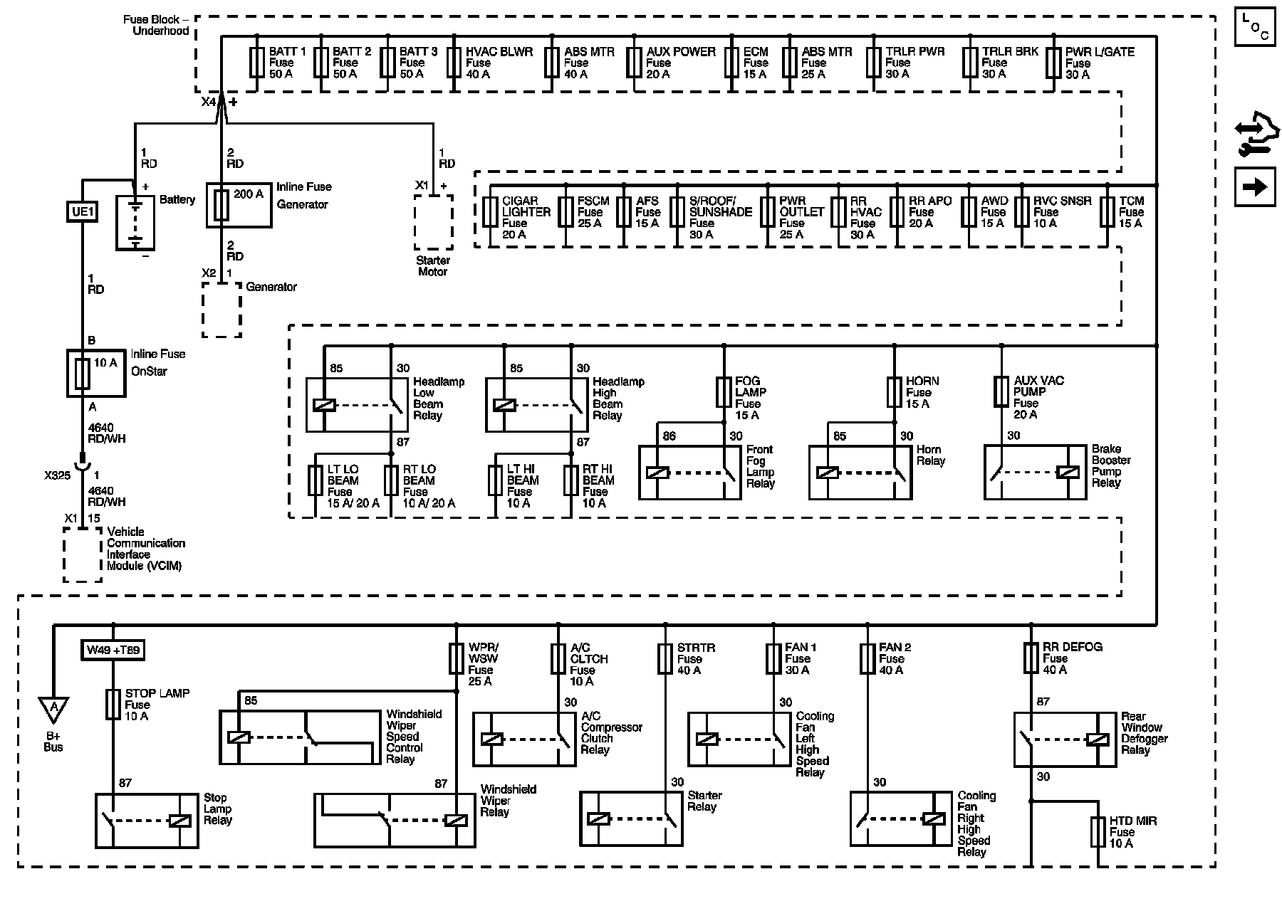
Power Distribution Schematics




Power Distribution Schematics

B+ Bus (1 of 2)





Master Electrical Component List
Control Module References
B+ Bus 2 of 2

B+ Bus (2 of 2)





Master Electrical Component List
Control Module References
AIRBAG, AMP, BATT 1, BCM, CNSTR/VENT, CTSY, INADV/PWR/LED, and MSM Fuses
B+ Bus 1 of 2

AIRBAG, AMP, BATT 1, BCM, CNSTR/VENT, CTSY, INADV/PWR/LED, and MSM Fuses





Master Electrical Component List
Control Module References
DSPLY, INFOTMNT, POWER MODE, and RDO Fuses
B+ Bus 2 of 2
Master Electrical Schematic Icons
DSPLY, INFOTMNT, POWER MODE, and RDO Fuses

BATT 2, BCK/UP/STOP, HTD/SEAT, LT/TRN/SIG, PDM, PWR/MIR, and RT/TRN/SIG Fuses, LT/PWR/SEAT, PWR/COLUMN, and RT/PWR/SEAT Circuit Breakers





Master Electrical Component List
Control Module References
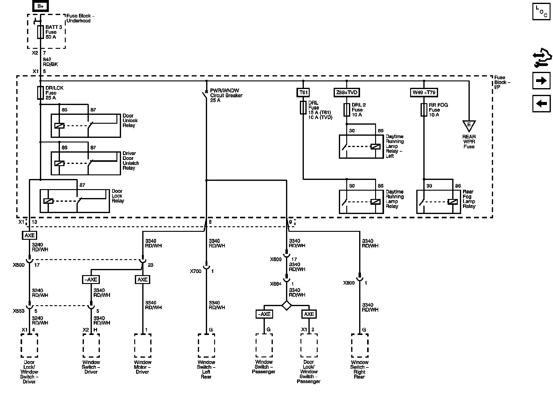
BATT 3, DRL, DRL 2, DR/LCK, and RR FOG Fuses, PWR/WNDW Circuit Breaker
DSPLY, INFOTMNT, POWER MODE, and RDO Fuses

BATT 3, DRL, DRL 2, DR/LCK, and RR FOG Fuses, PWR/WNDW Circuit Breaker





Master Electrical Component List
Control Module References
FRT/WSW, HVAC, HTD/COOL SEAT, and REAR WPR Fuses
BATT 2, BCK/UP/STOP, LT/TRN/SIG, PDM, PWR/MIR, and RT/TRN/SIG Fuses, LT/PWR/SEAT, PWR/COLUMN, and RT/PWR/SEAT Circuit Breakers
FRT/WSW, HVAC, HTD/COOL SEAT, and REAR WPR Fuses

DSPLY, INFOTMNT, POWER MODE, and RDO Fuses





Master Electrical Component List
Control Module References
BATT 2, BCK/UP/STOP, LT/TRN/SIG, PDM, PWR/MIR, and RT/TRN/SIG Fuses, LT/PWR/SEAT, PWR/COLUMN, and RT/PWR/SEAT Circuit Breakers
AIRBAG, AMP, BATT 1, BCM, CNSTR/VENT, CTSY, INADV/PWR/LED, and MSM Fuses
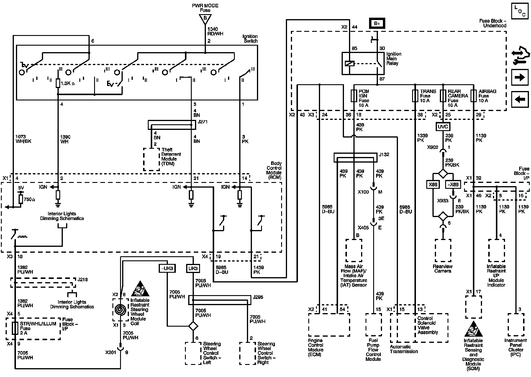
Ignition Switch and AIRBAG, PCM IGN, REAR CAMERA, and TRANS Fuses

FRT/WSW, HVAC, HTD/COOL SEAT, and REAR WPR Fuses





Master Electrical Component List
Control Module References
ABS MTR, AWD, ECM, HVAC BLWR, PWR L/GATE, PWR OUTLET, RR APO, RR HVAC, S/ROOF/SUNSHADE and TCM Fuses
BATT 3, DRL, DRL 2, DR/LCK, and RR FOG Fuses, PWR/WNDW Circuit Breaker

ABS MTR, AWD, ECM, HVAC BLWR, PWR L/GATE, PWR OUTLET, RR APO, RR HVAC, S/ROOF/SUNSHADE and TCM Fuses





Master Electrical Component List
Control Module References
AFS, AUX POWER, CIGAR LIGHTER, FSCM, HTD MIR, RR DEFOG, RVC SNSR, TRLR BRK, and TRLR PWR Fuses
FRT/WSW, HVAC, HTD/COOL SEAT, and REAR WPR Fuses

AFS, AUX POWER, CIGAR LIGHTER, FSCM, HTD MIR, RR DEFOG, RVC SNSR, TRLR BRK and TRLR PWR Fuses





Master Electrical Component List
Control Module References
Ignition Switch and AIRBAG, PCM IGN, REAR CAMERA, and TRANS Fuses
ABS MTR, AWD, ECM, HVAC BLWR, PWR L/GATE, PWR OUTLET, RR APO, RR HVAC, S/ROOF/SUNSHADE and TCM Fuses

Ignition Switch and AIRBAG, PCM IGN, REAR CAMERA, and TRANS Fuses





Master Electrical Component List
Control Module References
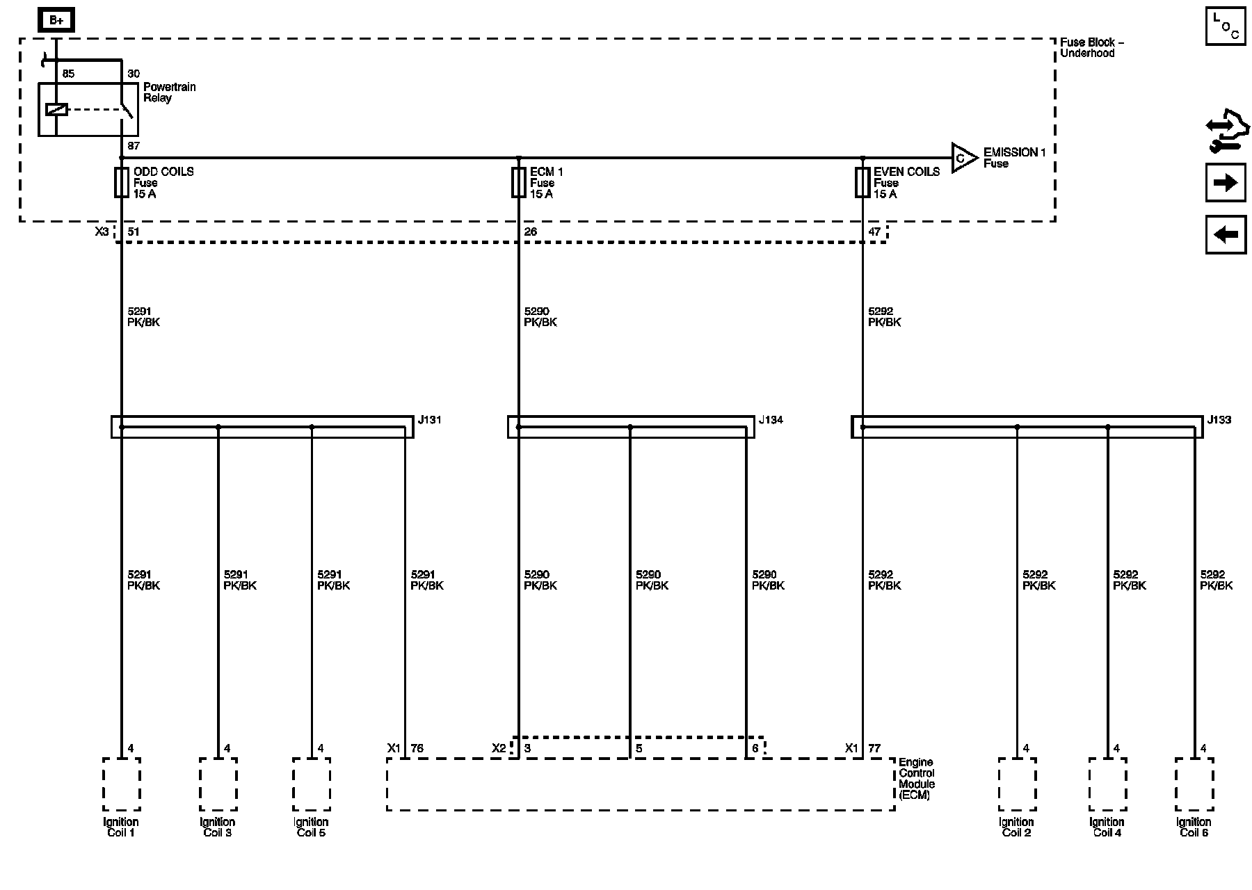
ECM 1, EVEN COILS, and ODD COILS Fuses
AFS, AUX POWER, CIGAR LIGHTER, FSCM, HTD MIR, RR DEFOG, RVC SNSR, TRLR BRK, and TRLR PWR Fuses
DSPLY, INFOTMNT, POWER MODE, and RDO Fuses
LED Dimming (1 of 2)
Master Electrical Schematic Icons

ECM 1, EVEN COILS, and ODD COILS Fuses





Master Electrical Component List
Control Module References
EMISSION 1 and EMISSION 2 Fuses
Ignition Switch and AIRBAG, PCM IGN, REAR CAMERA, and TRANS Fuses

EMISSION 1 and EMISSION 2 Fuses





Master Electrical Component List
Control Module References
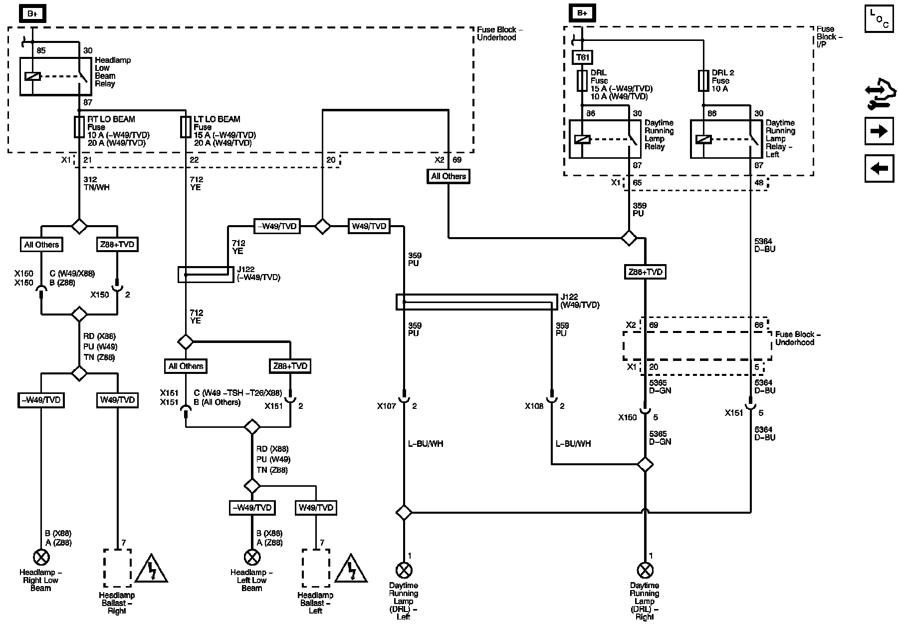
DRL, DRL 2, LT LO BEAM, and RT LO BEAM Fuses
ECM 1, EVEN COILS, and ODD COILS Fuses

DRL, DRL 2, LT LO BEAM, and RT LO BEAM Fuses





Master Electrical Component List
Control Module References
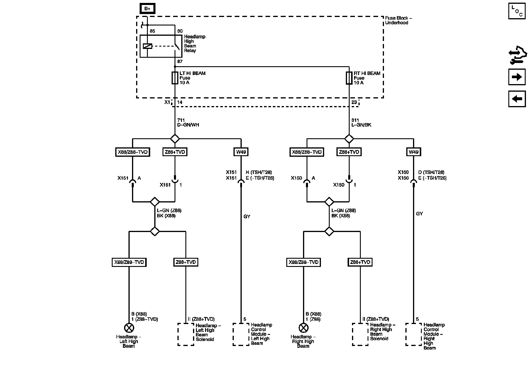
LT HI BEAM and RT HI BEAM Fuses
EMISSION 1 and EMISSION 2 Fuses
Master Electrical Schematic Icons

LT HI BEAM and RT HI BEAM Fuses





Master Electrical Component List
Control Module References
LT PRK Fuse
DRL, DRL 2, LT LO BEAM, and RT LO BEAM Fuses

LT PRK Fuse





Master Electrical Component List
Control Module References
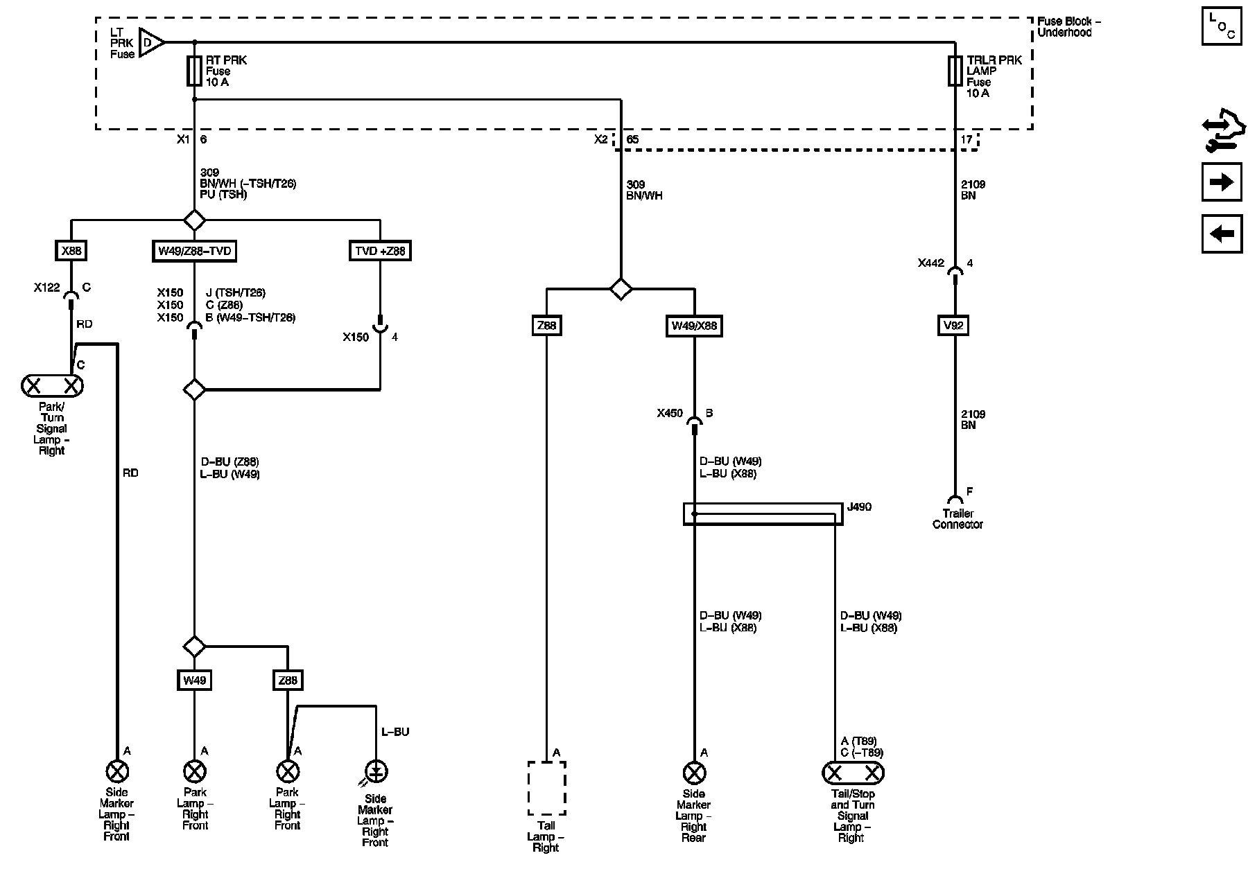
RT PRK and TRLR PRK LAMP Fuses
LT HI BEAM and RT HI BEAM Fuses

RT PRK and TRLR PRK LAMP Fuses





Master Electrical Component List
Control Module References
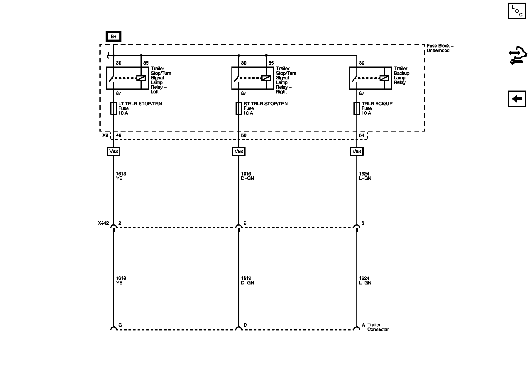
LT TRLR STOP/TRN, TRLR BCK/UP, and RT TRLR STOP/TRN Fuses
LT PRK Fuse

LT TRLR STOP/TRN, TRLR BCK/UP, and RT TRLR STOP/TRN Fuses





Master Electrical Component List
Control Module References
RT PRK and TRLR PRK LAMP Fuses