Curiosii for ever!: Car repair manuals for everyone.

Antilock Brakes / Traction Control Systems




Antilock Brake System Schematics

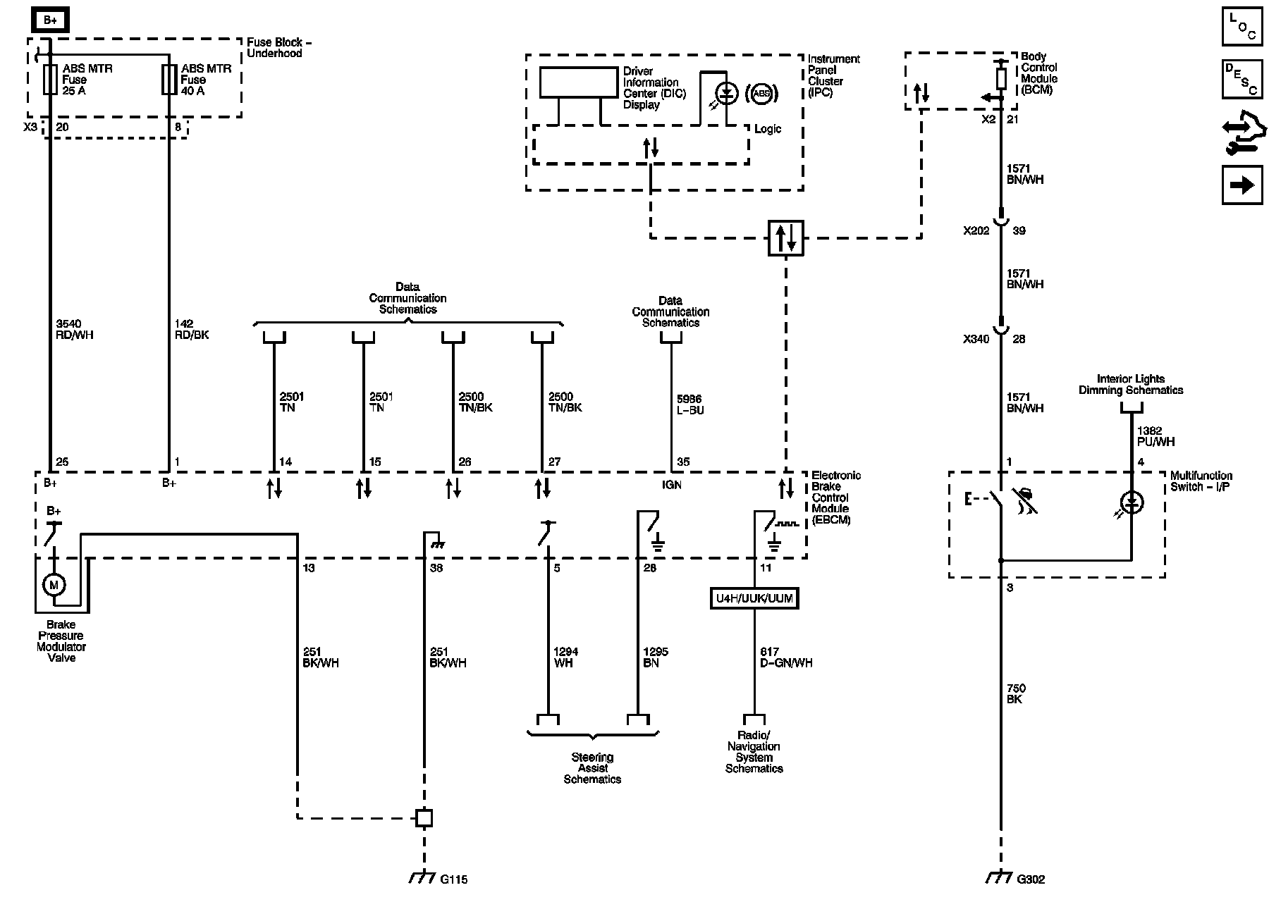
Power, Ground, Serial Data, and Traction Control





Master Electrical Component List
ABS Description and Operation
Control Module References
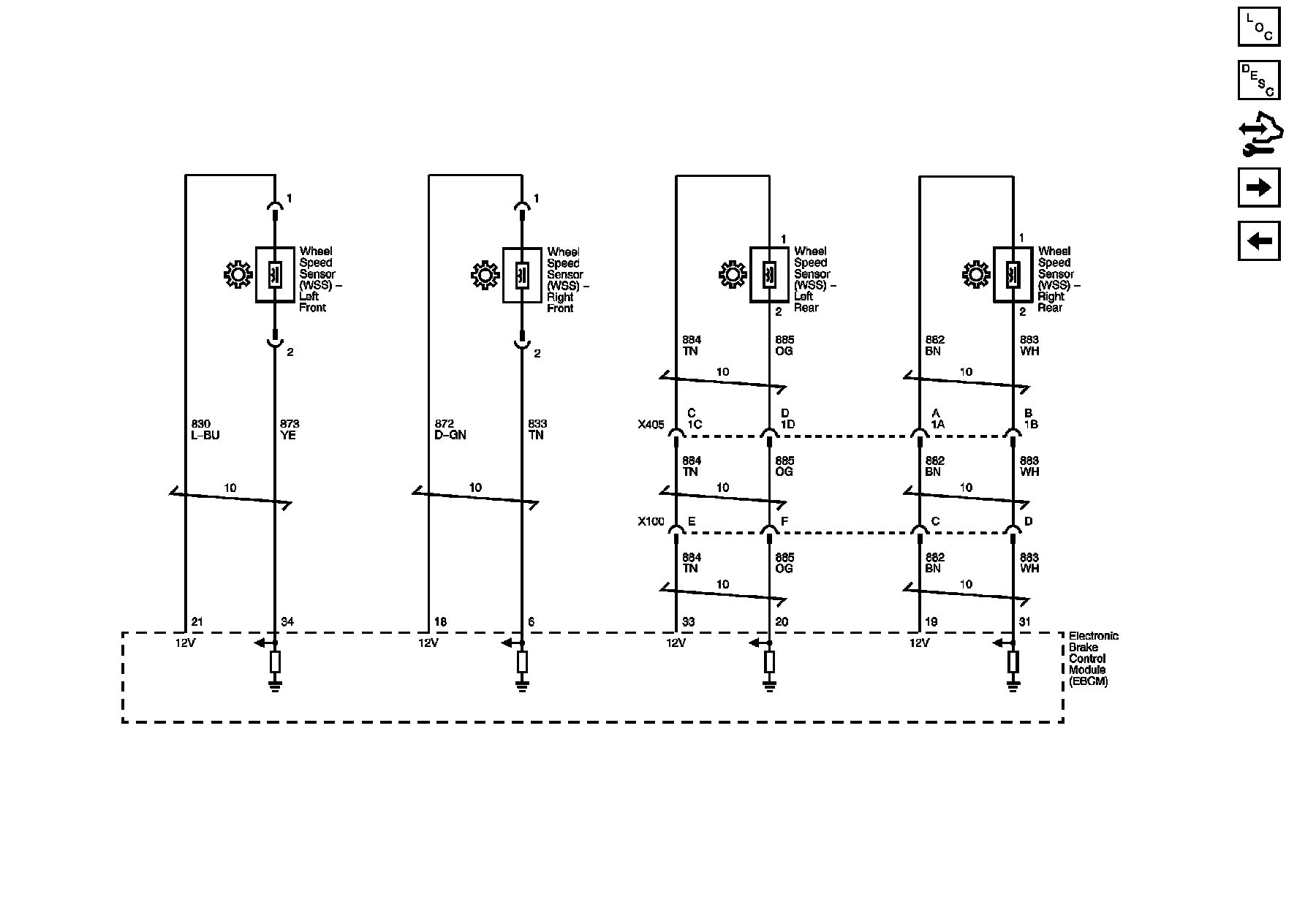
Wheel Speed Sensors
ABS MTR, AWD, ECM, HVAC BLWR, PWR L/GATE, PWR OUTLET, RR APO, RR HVAC, S/ROOF/SUNSHADE and TCM Fuses
Data Communication Schematics
LED Dimming (2 of 2)
NV7
Power, Ground, Serial Data, Antennas, Lighting, and Vehicle Speed Signal
G112, G114, and G115
G302 (1 of 3)

Wheel Speed Sensors





Master Electrical Component List
ABS Description and Operation
Control Module References
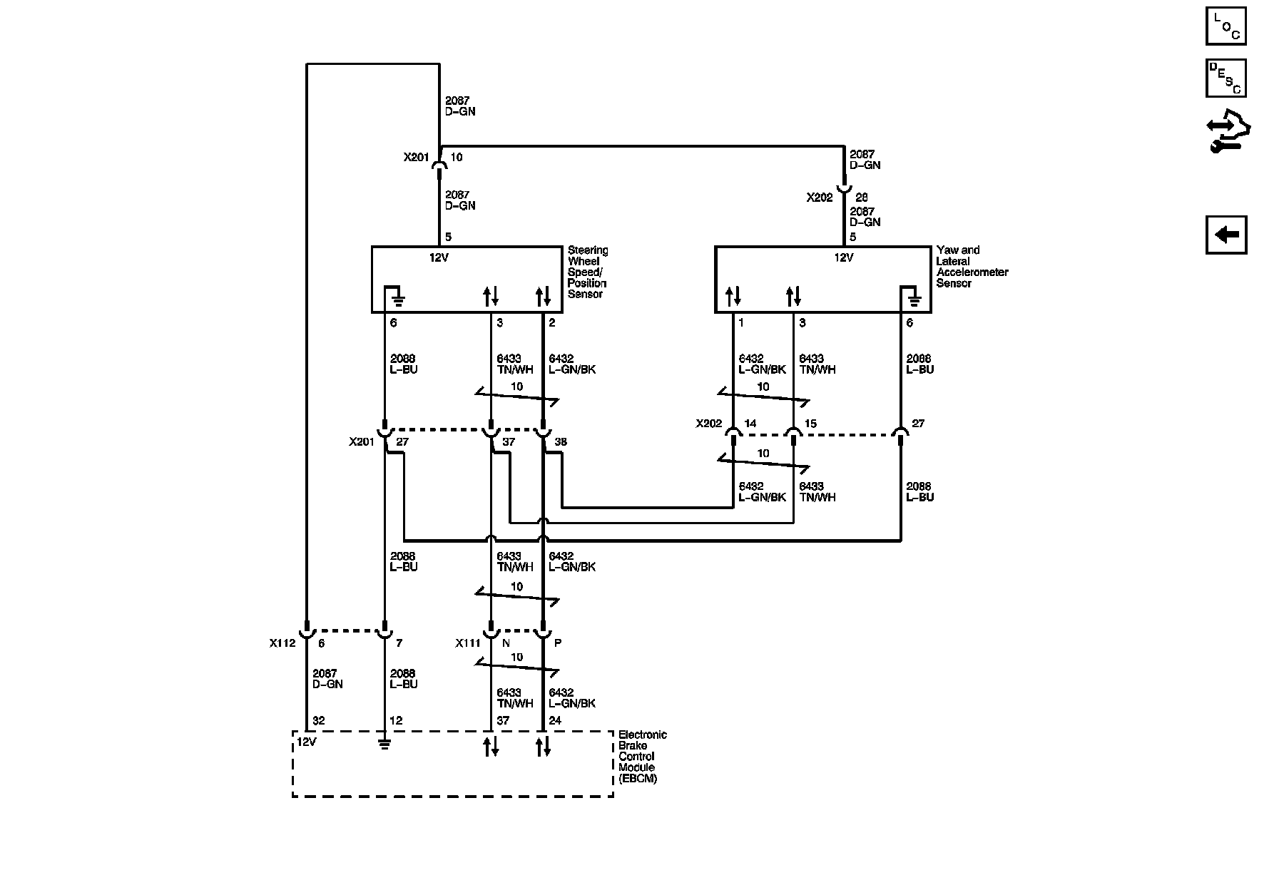
Stability Control
Power, Ground, Serial Data, and Traction Control
Master Electrical Schematic Icons

Stability Control





Master Electrical Component List
ABS Description and Operation
Control Module References
Wheel Speed Sensors
Master Electrical Schematic Icons