Curiosii for ever!: Car repair manuals for everyone.

Radio/Navigation System Schematics




Radio/Navigation System Schematics

Power, Ground, Serial Data, Antennas, Lighting, and Vehicle Speed Signal





Master Electrical Component List
Radio/Audio System Description and Operation
Control Module References
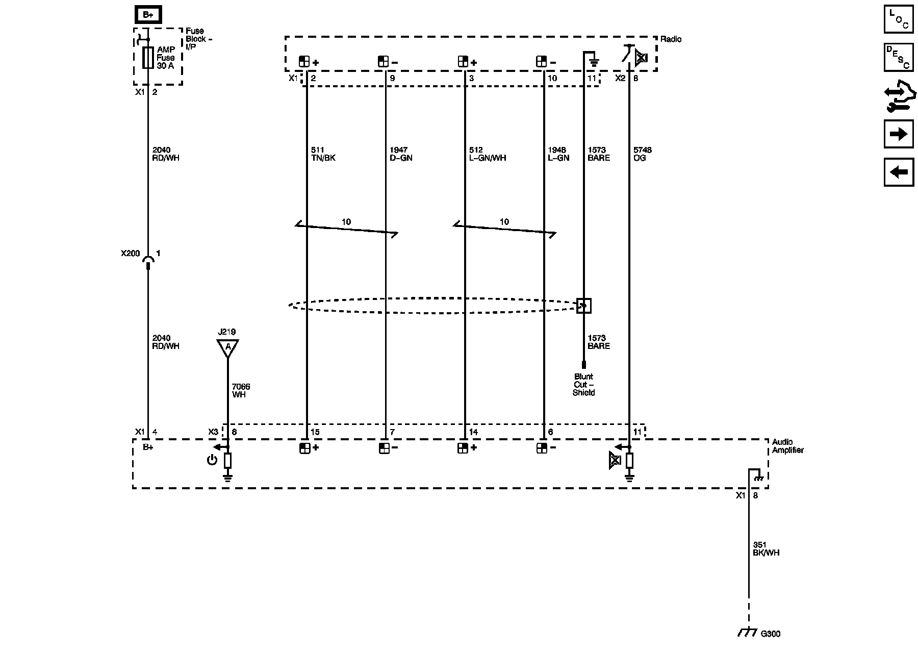
Audio Amplifier Power, Ground, and Front and Rear Audio Inputs (UQA or UQS)
DSPLY, INFOTMNT, POWER MODE, and RDO Fuses
Data Communication Schematics
U42
Audio Amplifier Power, Ground, and Front and Rear Audio Inputs (UQA or UQS)
LED Dimming (1 of 2)
Rear Vision Camera (UVC)
G300

Audio Amplifier Power, Ground, and Front and Rear Audio Inputs (UQA or UQS)





Master Electrical Component List
Radio/Audio System Description and Operation
Control Module References
Audio Amplifier Power, Ground, and Front and Rear Audio Inputs (UQA or UQS with ULD)
Power, Ground, Serial Data, Antennas, Lighting, and Vehicle Speed Signal
AIRBAG, AMP, BATT 1, BCM, CNSTR/VENT, CTSY, INADV/PWR/LED, and MSM Fuses
Master Electrical Schematic Icons
G300

Audio Amplifier Power, Ground, and Front and Rear Audio Inputs (UQA or UQS with ULD)





Master Electrical Component List
Radio/Audio System Description and Operation
Control Module References
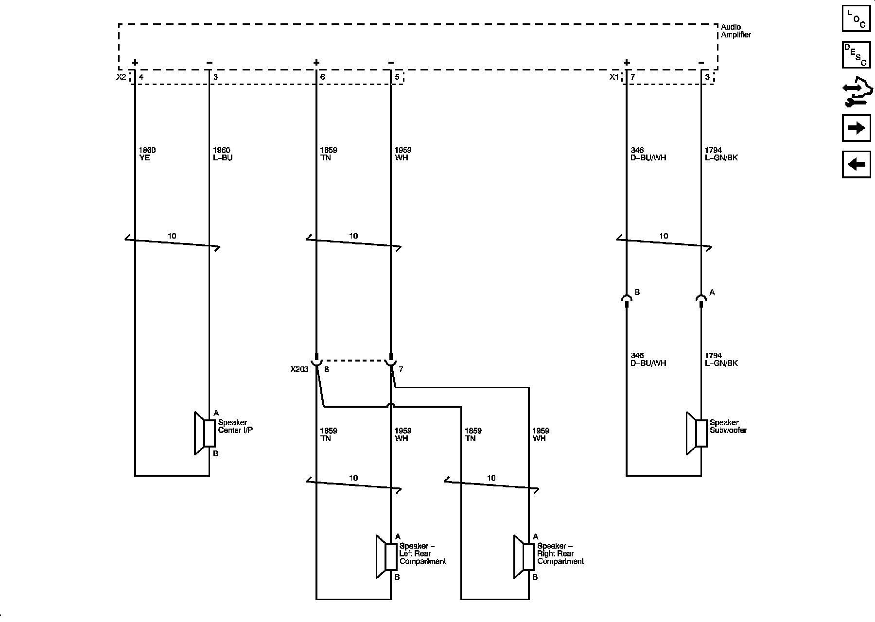
Audio Amplifier Center and Subwoofer Audio Inputs (UQS)
Audio Amplifier Power, Ground, and Front and Rear Audio Inputs (UQA or UQS)
AIRBAG, AMP, BATT 1, BCM, CNSTR/VENT, CTSY, INADV/PWR/LED, and MSM Fuses
Power, Ground, Serial Data, Antennas, Lighting, and Vehicle Speed Signal
Master Electrical Schematic Icons
G300

Audio Amplifier Center and Subwoofer Audio Inputs (UQS)





Master Electrical Component List
Radio/Audio System Description and Operation
Control Module References
Speakers (UQF)
Audio Amplifier Power, Ground, and Front and Rear Audio Inputs (UQA or UQS with ULD)
Master Electrical Schematic Icons

Speakers (UQF)





Master Electrical Component List
Radio/Audio System Description and Operation
Control Module References
Speakers (UQF with ULD)
Audio Amplifier Center and Subwoofer Audio Inputs (UQS)
Master Electrical Schematic Icons

Speakers (UQF with ULD)





Master Electrical Component List
Radio/Audio System Description and Operation
Control Module References
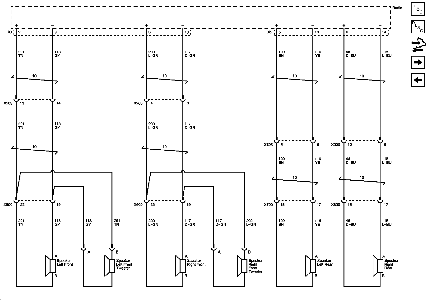
Speakers - Door and A-Pillar (UQA or UQS)
Speakers (UQF)
Master Electrical Schematic Icons

Speakers- Door and A-Pillar (UQA or UQS)





Master Electrical Component List
Radio/Audio System Description and Operation
Control Module References
Speakers - Except Door and A-Pillar (UQA or UQS)
Speakers (UQF with ULD)
Master Electrical Schematic Icons

Speakers- Except Door and A-Pillar (UQA or UQS)





Master Electrical Component List
Radio/Audio System Description and Operation
Control Module References
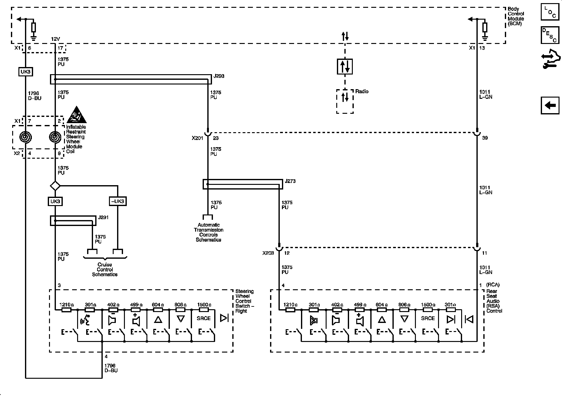
Rear Audio Controls, Lighting, Data Communication, and Infrared Module
Speakers - Door and A-Pillar (UQA or UQS)
Master Electrical Schematic Icons

Rear Seat Audio Controls, Lighting, Data Communication, and Infrared Module





Master Electrical Component List
Radio/Audio System Description and Operation
Control Module References
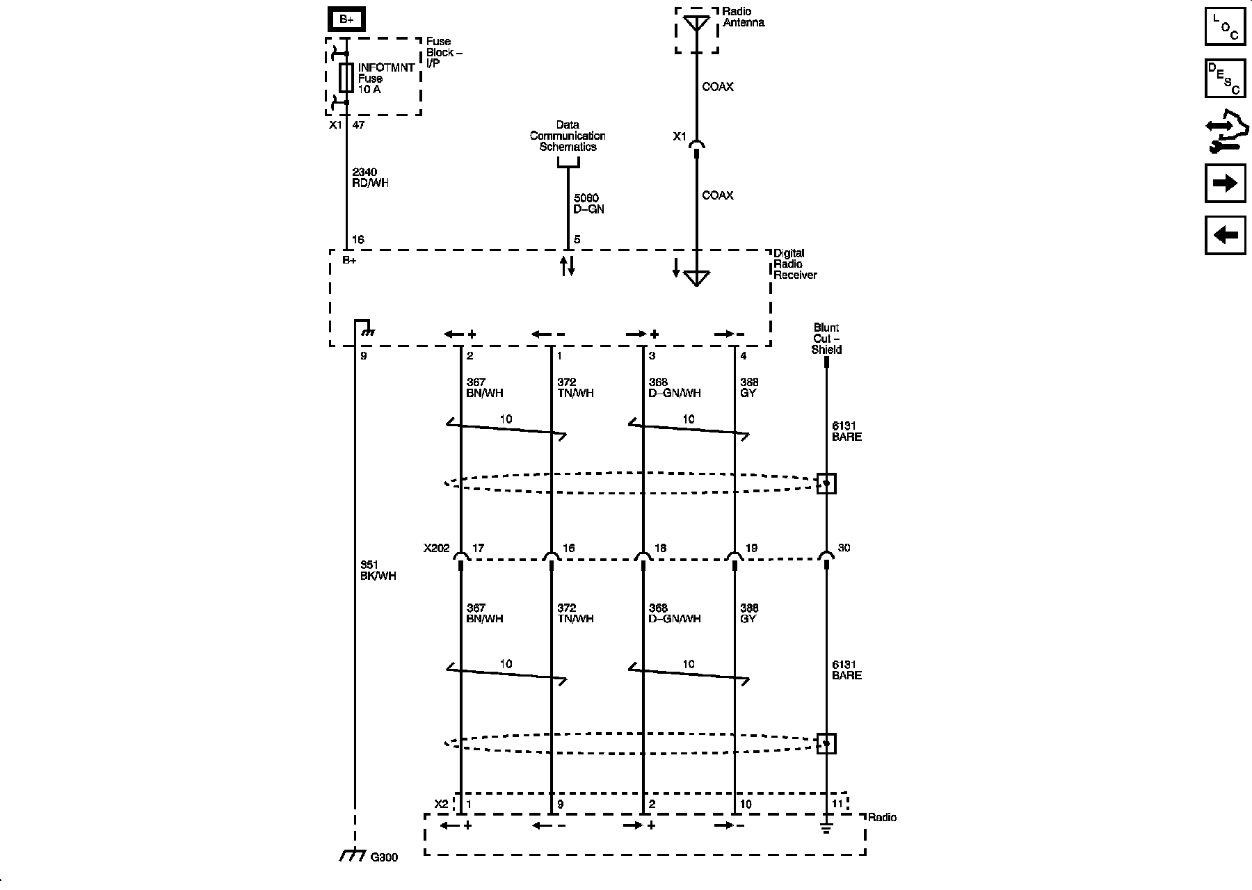
Digital Radio (U2K or UBS)
Speakers - Except Door and A-Pillar (UQA or UQS)
DSPLY, INFOTMNT, POWER MODE, and RDO Fuses
Data Communication Schematics
LED Dimming (2 of 2)
Master Electrical Schematic Icons
G300

Digital Radio (U2K or UBS)





Master Electrical Component List
Radio/Audio System Description and Operation
Control Module References
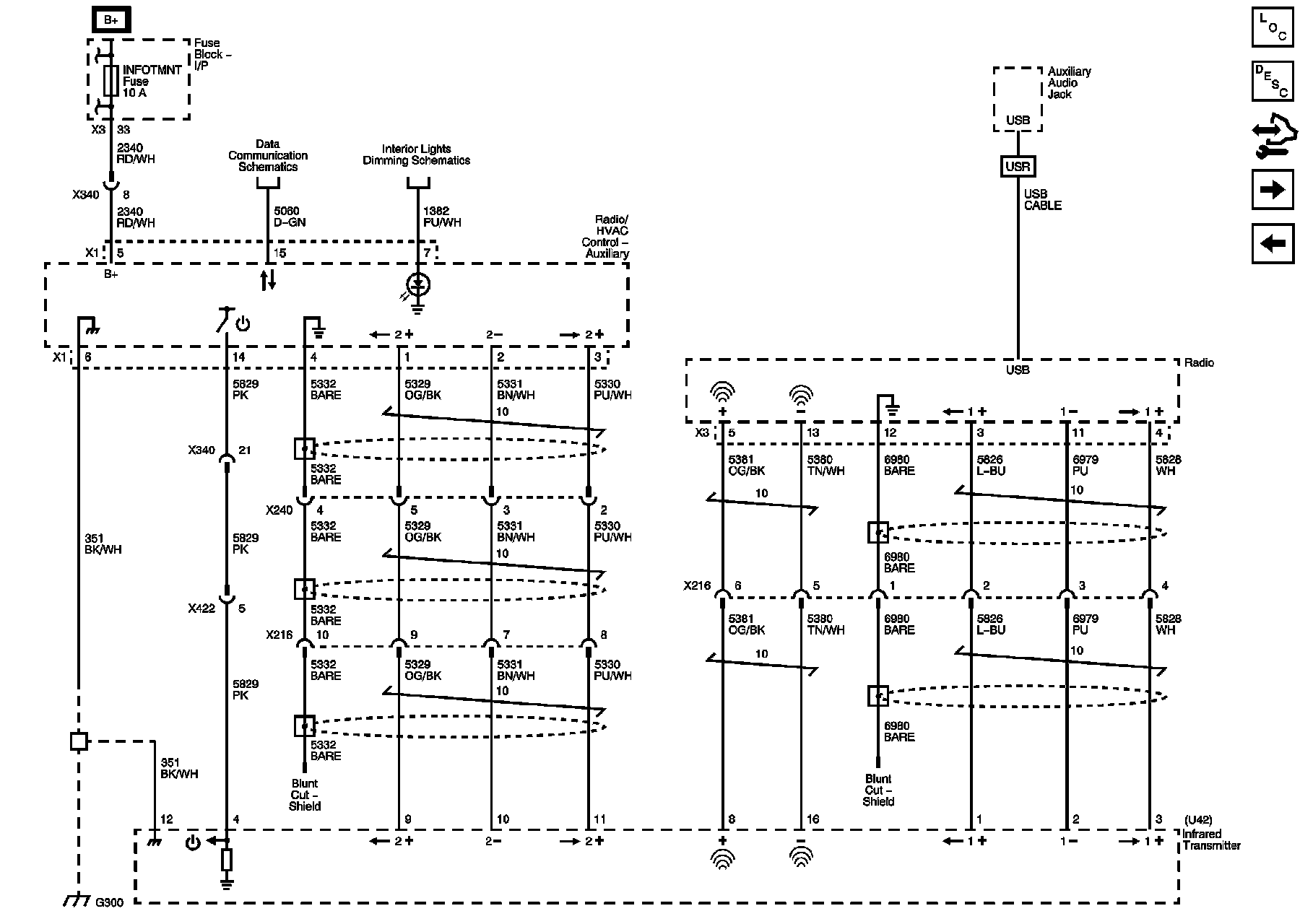
Secondary Controls
Rear Audio Controls, Lighting, Data Communication, and Infrared Module
DSPLY, INFOTMNT, POWER MODE, and RDO Fuses
Data Communication Schematics
Master Electrical Schematic Icons
G300

Secondary Controls





Master Electrical Component List
Radio/Audio System Description and Operation
Control Module References
Digital Radio (U2K or UBS)
Master Electrical Schematic Icons
Cruise Control
IMS and Tap Up/Tap Down Switch
Data Communication Schematics