Curiosii for ever!
: Car repair manuals for everyone.
Home
>>
Chevy Truck
>>
2012
>>
Suburban 2WD V8-5.3L
>>
Repair and Diagnosis
>>
Steering and Suspension
>>
Steering
>>
Steering Angle Sensor
>>
Service and Repair
>>
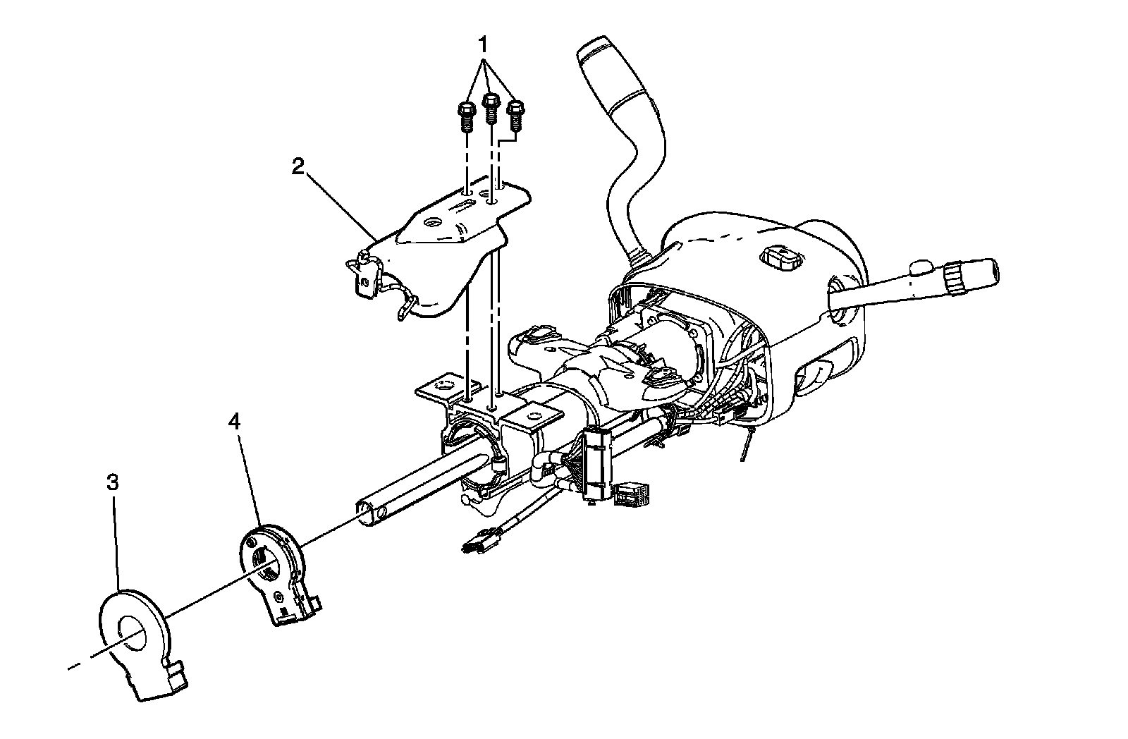
Steering Wheel Position Sensor Replacement
Steering Wheel Position Sensor Replacement
Steering Wheel Position Sensor Replacement