Curiosii for ever!: Car repair manuals for everyone.

Exhaust Temperature Sensor 2




Wheels/Vehicle Underbody Component Views

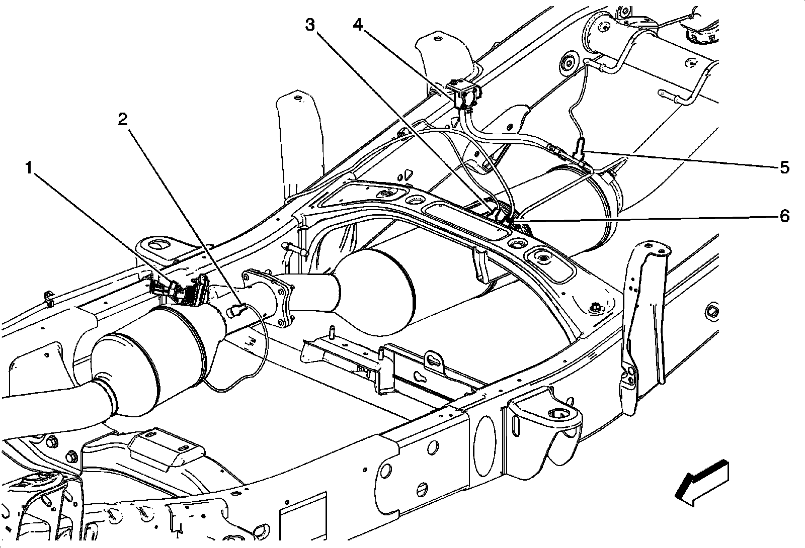
Front of the Exhaust Components (Diesel)




1 - Reductant Injector
2 - Exhaust Temperature Sensor 2
3 - Exhaust Temperature Sensor 3
4 - Exhaust Pressure Differential Sensor
5 - Exhaust Temperature Sensor 4
6 - Nitrogen Oxides Sensor 2