Curiosii for ever!: Car repair manuals for everyone.

Automatic Transmission Internal Electronic Components (M30)




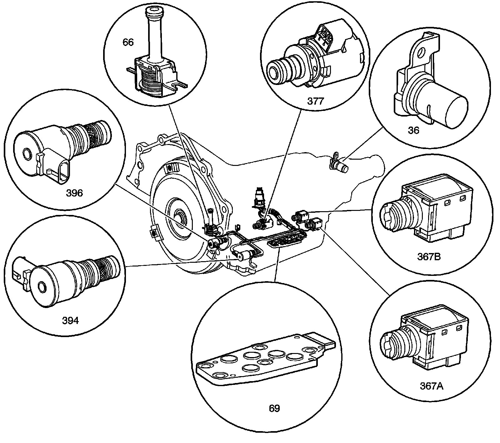
Powertrain Component Views

Automatic Transmission Internal Electronic Components (M30)





36 - Automatic Transmission Output Shaft Speed (OSS) Sensor

66 - Torque Converter Clutch (TCC) Solenoid Valve

69 - Automatic Transmission Fluid Pressure (TFP) Manual Valve Position Switch

367a - 1-2 Shift Solenoid (SS) Valve

367b - 2-3 Shift Solenoid (SS) Valve

377 - Pressure Control (PC) Solenoid Valve

394 - 3-2 Shift Solenoid (SS) Valve

396 - Torque Converter Clutch (TCC) Pulse Width Modulation (PWM) Solenoid Valve