Curiosii for ever!: Car repair manuals for everyone.

Battery Negative Cable Replacement




Battery Negative Cable Replacement (LAF or LEA)

Removal Procedure

1. Record all of the radio station presets.

2. Disconnect the battery negative cable. Refer to Battery Negative Cable Disconnection and Connection Battery Negative Cable Disconnection and Connection.





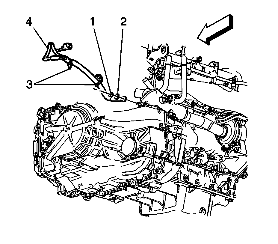
3. Disconnect the battery current sensor from the body harness (1)

4. Remove the battery negative cable ground nut (2) from the frame rail.





5. Remove the battery negative cable engine ground nut (1) and washer (2) from the engine block stud.

6. Remove the retainers (3).

Note:
Observe how the battery negative cable was routed within the engine compartment.

7. Remove the battery negative cable (4).

Installation Procedure





Caution:
Refer to Fastener Caution Fastener Caution.

1. Install the battery negative cable engine ground nut (1) and washer (2) to the engine block stud and tighten to 30 Nm (22 lb ft).





2. Install the battery negative cable frame ground nut (2) to the frame rail and tighten to 25 Nm (18 lb ft).

3. Connect the body harness connector (1) to the battery current sensor.

4. Connect the battery negative cable. Refer to Battery Negative Cable Disconnection and Connection Battery Negative Cable Disconnection and Connection.

5. Reset the radio channel presets.