Curiosii for ever!: Car repair manuals for everyone.

Windows




Moveable Window Schematics

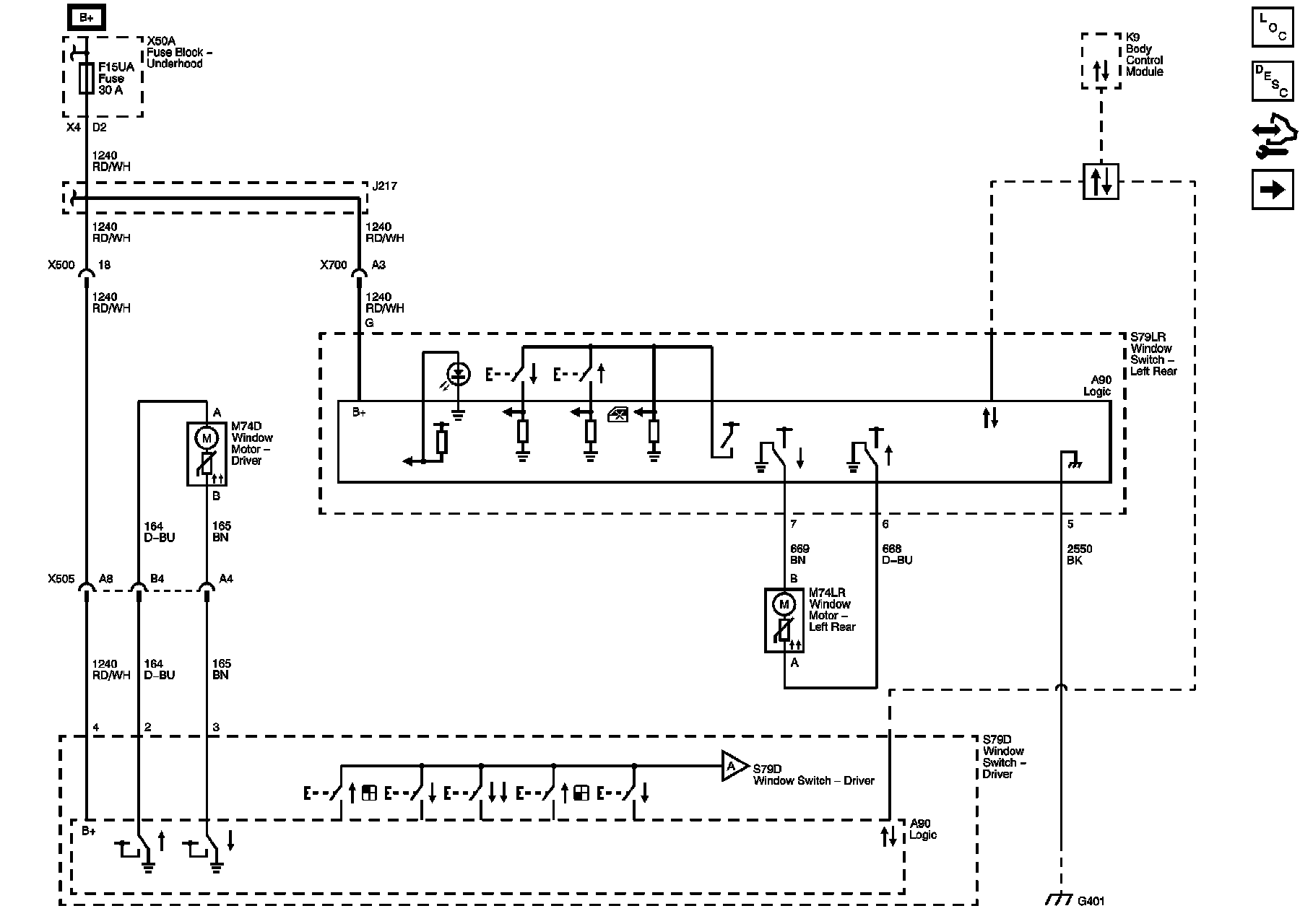
Left Doors





Master Electrical Component List
Power Windows Description and Operation
Control Module References
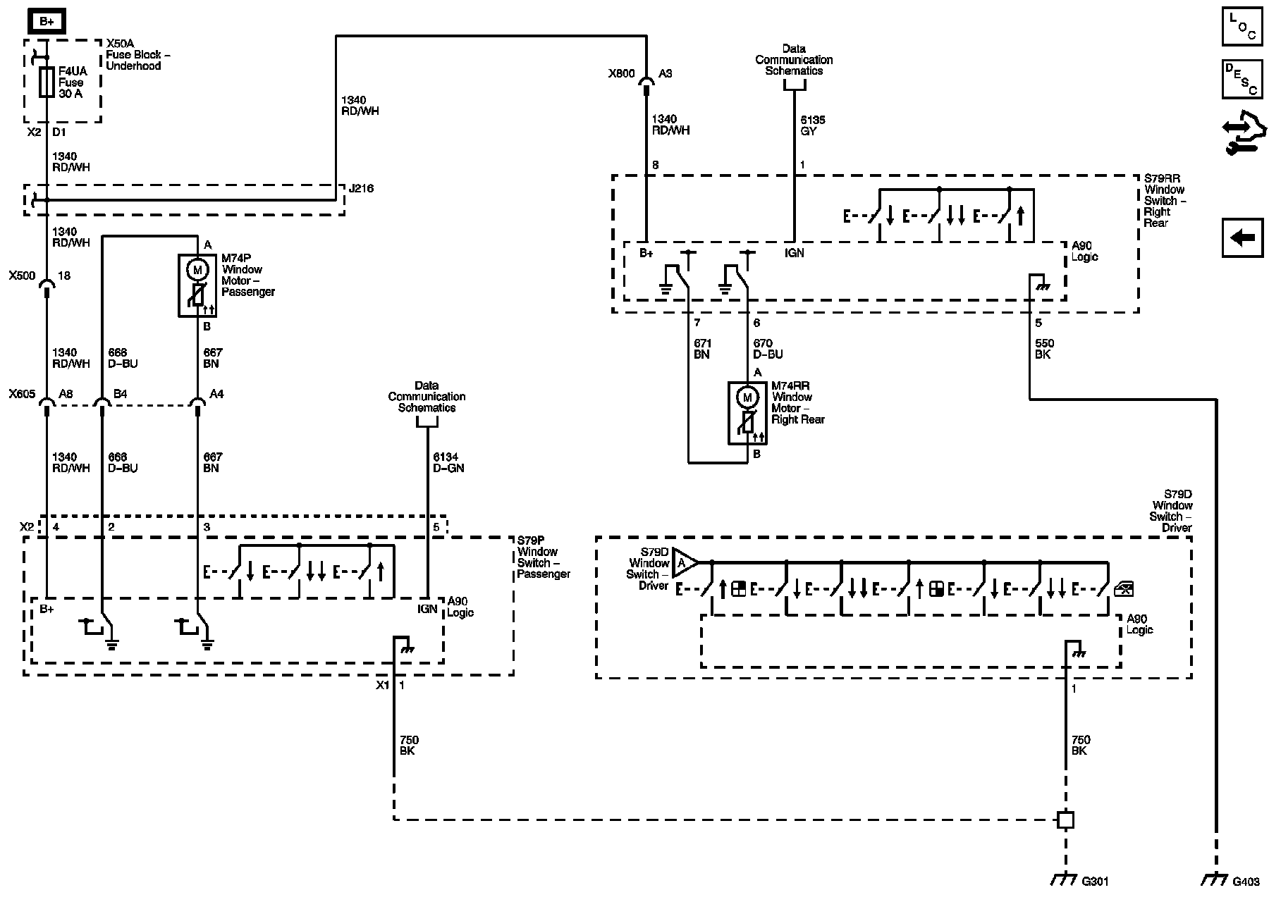
Right Doors
F4UA, F12UA, F15UA, F17UA, and F28UA Fuses
Data Communication Schematics
G401 (1 of 2)

Right Doors





Master Electrical Component List
Power Windows Description and Operation
Control Module References
Left Doors
F4UA, F12UA, F15UA, F17UA, and F28UA Fuses
Data Communication Schematics
G301 (1 of 2)
G403