Curiosii for ever!: Car repair manuals for everyone.

Electrical Diagrams




Engine Controls Schematics

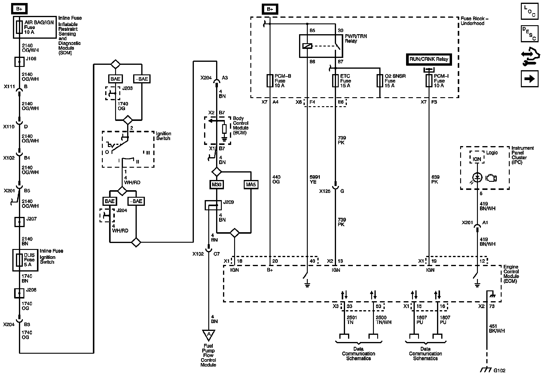
Power, Ground, Serial Data, and MIL






5-Volt and Low Reference Bus






Engine Data Sensors - Pressure and Temperature






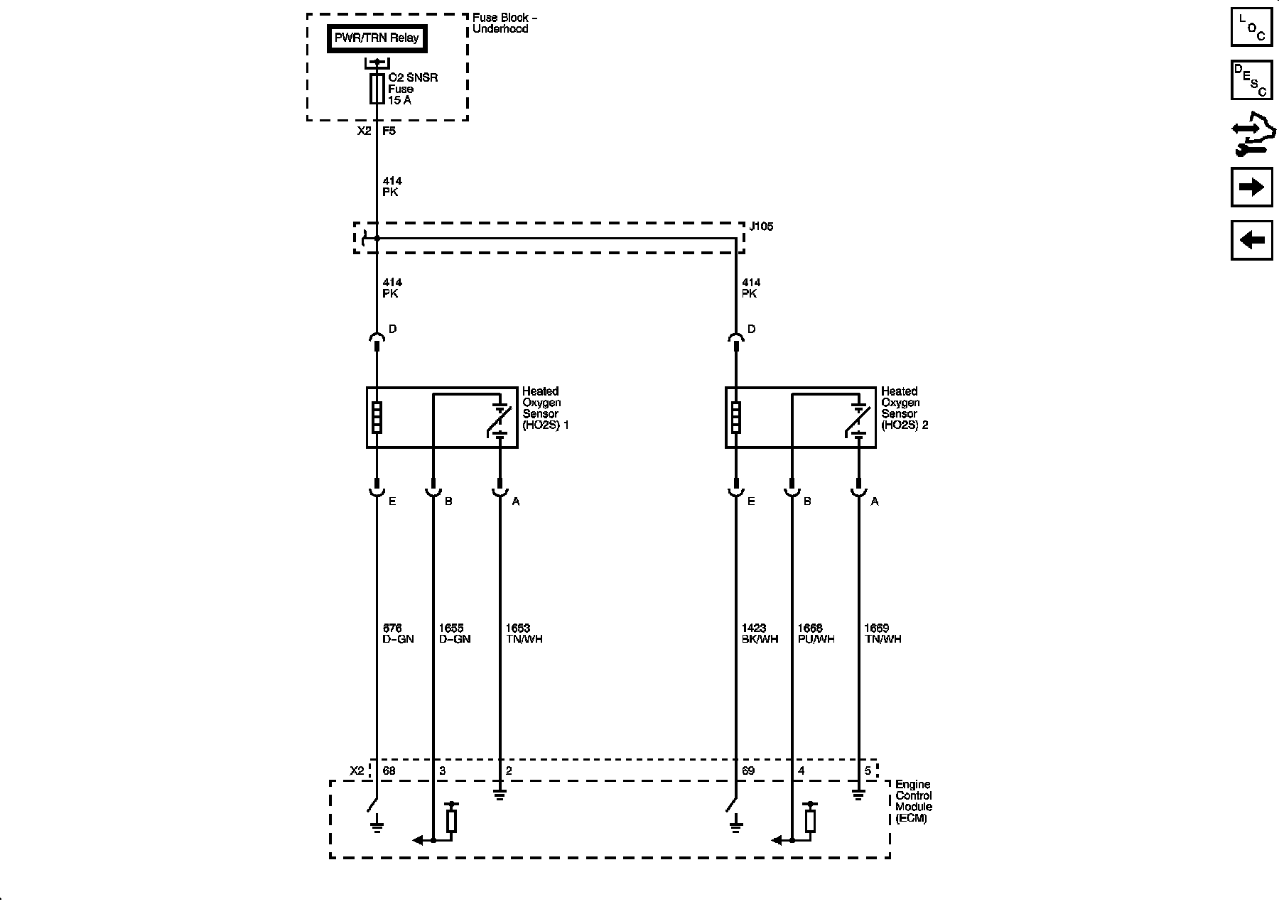
Engine Data Sensors - Heated Oxygen Sensors






Engine Data Sensors - Throttle Controls






Ignition Controls - Ignition Coils






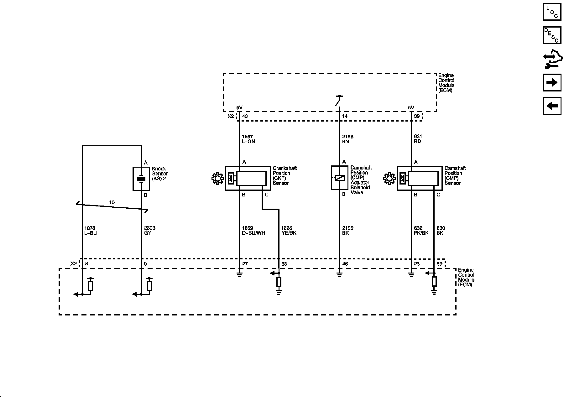
Ignition Controls - Sensors






Fuel Controls - Fuel Injectors






Fuel Controls - EVAP Controls






Fuel Controls - Fuel Pump Controls






Device Controls - Secondary Air Injection (K18)






Controlled/Monitored Subsystem References