Curiosii for ever!: Car repair manuals for everyone.

Intake Manifold Replacement




Intake Manifold Replacement

Removal Procedure




1. Remove the air cleaner outlet duct. Refer to Air Cleaner Resonator Outlet Duct Replacement Service and Repair.
2. Remove the generator. Refer to Generator Replacement (LLV/LLR) Service and RepairGenerator Replacement (LH8) Generator Replacement (LH8).
3. Remove the engine harness retainer nut (1).
4. Remove the engine harness retainer from the stud and locator pin.
5. Disconnect the engine harness electrical connector (2) from the evaporative emission (EVAP) canister purge solenoid.
6. Disconnect the engine wiring harness electrical connector (3) from the manifold absolute pressure (MAP) sensor.




7. Disconnect the engine harness electrical connector (1) from the ignition coil harness electrical connector.
8. Disconnect the engine harness electrical connectors (2) from the left side fuel injectors.
9. Remove the engine harness clip (3) from the ignition coil bracket stud.




10. Disconnect the engine harness electrical connector (1) from the ignition coil harness electrical connector.
11. Disconnect the engine harness electrical connector (2) from the throttle actuator.
12. Remove the engine harness clip (3) from the ignition coil bracket stud.
13. Disconnect the engine harness electrical connectors (4) from the right side fuel injectors.




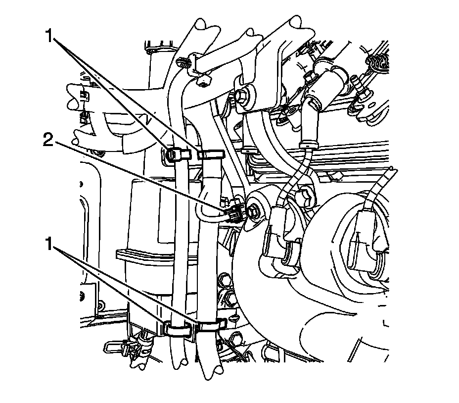
14. Remove the engine harness clips (1).
15. Disconnect the engine harness electrical connector (2) from the engine coolant temperature (ECT) sensor.
16. Gather the engine harness branches and tie the harness up out of the way to the front of the engine compartment.




17. Disconnect the engine oil pressure sensor electrical connector (1).




18. Reposition the brake booster vacuum hose clamp at the booster.
19. Remove the brake booster vacuum hose from the booster fitting.
20. Secure the brake booster vacuum hose to the intake manifold.




21. Disconnect the EVAP canister purge tube (1) quick connect fitting from the EVAP canister purge solenoid. Refer to Plastic Collar Quick Connect Fitting Service Procedures.
22. Disconnect the fuel feed line quick connect fitting (2) from the fuel rail. Refer to Metal Collar Quick Connect Fitting Service Service and Repair.




23. Remove the positive crankcase ventilation (PCV) hose from the intake manifold fitting.
24. Position the hose out of the way.




25. Loosen the intake manifold bolts (512).

Note: The aid of an assistant may be helpful in holding the engine harness up out of the way so the upper intake manifold cover does not get caught against the engine harness.

26. Remove the intake manifold (500).
27. Cover the cylinder head passages in order to prevent dirt or debris from entering the passages.




28. Remove and discard the intake manifold gaskets (514).




29. If replacing the intake manifold, perform the following steps, otherwise proceed to step 21 of the installation procedure.
30. Place the intake manifold on a clean work surface.
31. Reposition the brake booster vacuum hose clamp at the intake manifold.
32. Remove the brake booster vacuum hose from the intake manifold nipple.




33. Remove the upper intake manifold cover nut.
34. Remove the upper intake manifold cover.




35. Remove the manifold absolute pressure (MAP) sensor retainer.
36. Remove the MAP sensor.




37. Disconnect the EVAP tube quick connect fitting at the intake manifold. Refer to Plastic Collar Quick Connect Fitting Service Procedures.
38. Disengage the retainer securing the EVAP canister purge solenoid to the fuel rail.
39. Remove the EVAP tube and purge solenoid.




40. Remove the throttle body bolts/nuts.
41. Remove the throttle body.
42. Remove and discard the throttle body gasket.




43. Remove the fuel rail bolts.

Note: Lift evenly on both sides of the fuel rail until all injectors are removed from their bores.

44. Remove the fuel rail.
45. Remove and discard the fuel injector lower O-ring seals.





Note: Evenly push in the RED collar in order to remove the nipple.

46. Remove the brake booster vacuum hose nipple.

Installation Procedure




1. If the intake manifold was replaced perform the following steps, otherwise proceed to step 21.

Note: Evenly push in the RED collar in order to install the nipple.

2. Install the brake booster vacuum hose nipple to the NEW intake manifold.




3. Install NEW fuel injector lower O-ring seals onto the injectors.
4. Lubricate the NEW O-ring seals with clean engine oil.

Note: Push down firmly on both sides of the rail until all the injectors have been seated into their bores.

5. Install the fuel rail.

Caution: Refer to Fastener Caution Fastener Caution.

6. Install the fuel rail bolts.

Tighten the bolts to 10 Nm (89 lb in).




7. Install a NEW throttle body gasket to the intake manifold.
8. Install the throttle body.
9. Install the throttle body bolts/nuts.

Tighten the bolts/nuts to 10 Nm (89 lb in).




10. Install the EVAP tube and purge solenoid.
11. Install the EVAP canister purge solenoid to the fuel rail bracket and engage the retainer.
12. Connect the EVAP tube quick connect fitting at the intake manifold. Refer to Plastic Collar Quick Connect Fitting Service Procedures.




13. Lubricate the MAP sensor seal with clean engine oil.
14. Install the MAP sensor.
15. Install the MAP sensor retainer.




16. Install the upper intake manifold cover.
17. Install the upper intake manifold cover nut until snug




18. Install the brake booster vacuum hose to the intake manifold nipple.
19. Position the brake booster vacuum hose clamp at the intake manifold.
20. Secure the brake booster vacuum hose to the intake manifold.




21. Install NEW intake manifold gaskets (514) to the intake manifold.
22. Remove the covers from the cylinder head passages.




23. Install the intake manifold (500).

Note: The aid of an assistant may be helpful in holding the engine harness up out of the way so the upper intake manifold cover does not get caught against the engine harness.

24. Tighten the intake manifold bolts (512) until snug.




25. Tighten the intake manifold bolts to specifications.

* Tighten the bolts a first pass in the sequence shown to 5 Nm (44 lb in).
* Tighten the bolts a final pass in the sequence shown to 10 Nm (89 lb in).




26. Position and install the PCV hose to the intake manifold fitting.




27. Connect the fuel feed line quick connect fitting (2) to the fuel rail. Refer to Metal Collar Quick Connect Fitting Service Service and Repair.
28. Connect the EVAP canister purge tube (1) quick connect fitting to the EVAP canister purge solenoid. Refer to Plastic Collar Quick Connect Fitting Service Procedures.




29. Unsecure the brake booster vacuum hose from the intake manifold.
30. Install the brake booster vacuum hose to the booster fitting.
31. Position the brake booster vacuum hose clamp at the booster.




32. Connect the engine oil pressure sensor electrical connector (1).




33. Untie the engine harness branches from the front of the engine compartment and position over the engine.
34. Connect the engine harness electrical connector (2) to the ECT sensor.
35. Position the engine harness clips (1) to the bracket.




36. Connect the engine harness electrical connectors (4) to the right side fuel injectors.
37. Install the engine harness clip (3) to the ignition coil bracket stud.
38. Connect the engine harness electrical connector (2) to the throttle actuator.
39. Connect the engine harness electrical connector (1) to the ignition coil harness electrical connector.




40. Install the engine harness clip (3) to the ignition coil bracket stud.
41. Connect the engine harness electrical connectors (2) to the left side fuel injectors.
42. Connect the engine harness electrical connector (1) to the ignition coil harness electrical connector.
43. Install the CPA retainer (1).




44. Connect the engine wiring harness electrical connector (3) to the MAP sensor.
45. Connect the engine harness electrical connector (2) to the EVAP canister purge solenoid.
46. Install the engine harness retainer to the stud and locator pin.
47. Install the engine harness retainer nut (1).

Tighten the nut to 5 Nm (44 lb in).

48. Install the generator. Refer to Generator Replacement (LLV/LLR) Service and RepairGenerator Replacement (LH8) Generator Replacement (LH8).
49. Install the air cleaner outlet duct. Refer to Air Cleaner Resonator Outlet Duct Replacement Service and Repair.