Curiosii for ever!: Car repair manuals for everyone.

Electrical Diagrams




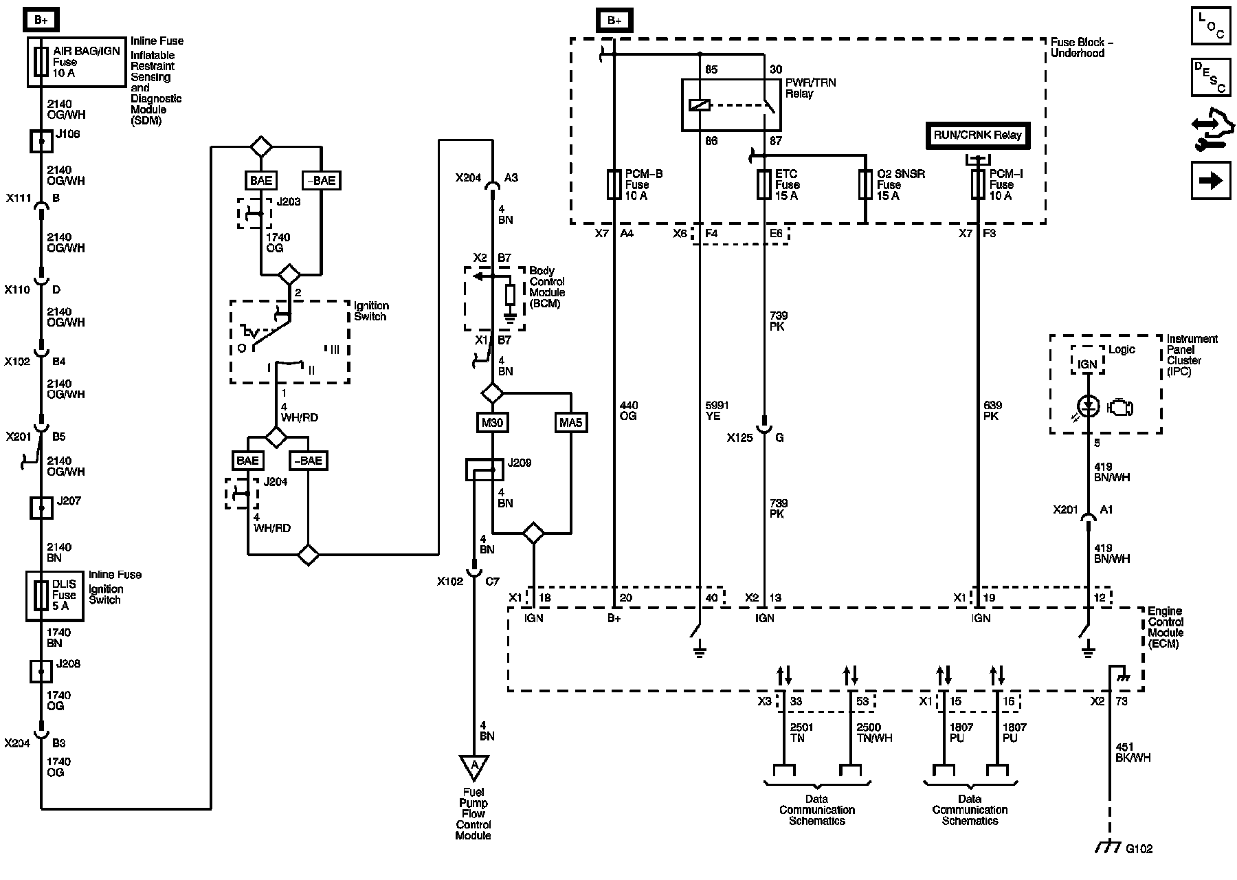
Engine Controls Schematics

Module Power, Ground, Serial Data, and MIL






5-Volt and Low Reference Bus






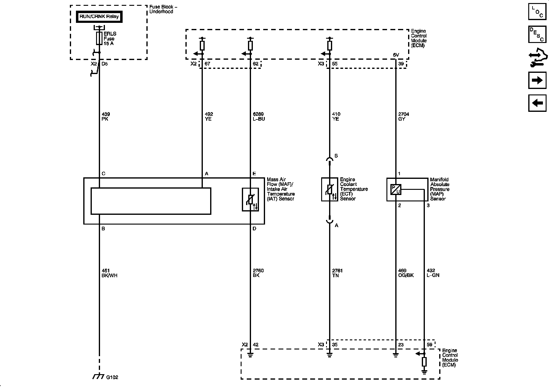
Engine Data Sensors - Pressure and Temperature






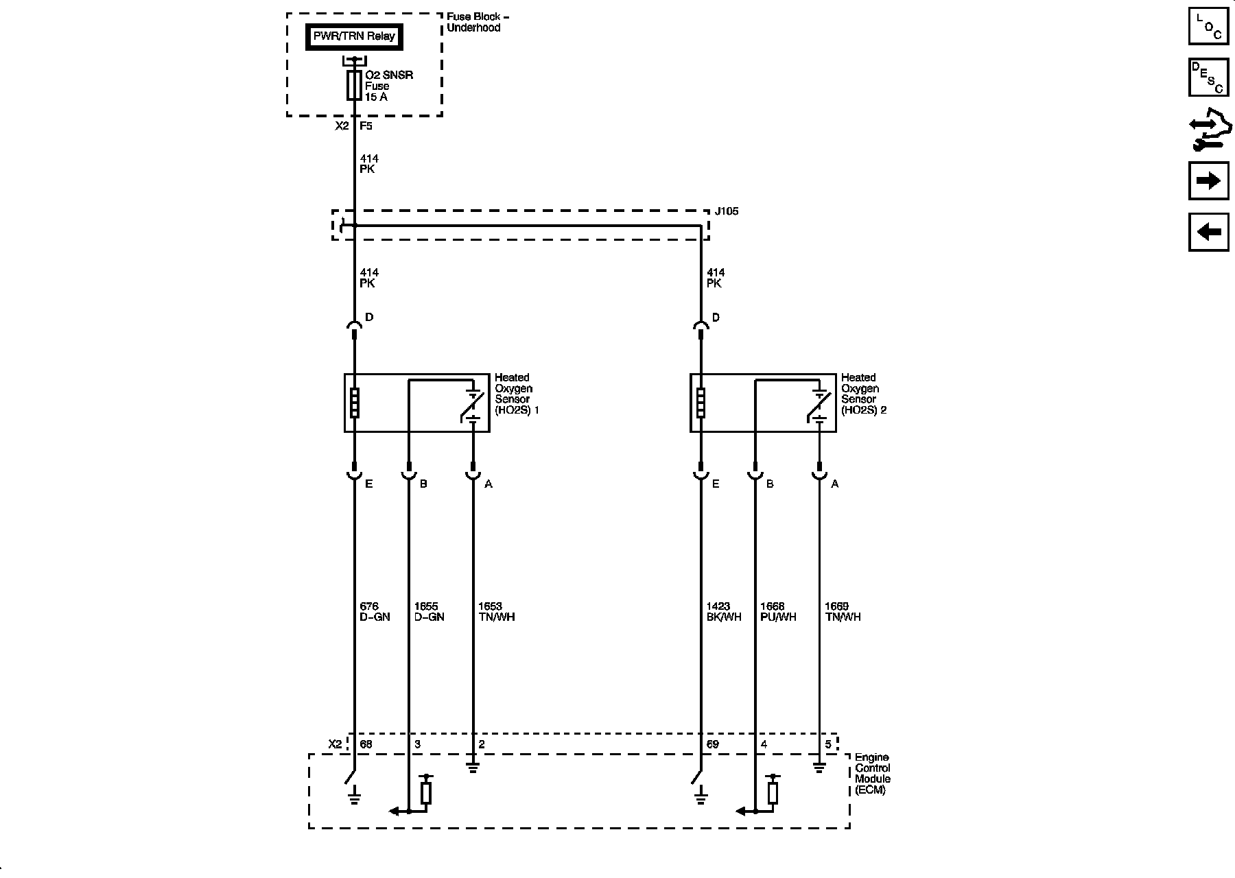
Engine Data Sensors - Heated Oxygen Sensors






Engine Data Sensors - Throttle Controls






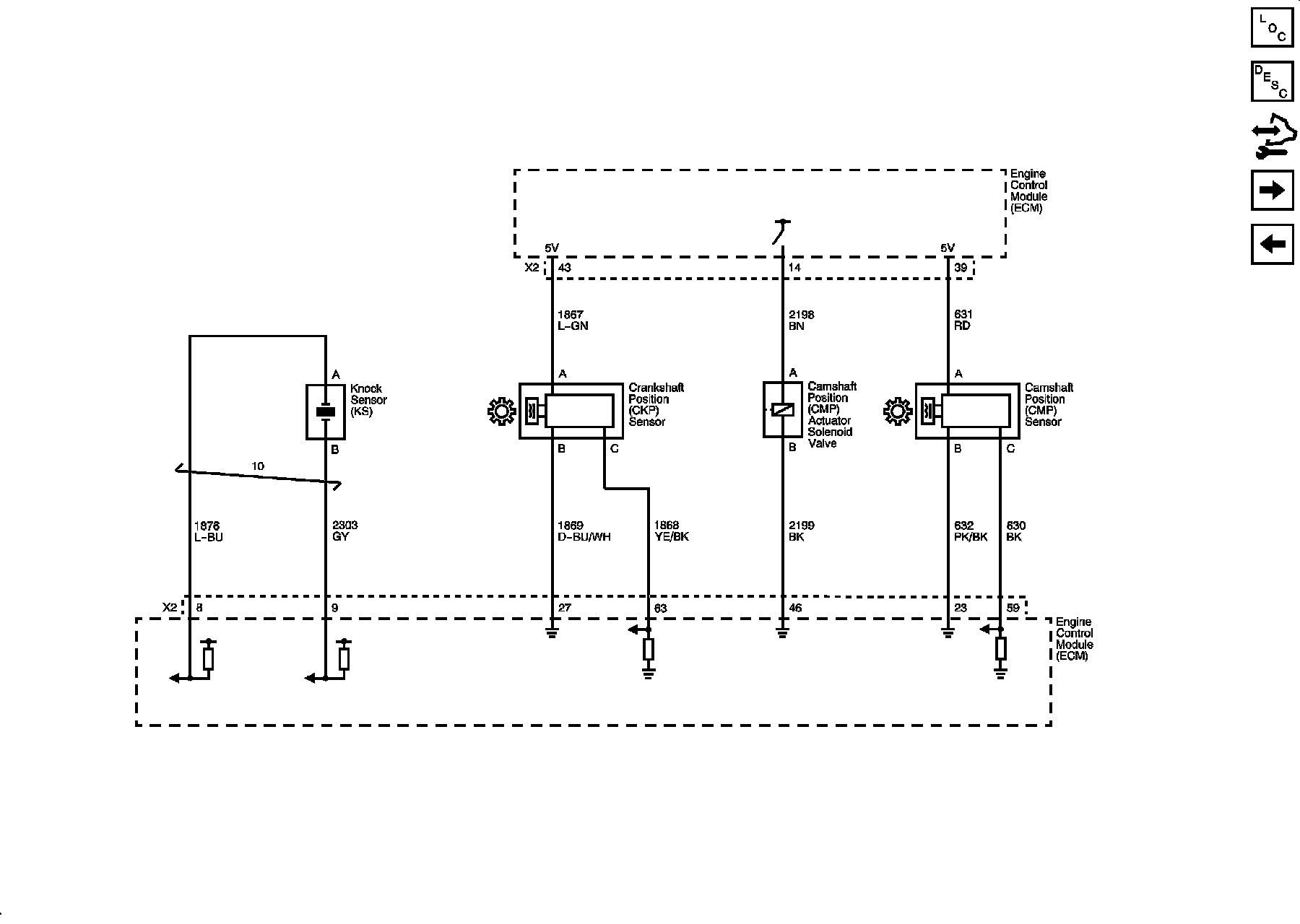
Ignition Controls - Sensors






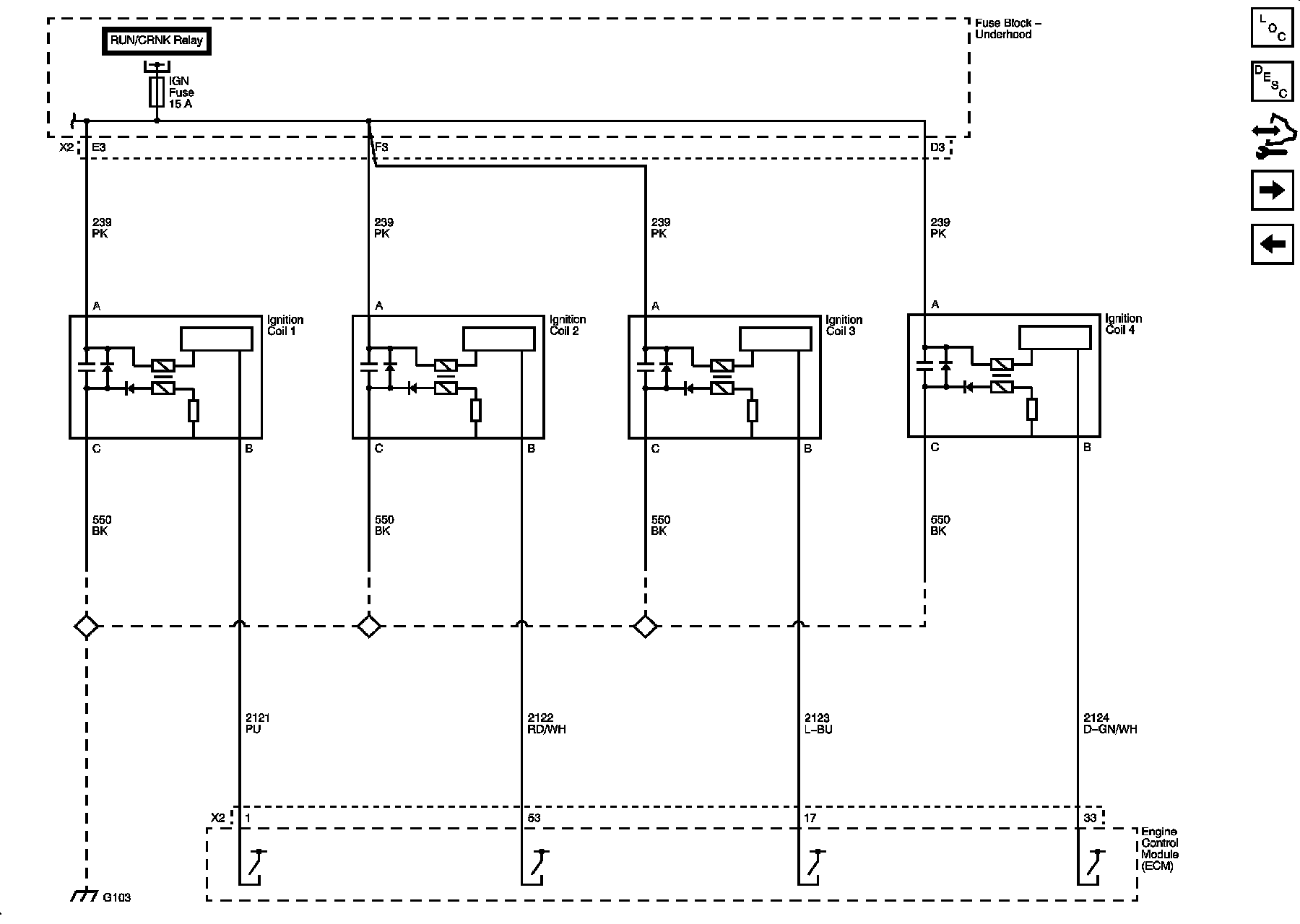
Ignition Controls - Ignition Coils






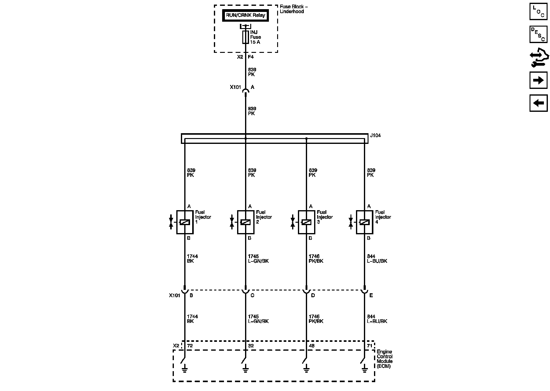
Fuel Controls - Fuel Injectors






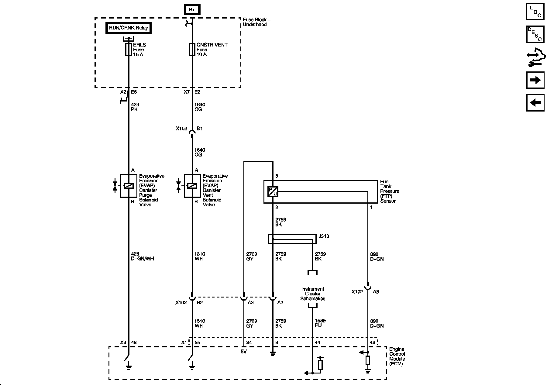
Fuel Controls - EVAP Controls






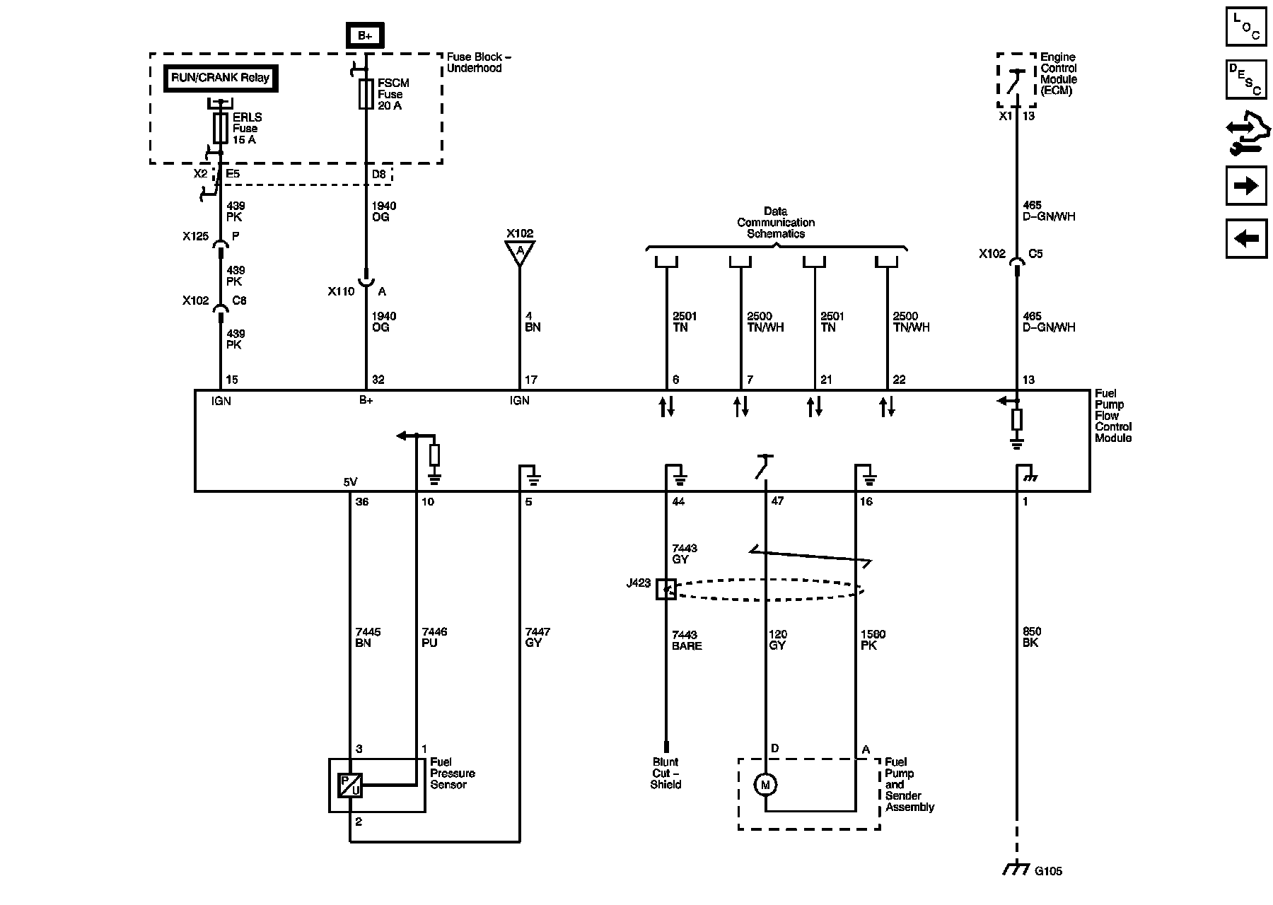
Fuel Controls - Fuel Pump Controls






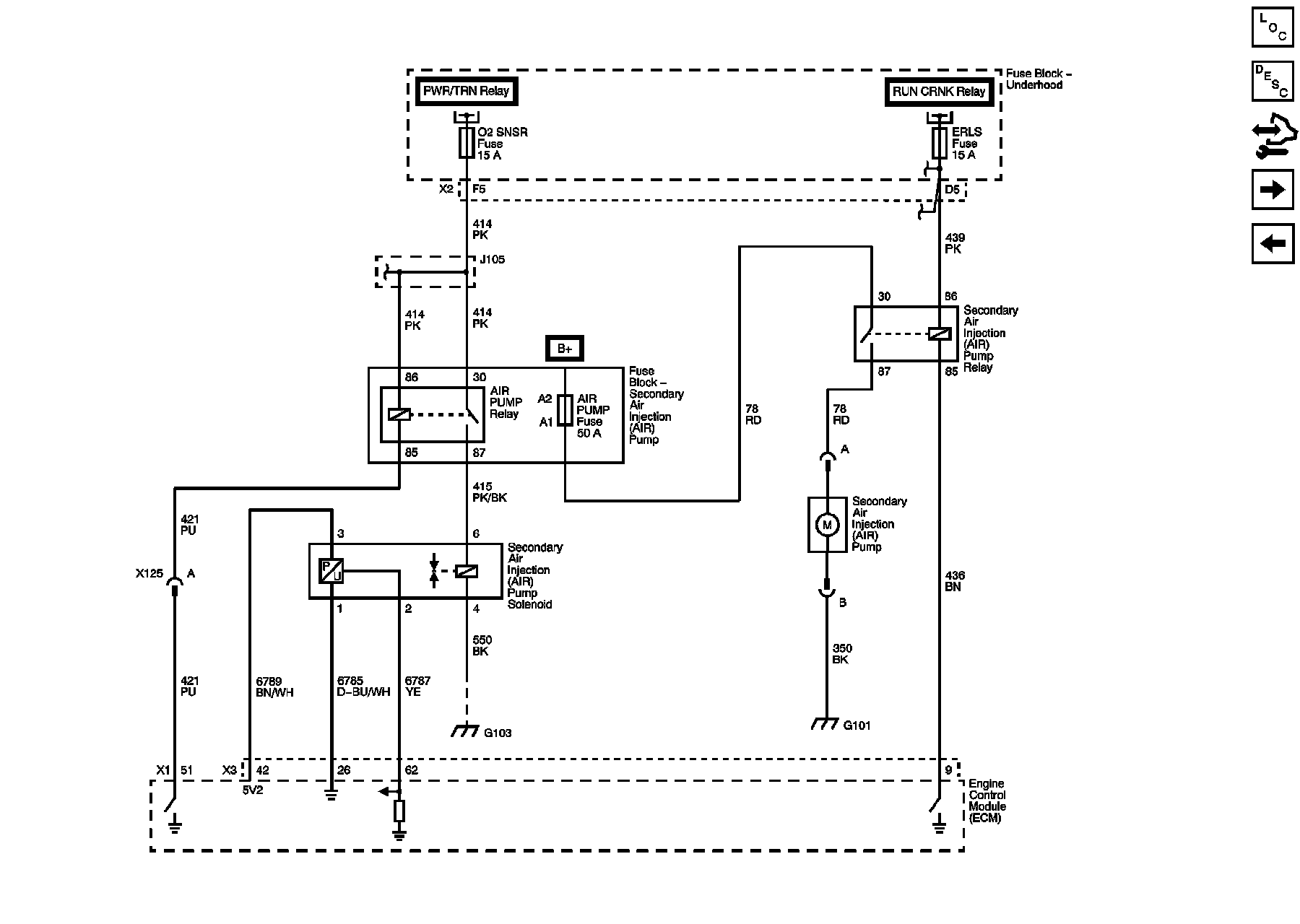
Device Controls - Secondary Air Injection (K18)






Controlled/Monitored Subsystem References