Curiosii for ever!
: Car repair manuals for everyone.
Home
>>
Chevy Truck
>>
2012
>>
Avalanche 2WD V8-5.3L
>>
Repair and Diagnosis
>>
Specifications
>>
Mechanical Specifications
>>
Automatic Transmission/Transaxle
>>
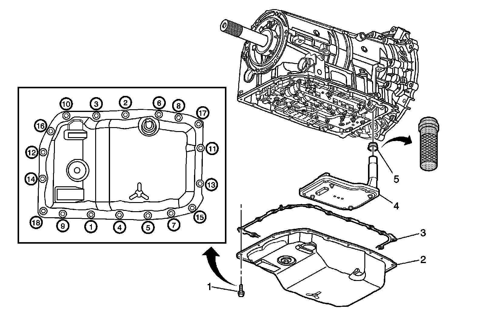
Fluid Pan, A/T
Fluid Pan, A/T
Transmission Fluid Pan Bolts
9 Nm (80 lb in.)