Curiosii for ever!
: Car repair manuals for everyone.
Home
>>
Chevy Truck
>>
2012
>>
Avalanche 2WD V8-5.3L
>>
Repair and Diagnosis
>>
Power and Ground Distribution
>>
Diagrams
>>
Electrical Diagrams
>>
Power Moding Schematics
Power Moding Schematics
Power Moding Schematics
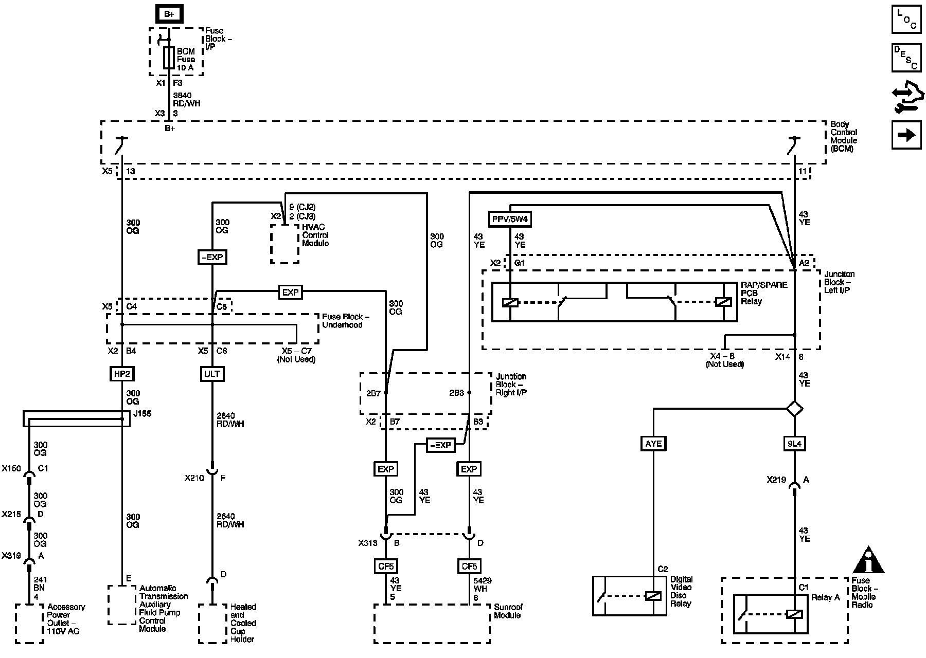
Ignition 3 and Accessory Voltage
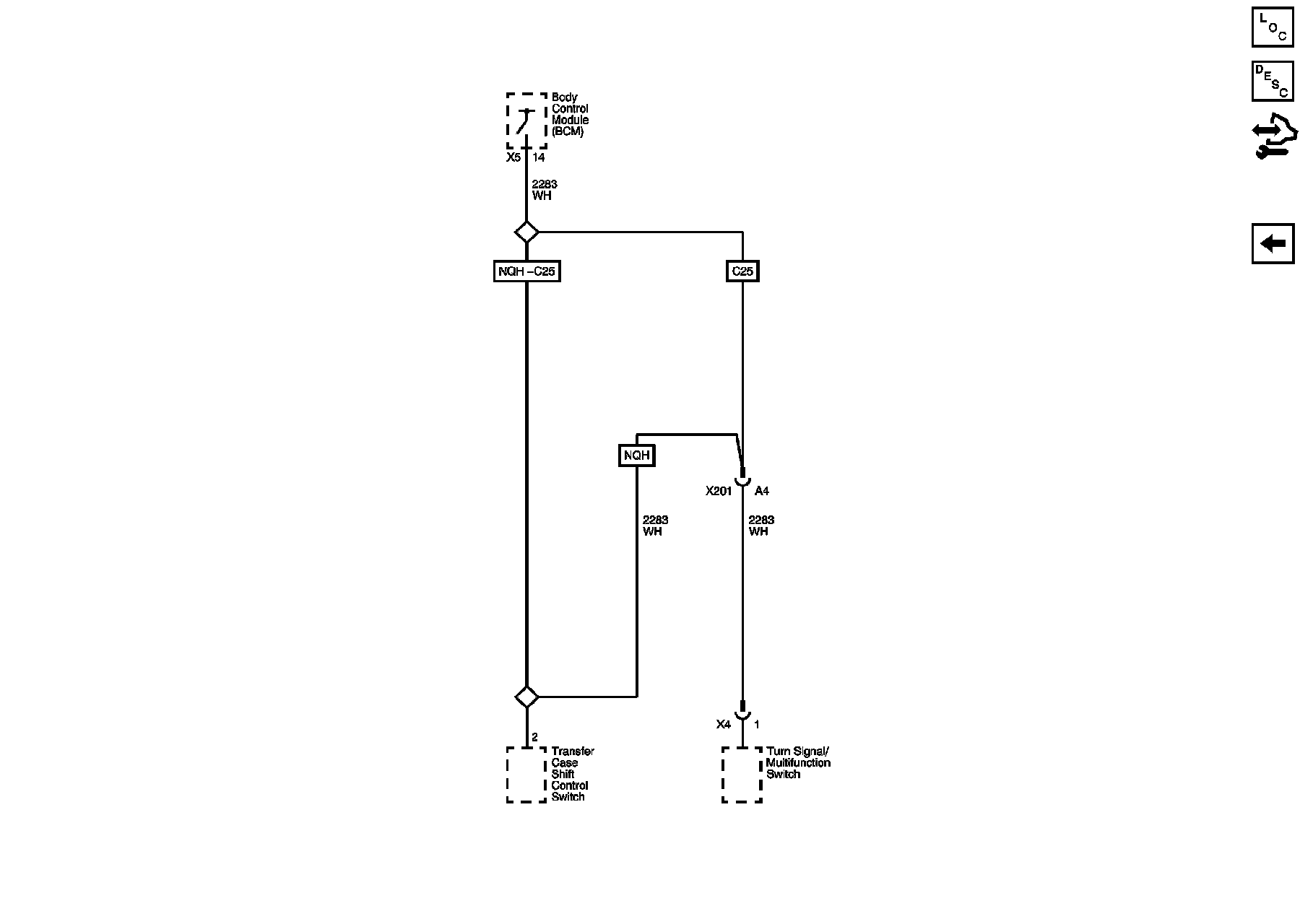
Ignition 2/3 Voltage
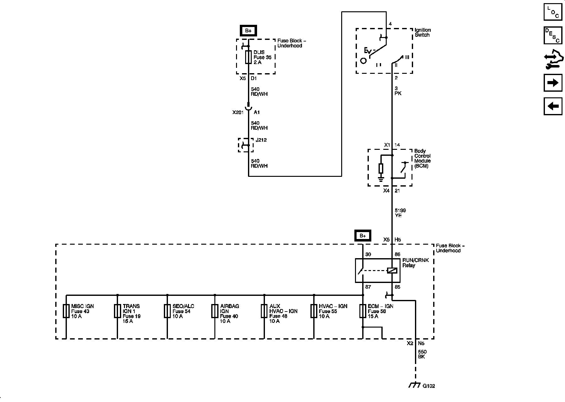
Ignition 1 Voltage