Curiosii for ever!
: Car repair manuals for everyone.
Home
>>
Chevy Truck
>>
2011
>>
Traverse FWD V6-3.6L
>>
Repair and Diagnosis
>>
Power and Ground Distribution
>>
Diagrams
>>
Electrical Diagrams
>>
Power Distribution Schematics
>>
Power Distribution Schematic 6
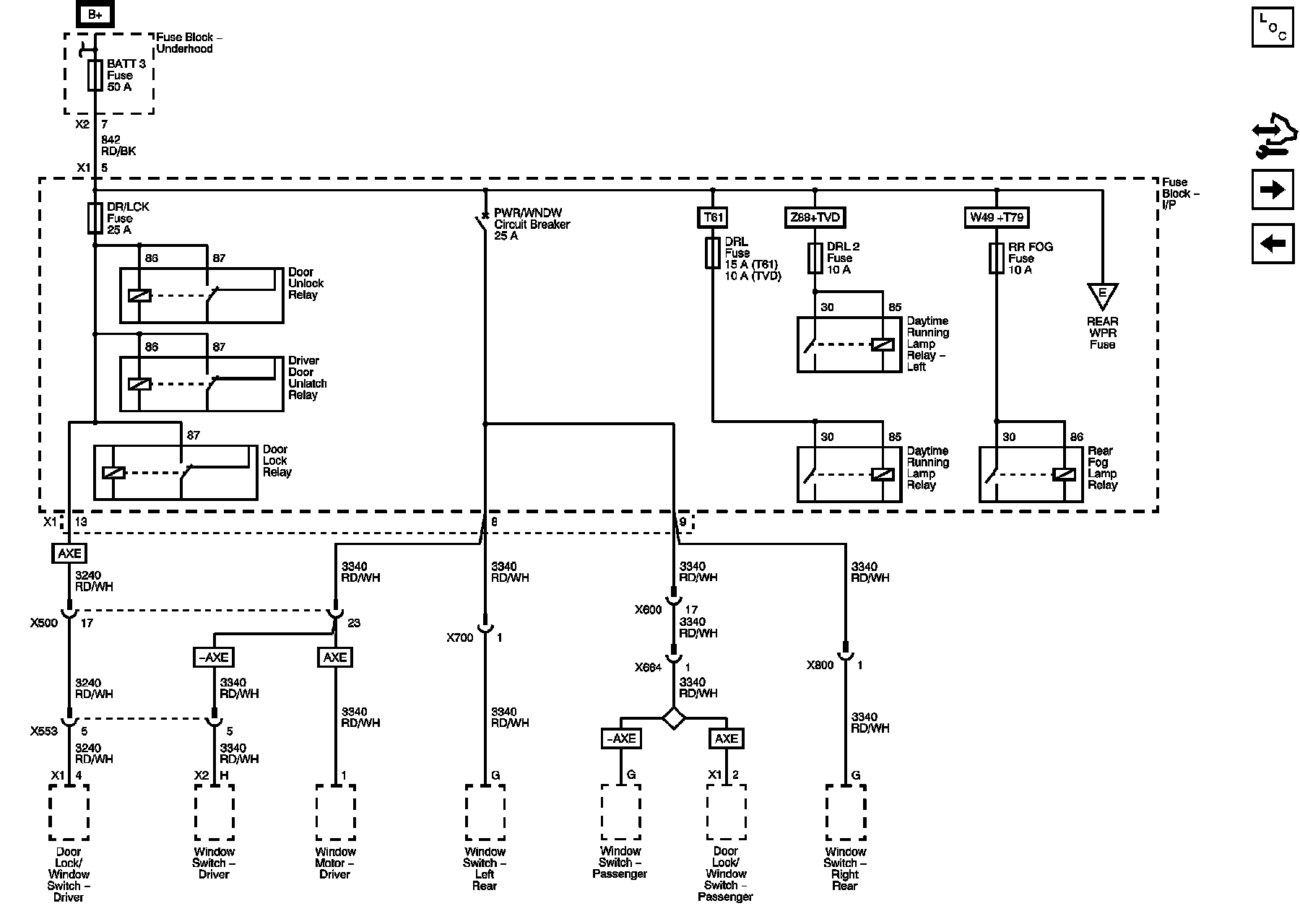
Power Distribution Schematic 6
Power Distribution Schematics
BATT 3, DRL, DRL 2, DR/LCK, and RR FOG Fuses, PWR/WNDW Circuit Breaker