Curiosii for ever!
: Car repair manuals for everyone.
Home
>>
Chevy Truck
>>
2011
>>
Traverse FWD V6-3.6L
>>
Repair and Diagnosis
>>
Power and Ground Distribution
>>
Diagrams
>>
Electrical Diagrams
>>
Power Distribution Schematics
>>
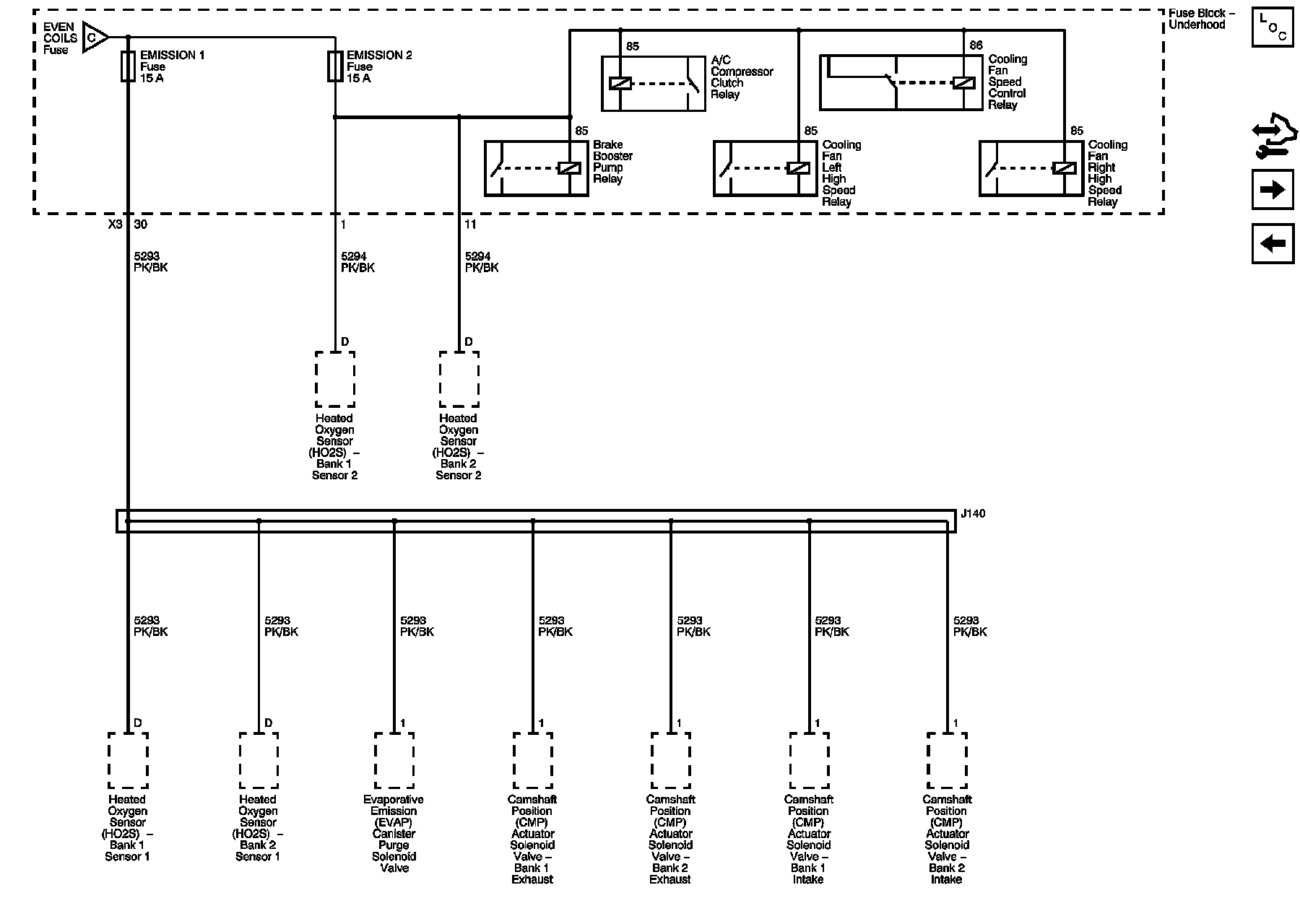
Power Distribution Schematic 12
Power Distribution Schematic 12
Power Distribution Schematics
EMISSION 1 and EMISSION 2 Fuses