Curiosii for ever!
: Car repair manuals for everyone.
Home
>>
Chevy Truck
>>
2011
>>
Traverse FWD V6-3.6L
>>
Repair and Diagnosis
>>
Diagrams
>>
Electrical Diagrams
>>
Locks
>>
System Diagram
>>
Liftgate Schematics
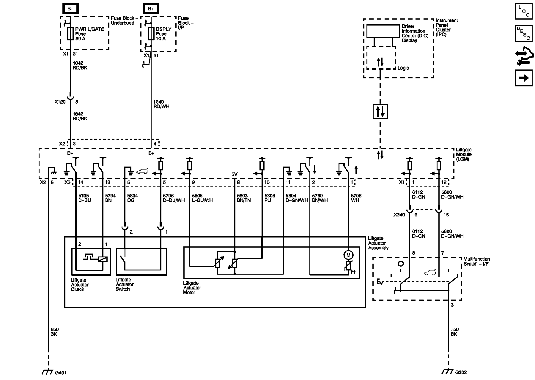
Liftgate Schematics
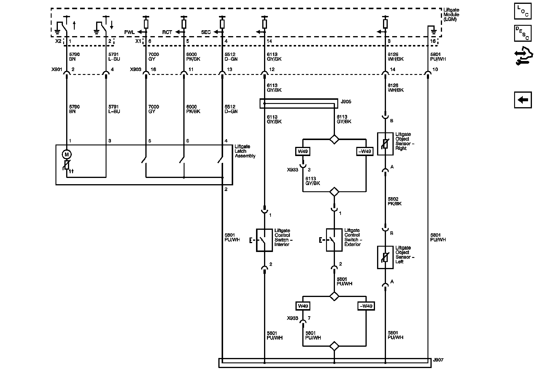
Liftgate Schematics
Module Power, Ground, Serial Data, Instrument Panel Switch, and Actuator
Latch, Object Sensors, and Switches (TB5)